电脑桌面
添加小米粒文库到电脑桌面
安装后可以在桌面快捷访问

五年级下册数学扩展专题练习:几何长方体与正方体体积A级全国通用VIP免费

五年级下册数学扩展专题练习:几何长方体与正方体体积A级全国通用_第1页
1/10
五年级下册数学扩展专题练习:几何长方体与正方体体积A级全国通用_第2页
2/10
五年级下册数学扩展专题练习:几何长方体与正方体体积A级全国通用_第3页
3/10
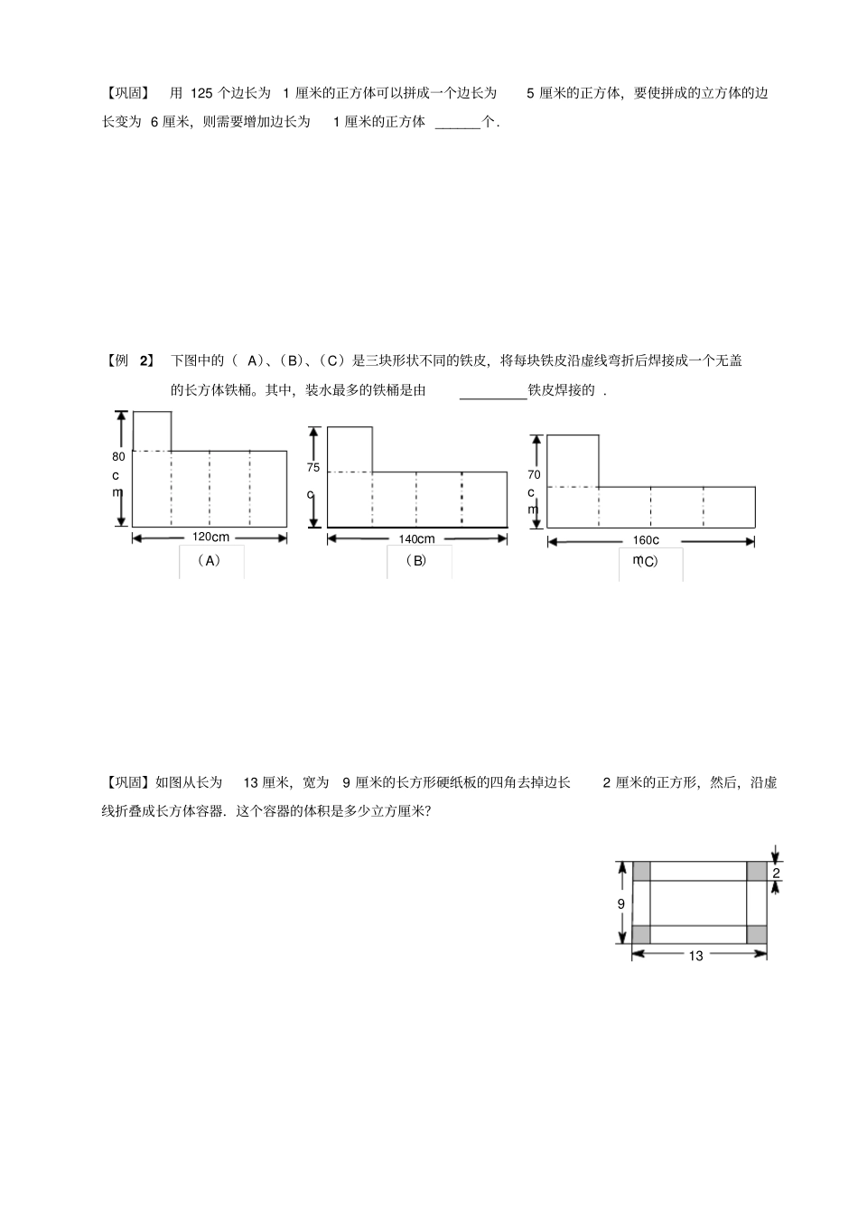
一、立体图形的体积计算常用公式:立体图形示例体积公式相关要素长方体VabhVsh三要素:a、b、h二要素:s、h正方体3VaVsh一要素:a二要素:s、h重点:长方体与正方体的表面积和体积的计算公式的理解性记忆与运用.难点:切割和穿孔图形的空间想象.【例1】如果一个边长为2厘米的正方体的体积增加208立方厘米后仍是正方形,则边长增加______厘米.例题精讲知识框架重难点长方体与正方体体积【巩固】用125个边长为1厘米的正方体可以拼成一个边长为5厘米的正方体,要使拼成的立方体的边长变为6厘米,则需要增加边长为1厘米的正方体______个.【例2】下图中的(A)、(B)、(C)是三块形状不同的铁皮,将每块铁皮沿虚线弯折后焊接成一个无盖的长方体铁桶。其中,装水最多的铁桶是由铁皮焊接的.【巩固】如图从长为13厘米,宽为9厘米的长方形硬纸板的四角去掉边长2厘米的正方形,然后,沿虚线折叠成长方体容器.这个容器的体积是多少立方厘米?1392120cm80cm140cm75c160cm70cm(A)(B)(C)【例3】有一个长方体,长是宽的2倍,宽是高的3倍;长的12与高的13之和比宽多1厘米.这个长方体的体积是立方厘米.【巩固】一个长方体的各条棱长的和是48厘米,并且它的长是宽的2倍,高与宽相等,那么这个长方体的体积是______立方厘米.【例4】一个长方体的棱长之和是28厘米,而长方体的长宽高的长度各不相同,并且都是整厘米数,则长方体的体积等于立方厘米。【巩固】某工人用薄木板钉成一个长方体的邮件包装箱,并用尼龙编织条(如图所示)在三个方向上的加固.所用尼龙编织条分别为365厘米,405厘米,485厘米.若每个尼龙加固时接头重叠都是5厘米.问这个长方体包装箱的体积是多少立方米?高宽长【例5】一个长方体的表面积是33.66平方分米,其中一个面的长是2.3分米,宽是2.1分米,它的体积是_____立方分米.【巩固】若长方体的三个侧面的面积分别是6,8,12,则长方体的体积是。【例6】一个长、宽、高分别为21厘米、15厘米、12厘米的长方形,现从它的上面尽可能大的切下一个正方体,然后从剩余的部分再尽可能大的切下一个正方体,最后再从第二次剩余的部分尽可能大的切下一个正方体,剩下的体积是多少平方厘米?【巩固】一个3×5×6长方形,现从它的上面尽可能大的切下一个正方体,然后从剩余的部分再尽可能大的切下一个正方体,最后再从第二次剩余的部分尽可能大的切下一个正方体,剩下的体积是多少平方厘米?【例7】如图,底面积为50平方厘米的圆柱形容器中装有水,水面上漂浮着一块棱长为5厘米的正方体术块,木块浮出水面的高度是2厘米。若将木块从容器中取出,水面将下降________厘米。【巩固】如图,长30厘米,宽30厘米,高40厘米的长方体容器中装有水,水面上漂浮着一个篮球,篮球在水面下的体积360立方厘米,是若将篮球从容器中取出,水面将下降________厘米。【例8】如图所示,一个555的立方体,在两个方向上开有115的孔,剩余部分的体积为________.【巩固】如图所示,一个555的立方体,在一个方向上开有115的孔,在另一个方向上开有215的孔,剩余部分的体积为________.【例9】如右图,一个边长为3厘米的正方体,分别在它的前后、左右、上下各面的中心位置挖去一个截口是边长为1厘米的正方形的长方体(都和对面打通).试求正方体的体积.【巩固】一个长、宽、高分别为12、9、7厘米的长方体,在它的每组两两相对的面的正中央都打一个边长为4厘米的正方形的贯穿洞.那么这个长方体剩下部分的体积是立方厘米.【例10】有一个棱长为5cm的正方体木块,从它的每个面看都有一个穿透的完全相同的孔(右上图),求这个立体图形的体积.【巩固】如图所示,一个555的立方体,在一个方向上开有115的孔,在另一个方向上开有215的孔,在第三个方向上开有315的孔,剩余部分的体积是多少?1.一根长方体木料,体积是0.078立方米.已知这根木料长1.3米.宽为3分米,高该是多少分米?孙健同学把高错算为3分米.这样,这根木料的体积要比0.078立方米多多少?2.一个长、宽、高分别为8厘米、14厘米、16厘米的长方形,现从它的上面尽可能大的切下一个正方课堂检测体,然后从剩余的部分再尽可能大的切下一个正方体,最...

1、当您付费下载文档后,您只拥有了使用权限,并不意味着购买了版权,文档只能用于自身使用,不得用于其他商业用途(如 [转卖]进行直接盈利或[编辑后售卖]进行间接盈利)。
2、本站所有内容均由合作方或网友上传,本站不对文档的完整性、权威性及其观点立场正确性做任何保证或承诺!文档内容仅供研究参考,付费前请自行鉴别。
3、如文档内容存在违规,或者侵犯商业秘密、侵犯著作权等,请点击“违规举报”。

碎片内容

五年级下册数学扩展专题练习:几何长方体与正方体体积A级全国通用

确认删除?
VIP
微信客服
  • 扫码咨询
会员Q群
  • 会员专属群点击这里加入QQ群
客服邮箱
回到顶部