电脑桌面
添加小米粒文库到电脑桌面
安装后可以在桌面快捷访问

长条、拼花实木地板施工工程质量管理VIP免费

长条、拼花实木地板施工工程质量管理_第1页
1/6
长条、拼花实木地板施工工程质量管理_第2页
2/6
长条、拼花实木地板施工工程质量管理_第3页
3/6
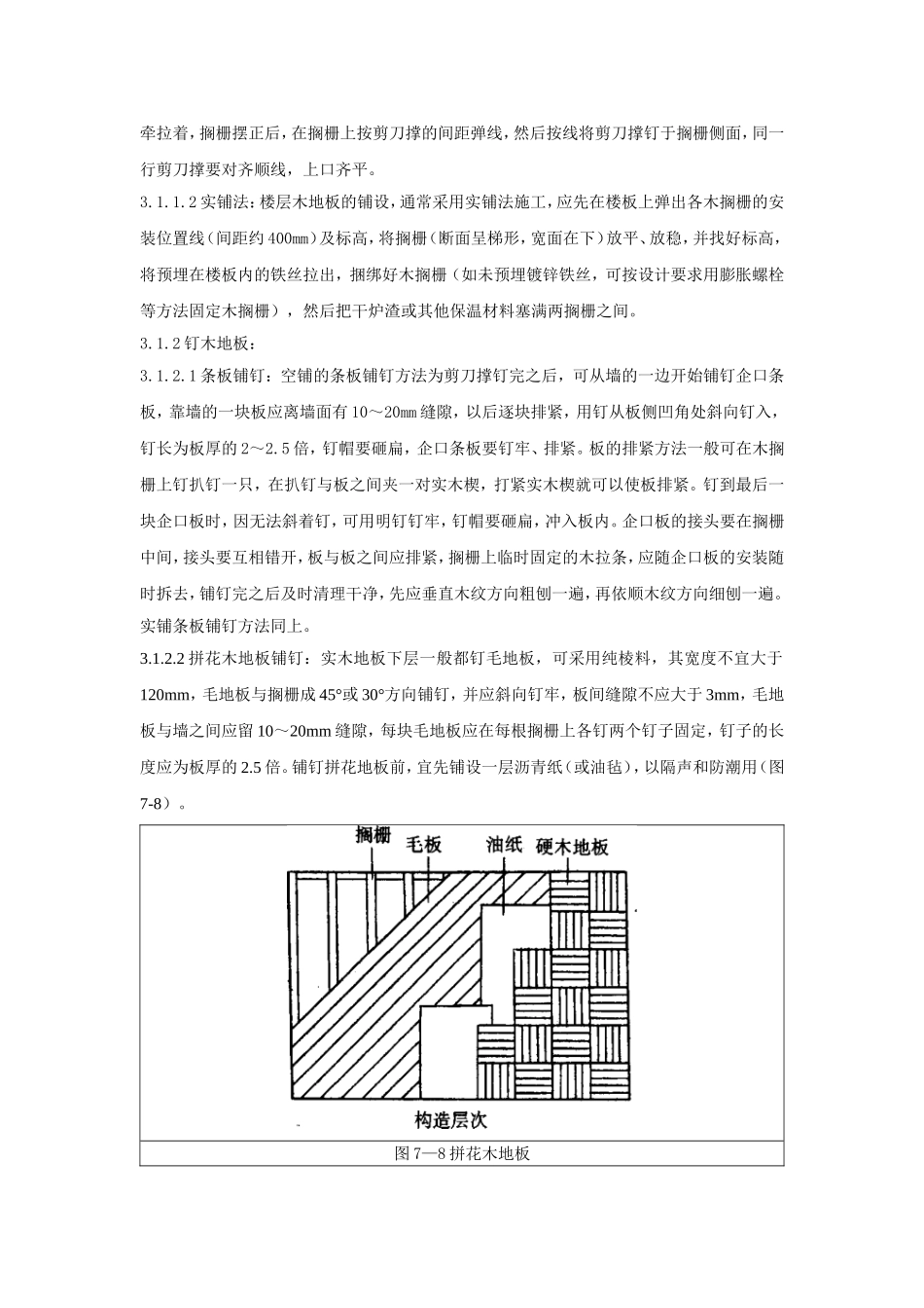
长条、拼花实木地板施工工程质量管理1、依据标准:《建筑工程施工质量验收统一标准》GB50300-2001《建筑地面工程施工质量验收规范》GB50209-20022、施工准备2.1材料及主要机具:2.1.1长条木地板宜用红松、云杉或耐磨、不易腐朽、不易开裂的木材做成,每块板宽度不超过120mm,厚度应符合设计要求,侧面带企口,顶面应刨平。拼花木板面层采用的木材树种应按设计选用,设计无要求时,应用水曲柳、核桃木、柞木等质地优良、不易腐朽开裂的木材,并做成企口、截口或平头接缝(图7-5)。图7-5拼花木板接缝心(a)企口接缝;(b)截口接缝;(c)平头接缝拼花木地板的长度、宽度和厚度均应符合设计要求。长条及拼花木板均应有商品检验合格证。2.1.2双层板下的毛地板、木板面下木搁栅和垫木均要做防腐处理,其规格、尺寸应符合设计要求。2.1.3实木踢脚板:宽度、厚度应按设计要求的尺寸加工,其含水率不得超过12%,背面应满涂防腐剂,花纹和颜色应力求与面层地板相同。2.1.4其它材料:木楔、防潮纸、氟化钠或其它防腐材料,8~10号镀锌铁丝、5~10cm钉子、扒钉、镀锌木螺丝、1mm厚钢垫、隔声材料等。2.1.5主要机具:斧子、锤子、冲子、凿子、改锥、方尺、钢尺、割角尺、墨斗、小电锯、小电刨、手枪钻、刨地板机、磨地板机、手锯、手刨、单线刨、磨刀石等。2.2作业条件:2.2.1墙、顶抹灰完,门框安装完已弹好+50cm水平标高线。2.2.2屋面防水、穿楼面管线均已做完,管洞已堵塞密实。预埋在地面内电管已做完。2.2.3暖、卫管道试水、打压完成,并已经验收合格。2.2.4房间四周弹好踢脚板上口水平线,并已预埋好固定木踢脚的木砖(必须经防腐处理)。2.2.5凡是与混凝土或砖墙基体接触的木料,如木搁栅、踢脚板背面、地板底面、剪刀撑、木楔子、木砖等,均预先满涂木材防腐材料。2.2.6木地板采用空铺法时,按设计要求的尺寸砌好的垄墙,每道墙留120mm×120mm通风洞2个,并预埋好铁丝,墙顶抹一层防水砂浆。2.2.7木地板采用实铺法时,预先在垫层内预埋好铁丝。3、操作工艺条板(又称普通木地板)和拼花木地板按构造方法不同,有“实铺”和“空铺”两种。“空铺”是由搁栅、企口板、剪刀撑等组成,一般均设在首层房间。当搁栅跨度较大时,应在房中间加设地垄墙,地垄墙顶上要铺油毡或抹防水砂浆及放置沿缘木,见图7-6。实铺木地板,是木搁栅铺在钢筋混凝土板或垫层上,它是由木搁栅及企口板等组成,见图7-7。图7—6底层房间空铺木地板图7-7实铺木地板3.1工艺流程:安装木搁栅→钉木地板→刨平→净面细刨、磨光→安装踢脚板3.1.1安装木搁栅:3.1.1.1空铺法:在砖砌基础墙上和地垄墙上垫放通长沿缘木(见图7-6),用预埋的铁丝将其捆绑好,并在沿缘木表面划出各搁栅的中线,然后将搁栅对准中线摆好,端头离开墙面约30mm的缝隙,依次将中间的搁栅摆好,当顶面不平时,可用垫木或木楔在搁栅底下垫平,并将其钉牢在沿缘木上,为防止搁栅活动,应在固定好的木搁栅表面临时钉设木拉条,使之互相牵拉着,搁栅摆正后,在搁栅上按剪刀撑的间距弹线,然后按线将剪刀撑钉于搁栅侧面,同一行剪刀撑要对齐顺线,上口齐平。3.1.1.2实铺法:楼层木地板的铺设,通常采用实铺法施工,应先在楼板上弹出各木搁栅的安装位置线(间距约400mm)及标高,将搁栅(断面呈梯形,宽面在下)放平、放稳,并找好标高,将预埋在楼板内的铁丝拉出,捆绑好木搁栅(如未预埋镀锌铁丝,可按设计要求用膨胀螺栓等方法固定木搁栅),然后把干炉渣或其他保温材料塞满两搁栅之间。3.1.2钉木地板:3.1.2.1条板铺钉:空铺的条板铺钉方法为剪刀撑钉完之后,可从墙的一边开始铺钉企口条板,靠墙的一块板应离墙面有10~20mm缝隙,以后逐块排紧,用钉从板侧凹角处斜向钉入,钉长为板厚的2~2.5倍,钉帽要砸扁,企口条板要钉牢、排紧。板的排紧方法一般可在木搁栅上钉扒钉一只,在扒钉与板之间夹一对实木楔,打紧实木楔就可以使板排紧。钉到最后一块企口板时,因无法斜着钉,可用明钉钉牢,钉帽要砸扁,冲入板内。企口板的接头要在搁栅中间,接头要互相错开,板与板之间应排紧,搁栅上临时固定的木拉条,应随企口板的安装随时拆去,铺钉完之后及时清理干净...

1、当您付费下载文档后,您只拥有了使用权限,并不意味着购买了版权,文档只能用于自身使用,不得用于其他商业用途(如 [转卖]进行直接盈利或[编辑后售卖]进行间接盈利)。
2、本站所有内容均由合作方或网友上传,本站不对文档的完整性、权威性及其观点立场正确性做任何保证或承诺!文档内容仅供研究参考,付费前请自行鉴别。
3、如文档内容存在违规,或者侵犯商业秘密、侵犯著作权等,请点击“违规举报”。

碎片内容

长条、拼花实木地板施工工程质量管理

您可能关注的文档

确认删除?
VIP
微信客服
  • 扫码咨询
会员Q群
  • 会员专属群点击这里加入QQ群
客服邮箱
回到顶部