电脑桌面
添加小米粒文库到电脑桌面
安装后可以在桌面快捷访问

项目三水泥搅拌桩1VIP免费

项目三水泥搅拌桩1_第1页
1/10
项目三水泥搅拌桩1_第2页
2/10
项目三水泥搅拌桩1_第3页
3/10
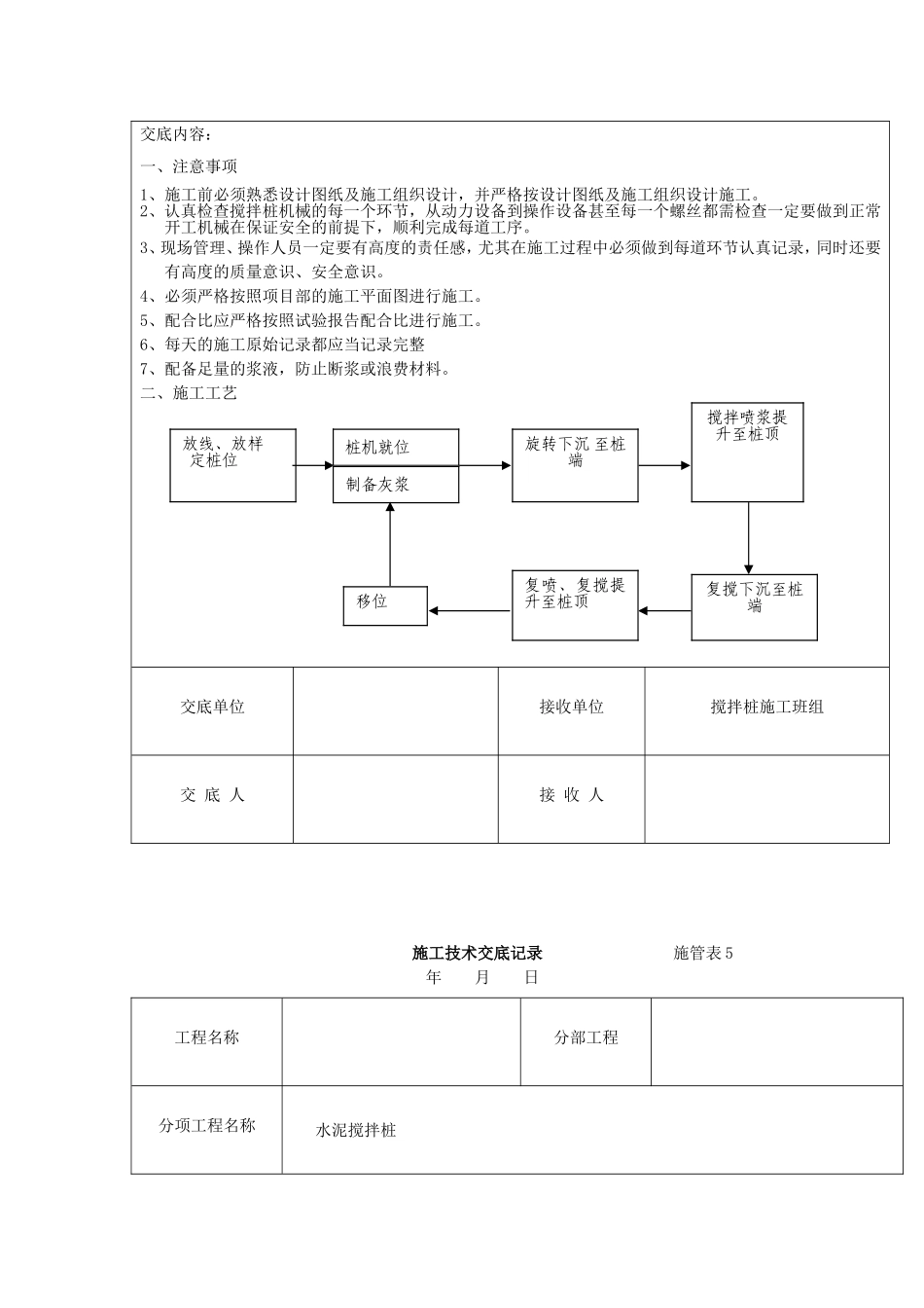
项目三水泥搅拌桩的施工一、项目要求某综合改造工程拆迁安置区(一期)Ⅰ标段。基坑设水泥搅拌桩用于防渗和坑底加固,采用42.5普通硅酸盐水泥,水泥掺入量为15%,折算为为每米桩长水泥用量为76.3kg/m,水灰比为0.55。内掺木钙0.2%和0.15%SN201-A型固化剂。空搅部分掺入量减半。水泥搅拌桩直径为600mm,中心距为450mm。水泥搅拌桩的水泥采用P.O.42.5水泥,水灰比小于0.55,水泥掺合比为15%,空搅部分掺量减半,内掺0.2%木钙和0.15%SN201—A型固化剂。成桩工艺要求四次搅拌二次喷射,提升速度小于0.55m/分,严格控制搅拌桩桩位及垂直度,保证搭接,搅拌桩施工采用功率大于45KW的设备。搅拌桩28天单轴无侧限抗压强度不低于0.8Mpa,施工时每48小时每台桩机取一组试块。水泥搅拌桩成桩应均匀、持续、无颈缩和断层。应尽量避免在喷射过程中出现断浆现象。如出现断浆,则应将搅拌头下沉(或提升)至停浆点以下(或以上)0.5m处,待恢复供浆时再重新喷射搅拌。相邻水泥搅拌桩施工间隔时间不大于18小时,并对水泥用量进行专门计量。时间要求:教学学时4课时。质量要求:符合建筑基坑工程监测技术规范(GB50497-2009);《建筑桩基技术规范》(JGJ94-2008)以及现行的建筑工程施工及验收规范、规程的要求。安全要求:无因工伤亡事故、无车辆机械设备事故。文明要求:符合工程所在地区文明施工标准化要求、建筑公司文明施工要求。环保要求:控制施工过程中的扬尘,减少施工噪音干扰,保护已有成品。二、项目分析水泥搅拌桩是一种应用较广泛的地基加固方法,根据水泥水化的化学机理,其施工工艺主要有两种:一种称为,先在地面把水泥制成水泥浆,然后送至地下与地基土搅和,待其固化后,使地基土的物理力学性能得到加强;另一种,采用压缩空气把干燥,松散状态的水泥粉直接送入地下与地基土拌和,利用地基土中的孔隙水进行水化反应后,再行固结,达到改良地基的目的。目前我国水泥搅拌桩施工较多采用“喷浆”工艺。所以本项目教学以“喷浆”工艺的水泥搅拌桩作为教学内容。三、项目路径根据设计及规范要求,结合场地实际情况,本工程采用双下沉双提升施工工艺,下沉搅拌,提升喷浆搅拌的成桩工艺,要求机组按下图的工艺流程图进行施工。放线、放样定桩位桩机就位制备灰浆旋转下沉至桩端搅拌喷浆提升至桩顶复搅下沉至桩端复喷、复搅提升至桩顶移位复搅下沉至桩端移位四、项目实施(一)实施步骤第一步:施工准备1、场地三通一平。清理施工现场的地下、地面及空中障碍,以利安全施工。2、机械设备材料进场。序号设备名称规格单位数量备注1水泥搅拌桩机SJB-Ⅱ型套22水泥搅拌桩机GPFZ-2型套160KW/台3输浆泵UBJ2套34灰浆搅拌机JW180套310KW/台5清浆泵台35KW水泥进场时必须有质量合格证书,出厂试验报告;在使用前按规范要求取样,检测结果合格报监理签字认可后方可使用。水泥现场堆放应注意防水防潮。3、人员安排:负责人:1人;机班长:6人;技术工:4人;普工:12人。4、技术交底。施工技术交底记录施管表5年月日工程名称分部工程路基分项工程名称水泥搅拌桩交底内容:一、注意事项1、施工前必须熟悉设计图纸及施工组织设计,并严格按设计图纸及施工组织设计施工。2、认真检查搅拌桩机械的每一个环节,从动力设备到操作设备甚至每一个螺丝都需检查一定要做到正常开工机械在保证安全的前提下,顺利完成每道工序。3、现场管理、操作人员一定要有高度的责任感,尤其在施工过程中必须做到每道环节认真记录,同时还要有高度的质量意识、安全意识。4、必须严格按照项目部的施工平面图进行施工。5、配合比应严格按照试验报告配合比进行施工。6、每天的施工原始记录都应当记录完整7、配备足量的浆液,防止断浆或浪费材料。二、施工工艺交底单位接收单位搅拌桩施工班组交底人接收人施工技术交底记录施管表5年月日工程名称分部工程分项工程名称水泥搅拌桩放线、放样定桩位桩机就位制备灰浆旋转下沉至桩端搅拌喷浆提升至桩顶复喷、复搅提升至桩顶移位复搅下沉至桩端交底内容:1.喷浆搅拌钻进、提升及复搅的速度均要控制在≤0.55m/min。2.制备好的浆液不得离析,泵送必须连续。3.成桩过程中,因故停止,恢复供浆...

1、当您付费下载文档后,您只拥有了使用权限,并不意味着购买了版权,文档只能用于自身使用,不得用于其他商业用途(如 [转卖]进行直接盈利或[编辑后售卖]进行间接盈利)。
2、本站所有内容均由合作方或网友上传,本站不对文档的完整性、权威性及其观点立场正确性做任何保证或承诺!文档内容仅供研究参考,付费前请自行鉴别。
3、如文档内容存在违规,或者侵犯商业秘密、侵犯著作权等,请点击“违规举报”。

碎片内容

项目三水泥搅拌桩1

确认删除?
VIP
微信客服
  • 扫码咨询
会员Q群
  • 会员专属群点击这里加入QQ群
客服邮箱
回到顶部