电脑桌面
添加小米粒文库到电脑桌面
安装后可以在桌面快捷访问

检验批(幕墙)VIP免费

检验批(幕墙)_第1页
1/8
检验批(幕墙)_第2页
2/8
检验批(幕墙)_第3页
3/8
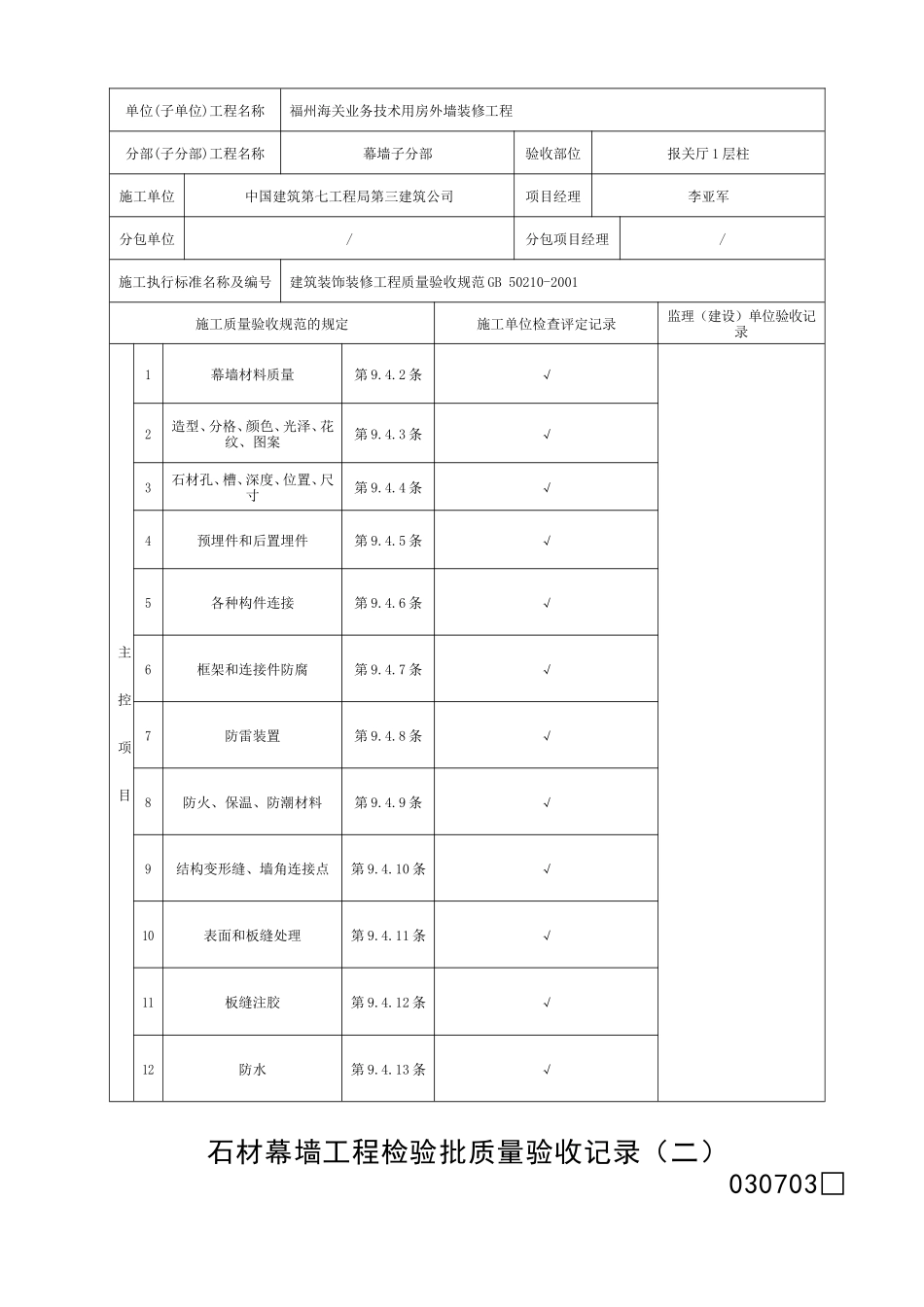
玻璃幕墙工程检验批质量验收记录(一)030701□□单位(子单位)工程名称福州海关业务技术用房大楼外幕墙工程分部(子分部)工程名称幕墙子分部验收部位报关厅2层南、西立面施工单位中国建筑第七工程局第三建筑公司项目经理李亚军分包单位/分包项目经理/施工执行标准名称及编号建筑装饰装修工程质量验收规范GB50210-2001施工质量验收规范的规定施工单位检查评定记录监理(建设)单位验收记录主控项目1各种材料、构件、组件第9.2.2条√2造型和立面分格第9.2.3条√3玻璃第9.2.4条√4与主体结构连接件第9.2.5条√5连接件紧固件螺栓第9.2.6条√6玻璃下端托条第9.2.7条√7明框幕墙玻璃安装第9.2.8条√8超过4m全玻璃幕墙安装第9.2.9条/9点支承幕墙安装第9.2.10条/10细部第9.2.11条√11幕墙防水第9.2.12条√12结构胶、密封胶打注第9.2.13条√13幕墙开启窗第9.2.14条√14防雷装置第9.2.15条√一般项目1幕墙表面质量第9.2.16条√2玻璃表面质量第9.2.17条√3铝合金型材表面质量第9.2.18条√4明框外露框或压条第9.2.19条√5密封胶缝第9.2.20条√6防火保温材料第9.2.21条√7隐蔽节点第9.2.22条√玻璃幕墙工程检验批质量验收记录(二)030701□□施工质量验收规范的规定施工单位检查评定记录监理(建设)单位验收记录一般项目8明框幕墙安装允许偏差(mm)幕墙垂直度幕墙高度≤30m10351632.52314.530m<幕墙高度≤60m15//////////60m<幕墙高度≤90m20//////////幕墙高度>90m25//////////幕墙水平度幕墙幅宽≤35m5122.50223.5211幕墙幅宽>35m7//////////构件直线度20.510.51△01011构件水平度构件长度≤2m2010②010.5100构件长度>35m3//////////相邻构件错位100.5①00.500.5①00分格框对角线长度差对角线长度≤2m321.5112200.523对角线长度>2m4//////////9隐框、半隐框玻璃幕墙安装允许偏差(mm)幕墙垂直度幕墙高长≤30m1030m<幕墙高度≤60m1560m<幕墙高度≤90m20幕墙高度>90m25幕墙水平度层高≤3m3层高>3m5幕墙表面平整度2板材立面垂直度2板材上沿水平度2相邻板材板角错位1阳角方正2接缝直线度3接缝高低差1接缝宽度1施工单位检查评定结果专业工长(施工员)施工班组长主控项目一般项目全部合格,符合设计及施工质量验收规范要求。项目专业质量检查员:年月日监理(建设)单位验收结论专业监理工程师:(建设单位项目专业技术负责人)年月日石材幕墙工程检验批质量验收记录(一)030703□□单位(子单位)工程名称福州海关业务技术用房外墙装修工程分部(子分部)工程名称幕墙子分部验收部位报关厅1层柱施工单位中国建筑第七工程局第三建筑公司项目经理李亚军分包单位/分包项目经理/施工执行标准名称及编号建筑装饰装修工程质量验收规范GB50210-2001施工质量验收规范的规定施工单位检查评定记录监理(建设)单位验收记录主控项目1幕墙材料质量第9.4.2条√2造型、分格、颜色、光泽、花纹、图案第9.4.3条√3石材孔、槽、深度、位置、尺寸第9.4.4条√4预埋件和后置埋件第9.4.5条√5各种构件连接第9.4.6条√6框架和连接件防腐第9.4.7条√7防雷装置第9.4.8条√8防火、保温、防潮材料第9.4.9条√9结构变形缝、墙角连接点第9.4.10条√10表面和板缝处理第9.4.11条√11板缝注胶第9.4.12条√12防水第9.4.13条√石材幕墙工程检验批质量验收记录(二)030703□□施工质量验收规范的规定施工单位检查评定记录监理(建设)单位验收记录一般项目1表面质量第9.4.14条√2压条第9.4.15条/3细部质量第9.4.16条√4密封胶缝第9.4.17条√5滴水线第9.4.18条√6石材表面质量第9.4.19条√7安装允许偏差(mm)幕墙垂直度幕墙高度≤30m102144.522.5454630m<幕墙高度≤60m15//////////60m<幕墙高度≤90m20//////////幕墙高度>9025//////////幕墙水平度3101.5101③101幕墙表面平整度光2√麻3101.511△0100板材立面垂直度31210211211板材上沿水平度21011.5011.5010相邻板材板角错位1001100.50010阳角方正光2√麻411.51.5111.51.5111接缝直线度光3√麻41211121.5201接缝高低差光1√麻-010①00.50000接缝宽度光1√麻200①00.50.500.50.50施工单位检查评定结果专业工长(施工员)施工班组长主控项目一般项目全部合格,符合设计及施工质量验收规范要求。项...

1、当您付费下载文档后,您只拥有了使用权限,并不意味着购买了版权,文档只能用于自身使用,不得用于其他商业用途(如 [转卖]进行直接盈利或[编辑后售卖]进行间接盈利)。
2、本站所有内容均由合作方或网友上传,本站不对文档的完整性、权威性及其观点立场正确性做任何保证或承诺!文档内容仅供研究参考,付费前请自行鉴别。
3、如文档内容存在违规,或者侵犯商业秘密、侵犯著作权等,请点击“违规举报”。

碎片内容

检验批(幕墙)

确认删除?
VIP
微信客服
  • 扫码咨询
会员Q群
  • 会员专属群点击这里加入QQ群
客服邮箱
回到顶部