电脑桌面
添加小米粒文库到电脑桌面
安装后可以在桌面快捷访问

液压油缸尺寸表VIP专享VIP免费

液压油缸尺寸表_第1页
1/26
液压油缸尺寸表_第2页
2/26
液压油缸尺寸表_第3页
3/26
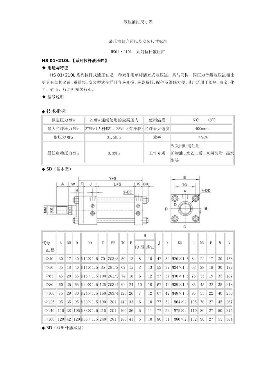
液压油缸尺寸表液压油缸介绍以及安装尺寸标准HS01·210L系列拉杆液压缸HS01•210L【系列拉杆液压缸】◆用途与特征HS01•210L系列拉杆式液压缸是一种双作用单杆活塞式液压缸,其与同构、同压力等级液压缸相比更具有结构紧凑、重量轻。安装型式多样且容易变换,易装易拆,配件及维修方便。其广泛用于塑料、冶金、化工、矿山、行走机械等行业。◆型号说明◆技术指标额定压力MPa21MPa连续使用的最高压力使用温度—5℃—+8℃最大允许压力MPa27MPa(无杆腔)、25MPa(有杆腔)允许最大速度400mm/s耐压力MPa31.5MPa效率>90%最低启动压力MPa0.3MPa工作介质※采用时请注明矿物油、水乙二醇、※磷酸脂、高水酯等◆SD(基本型)代号缸径ABBDDDEEETGFHJKKKLMMPWYFA型其它Φ40301740M12×1.570ZG3/850138104732M20×1.564221730156Φ50351846M14×1.585ZG1/262158135237M24×1.568281930172Φ63452055M16×1.5100ZG1/274186125737M30×1.575351935187Φ80602565M20×1.5125ZG3/4922410106742M39×1.585452235218Φ100752980M24×1.5160ZG3/4120267126742M48×1.595552240230Φ125953595M30×1.5190ZG1140336107752M64×2105702745267Φ14011038105M33×1.5215ZG1160366117752M72×2110802750275Φ16012042120M36×1.5240ZG1180415108051M80×2132902755304◆SD(双出杆基本型)液压油缸尺寸表代号缸径ABBDDDEEETGFZMJLZKKLMMPWΦ40301740M12×1.570ZG3/8501324447154M20×1.564221730Φ50351846M14×1.585ZG1/2621526252172M24×1.568281930Φ63452055M16×1.5100ZG1/2741829557185M30×1.575351935Φ80602565M20×1.5125ZG3/4922433767217M39×1.585452235Φ100752980M24×1.5160ZG3/41202636167231M48×1.595552240Φ125953595M30×1.5190ZG11403341577275M64×2105702745Φ14011038105M33×1.5215ZG11603643677286M72×2110802750Φ16012042120M36×1.5240ZG11804148480316M80×2132902755◆LA(切向脚架)代号缸径AABACAEAHALEEAMAOHASATKKKLMMSAUAYLWFA型其它Φ403011597742±0.1531ZG3/816168109815M20×1.5322211112215630Φ5035146397.555±0.1534ZG1/2191881311820M24×1.5372812014517230Φ6345187111363±0.1539ZG1/2191861214025M30×1.5373513217518735Φ80602280137.575±0.2546ZG3/42121101017530M39×1.5424515221021835液压油缸尺寸表Φ10075268916585±0.2544ZG3/4242371221535M48×1.5475516226023540Φ1259533106200105±0.2549ZG1292861027045M64×2577018233027245Φ14011033114219.5112±0.2549ZG1292861128045M72×2578018733528050Φ16012036127245125±0.2549ZG1313151031550M80×2629021237531555◆FA(杆侧长方法兰)代号缸径AABRDDEEETGJHTFFFKKUBMMUFWAYAFA型其它Φ40301150M12×1.570ZG3/850478109815M20×1.5732212228158Φ50351460M14×1.585ZG1/2625281311820M24×1.5882814525177Φ63451873M16×1.5100ZG1/2745761214024M30×1.51063517529193Φ80602290M20×1.5125ZG3/49267101017524M39×1.51304521035218Φ1007526115M24×1.5160ZG3/41206771221531M48×1.51655526035235Φ1259533145M30×1.5190ZG11407761027037M64×22057033041271Φ14011033160M33×1.5215ZG11607761128041M72×22188033545280Φ16012036180M36×1.5240ZG11808051031546M80×22439037550309◆FB(底部长方法兰)◆CA(单耳环型)液压油缸尺寸表代号缸径ABBZCDDEEETGFWHLRMRKKCDMMNWYFA型其它Φ403017276M12×1.570ZG3/850328102525M20×1.520223530156Φ503518312M14×1.585ZG1/262368133230M24×1.525284530172Φ634520357M16×1.5100ZG1/274406124035M30×1.531.5355535187Φ806025423M20×1.5125ZG3/4925010105040M39×1.540457035218Φ1007529475M24×1.5160ZG3/4120637126350M48×1.550558040235Φ1259535575M30×1.5190ZG1140806107963M64×2637010545272Φ14011038621M33×1.5215ZG1160806118971M72×2718011550280Φ16012042684M36×1.5240ZG118010051010080M80×2809012555315◆TC(中间较轴型)代号缸径ATCDDDEEETGTDHTLTRKKXGMMVCWPH(最小值)ZTFA型其它Φ4030730-0.340M12×1.570Z...

1、当您付费下载文档后,您只拥有了使用权限,并不意味着购买了版权,文档只能用于自身使用,不得用于其他商业用途(如 [转卖]进行直接盈利或[编辑后售卖]进行间接盈利)。
2、本站所有内容均由合作方或网友上传,本站不对文档的完整性、权威性及其观点立场正确性做任何保证或承诺!文档内容仅供研究参考,付费前请自行鉴别。
3、如文档内容存在违规,或者侵犯商业秘密、侵犯著作权等,请点击“违规举报”。

碎片内容

液压油缸尺寸表

确认删除?
VIP
微信客服
  • 扫码咨询
会员Q群
  • 会员专属群点击这里加入QQ群
客服邮箱
回到顶部