电脑桌面
添加小米粒文库到电脑桌面
安装后可以在桌面快捷访问

井道参数收集表空白VIP专享VIP免费

井道参数收集表空白_第1页
1/5
井道参数收集表空白_第2页
2/5
井道参数收集表空白_第3页
3/5
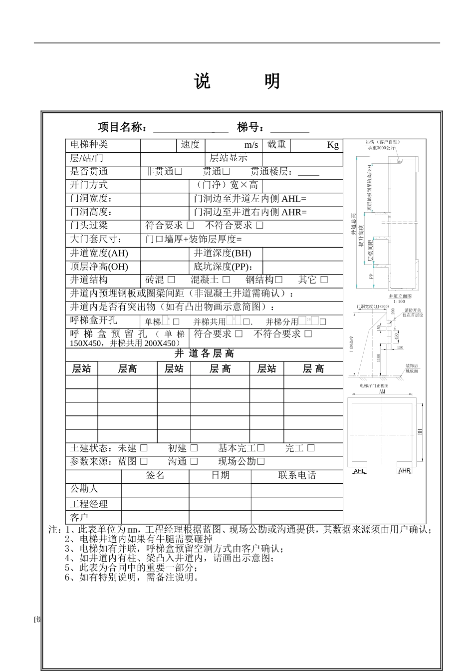
说明1、井道参数搜集表,是电梯合同签订的重要组成部分,准确填写井道参数搜集表是保证合同准确确签署的前提,需要工程经理配合业务经理确认电梯参数时准确填写;2、准确填写完成井道参数表后,和业主方技术人员确认参数表的内容准确性,无误后发公司商务部(同时发项目管理组备份),和商务部相对应技术服务工程师沟通,该井道参数是否满足客户合同要求,有异议及时和业主方沟通;3、沟通无误后,要求商务部对应技术服务工程师设计电梯公司井道布置图,根据商务部电梯井道布置图与客户进行技术交底,并落实后业主方签字确认;4、对客户愿意提供建筑蓝图(含电子档),尽可能要求业主提供,并同井道参数搜集表一并发商务部;5、要求井道参数表填写准确、详细,备注填写人姓名、电话、日期;6、井道施工过程需不定期与客户沟通或到现场公堪,以避免因施工蓝图变更而我司没有及时变更造成后期的错误。(无机房)电梯井道参数收集表[键入文字]项目名称:梯号:电梯种类速度m/s载重KgPP层楼间距提升高度顶层地板到吊钩底部OH井道总高吊钩(客户自理)承重3000公斤井道立面图1:100电梯厅门正视图装饰后地板面450150200门洞宽度(JJ+200)1100150门洞高度消防开关仅在首层设AHLAHRAMBH层/站/门层站显示是否贯通非贯通□贯通□贯通楼层:开门方式(门净)宽×高门洞宽度:门洞边至井道左内侧AHL=门洞高度:门洞边至井道右内侧AHR=门头过梁符合要求□不符合要求□大门套尺寸:门口墙厚+装饰层厚度=井道宽度(AH)井道深度(BH)顶层净高(OH)底坑深度(PP):井道结构砖混□混凝土□钢结构□其它□井道内预埋钢板或圈梁间距(非混凝土井道需确认):井道内是否有突出物(如有凸出物画示意简图):呼梯盒开孔单梯□并梯共用□.并梯分用□呼梯盒预留孔(单梯150X450,并梯共用200X450)符合要求□不符合要求□井道各层高层站层高层站层高层站层高土建状态:未建□初建□基本完工□完工□参数来源:蓝图□沟通□现场公勘□签名日期联系电话公勘人工程经理客户注:1、此表单位为mm,工程经理根据蓝图、现场公勘或沟通提供,其数据来源须由用户确认;2、电梯井道内如果有牛腿需要砸掉3、电梯如有并联,呼梯盒预留空洞方式由客户确认;4、如井道内有柱、梁凸入井道内,请画出示意图;5、此表为合同中的重要一部分;6、如有特别说明,需备注说明。(有机房)电梯井道参数收集表[键入文字]项目名称:梯号:电梯种类速度m/s载重Kg爬梯客户自理底坑防水处理客户自理层楼间距≤80底坑检修插座客户自理机房有效高度HM吊钩(客户自理)承重3000公斤OH底坑PP井道总高R4R3井道立面图1:100提升高度电梯厅门正视图装饰后地板面450150200门洞宽度(JJ+200)1100150门洞高度消防开关仅在首层设AHLAHRAMBH层/站/门层站显示是否贯通非贯通□贯通□贯通楼层开门方式(门净)宽×高门洞宽度:门洞边至井道左内侧AHL=门洞高度:门洞边至井道右内侧AHR=门头过梁符合要求□不符合要求□大门套尺寸:门口墙厚+装饰层厚度=井道宽度(AM)井道深度(BH)顶层高度(OH)底坑深度(PP)机房宽度机房深度机房预留孔及承重台符合要求□.不符合要求□安装主机地面至吊钩下净高度(HM)井道结构砖混□混凝土□钢结构□其它□井道内预埋钢板或圈梁间距(非混凝土井道需确认):井道内是否有突出物(如有凸出物画示意简图):呼梯盒开孔单梯□并梯共用□.并梯分用□呼梯盒预留孔(单梯150X450,并梯共用200X450)符合要求□不符合要求□井道各层高层站层高层站层高层站层高土建状态:未建□初建□基本完工□完工□参数来源:蓝图□沟通□现场公勘□签名日期联系电话公勘人工程经理客户注:1、此表单位为mm,工程经理根据蓝图、现场公勘或沟通提供,其数据来源须由用户确认;2、电梯井道内如果有牛腿需要砸掉3、电梯如有并联,呼梯盒预留空洞方式由客户确认;4、如井道内有柱、梁凸入井道内,请画出示意图;5、此表为合同中的重要一部分;6、如有特别说明,需备注说明。项目名称:梯号:M=排水孔(用户自理)R2R1L=(用户自理)三角形挡板KJBB(楼板预留吊挂孔)H=D1010(用户自理)1700≥CADB1:20A(用户自理)(用户自理)×××开脚圆钢16150,6根在上...

1、当您付费下载文档后,您只拥有了使用权限,并不意味着购买了版权,文档只能用于自身使用,不得用于其他商业用途(如 [转卖]进行直接盈利或[编辑后售卖]进行间接盈利)。
2、本站所有内容均由合作方或网友上传,本站不对文档的完整性、权威性及其观点立场正确性做任何保证或承诺!文档内容仅供研究参考,付费前请自行鉴别。
3、如文档内容存在违规,或者侵犯商业秘密、侵犯著作权等,请点击“违规举报”。

碎片内容

井道参数收集表空白

海纳百川+ 关注
实名认证
内容提供者

热爱教学事业,对互联网知识分享很感兴趣

确认删除?
VIP
微信客服
  • 扫码咨询
会员Q群
  • 会员专属群点击这里加入QQ群
客服邮箱
回到顶部