电脑桌面
添加小米粒文库到电脑桌面
安装后可以在桌面快捷访问

设计任务及基本要求VIP免费

设计任务及基本要求_第1页
1/8
设计任务及基本要求_第2页
2/8
设计任务及基本要求_第3页
3/8
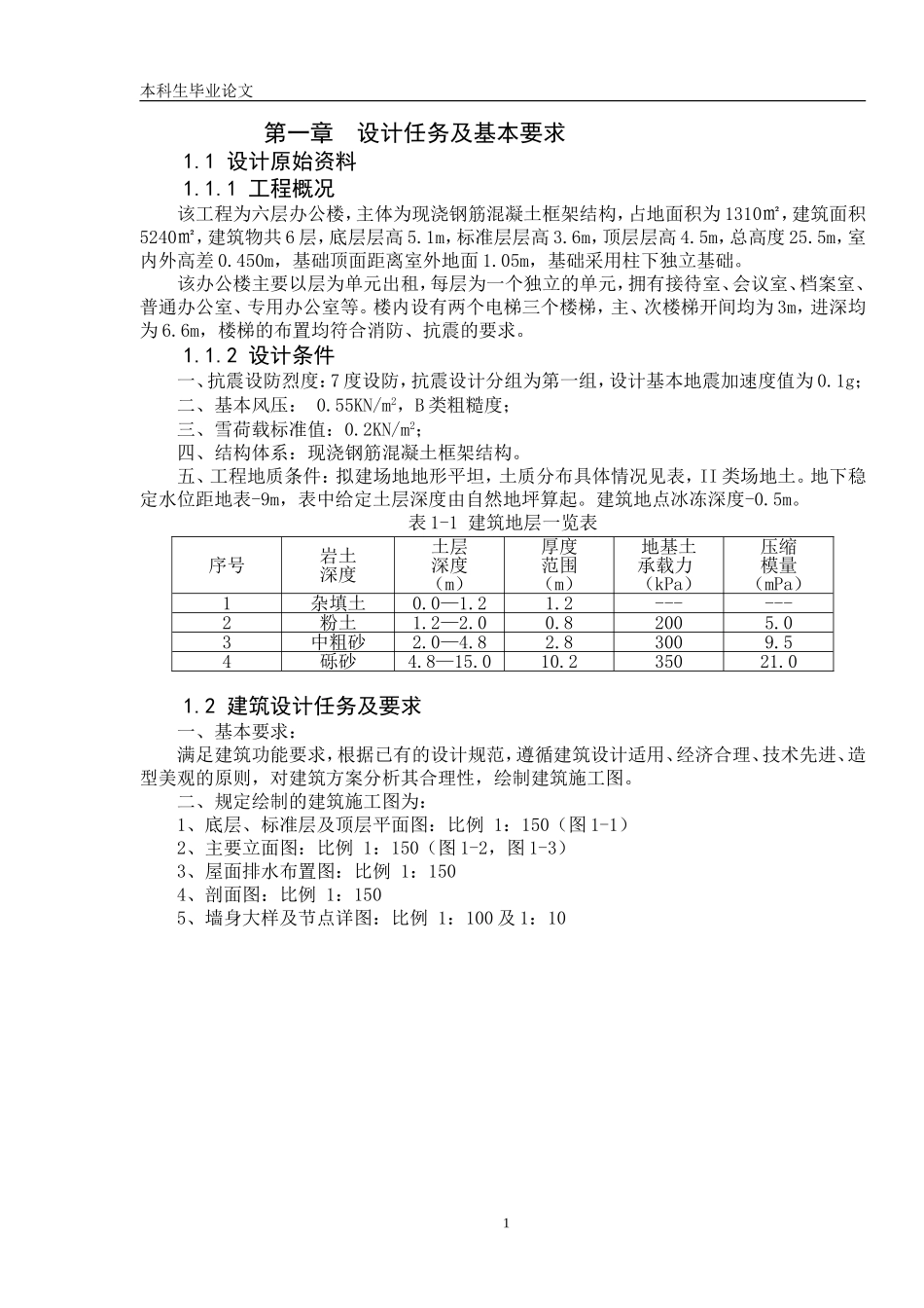
本科生毕业论文第一章设计任务及基本要求1.1设计原始资料1.1.1工程概况该工程为六层办公楼,主体为现浇钢筋混凝土框架结构,占地面积为1310㎡,建筑面积5240㎡,建筑物共6层,底层层高5.1m,标准层层高3.6m,顶层层高4.5m,总高度25.5m,室内外高差0.450m,基础顶面距离室外地面1.05m,基础采用柱下独立基础。该办公楼主要以层为单元出租,每层为一个独立的单元,拥有接待室、会议室、档案室、普通办公室、专用办公室等。楼内设有两个电梯三个楼梯,主、次楼梯开间均为3m,进深均为6.6m,楼梯的布置均符合消防、抗震的要求。1.1.2设计条件一、抗震设防烈度:7度设防,抗震设计分组为第一组,设计基本地震加速度值为0.1g;二、基本风压:0.55KN/m2,B类粗糙度;三、雪荷载标准值:0.2KN/m2;四、结构体系:现浇钢筋混凝土框架结构。五、工程地质条件:拟建场地地形平坦,土质分布具体情况见表,II类场地土。地下稳定水位距地表-9m,表中给定土层深度由自然地坪算起。建筑地点冰冻深度-0.5m。表1-1建筑地层一览表序号岩土深度土层深度(m)厚度范围(m)地基土承载力(kPa)压缩模量(mPa)1杂填土0.0—1.21.2------2粉土1.2—2.00.82005.03中粗砂2.0—4.82.83009.54砾砂4.8—15.010.235021.01.2建筑设计任务及要求一、基本要求:满足建筑功能要求,根据已有的设计规范,遵循建筑设计适用、经济合理、技术先进、造型美观的原则,对建筑方案分析其合理性,绘制建筑施工图。二、规定绘制的建筑施工图为:1、底层、标准层及顶层平面图:比例1:150(图1-1)2、主要立面图:比例1:150(图1-2,图1-3)3、屋面排水布置图:比例1:1504、剖面图:比例1:1505、墙身大样及节点详图:比例1:100及1:101本科生毕业论文图1-1标准层平面图2本科生毕业论文图1-2-轴立面图3本科生毕业论文图1-3-轴立面图4本科生毕业论文1.3结构设计任务及要求一、基本要求:在建筑方案设计的基础上,正确选择合理的结构形式,结构体系和结构布置掌握高层建筑结构的计算方法和基本构造要求,绘制施工详图。二、规定绘制的结构施工图为:1、结构平面布置图:比例1:1502、一榀框架结构配筋图:比例1:1503、屋面板、楼面板的配筋图:比例1:1504、楼梯配筋图:比例1:1005、基础设计图:1张三、结构设计计算书内容:说明结构方案如何确定的,材料选择。列出结构设计计算过程中采用的计算方法、计算假定、计算原则、计算简图、内力图及计算结果。第二章建筑设计说明2.1建筑平面设计2.1.1建筑平面布置一、建筑结构方案:对于建筑物的土质和所在地区的抗震等要求,选择框架结构和桩基础,具体见结构施工图。二、平面组合:对于办公楼来说,首先要保证其用途,并且符合经济合理的要求,在平面布置上符合抗震和消防的要求,已经在办公楼适合的位置设置抗震缝。在消防方面楼梯的布置和走廊的长度、宽度均已符合设计规范要求。三、交通组织及防火疏散设计:在垂直的交通方面,在适合的位置都已设置了楼梯,并加设了消防通道。考虑到防火疏散的要求,办公楼楼的走廊适当的放宽。四、采光通风:根据该建筑物的性质,将窗台安排到离地面900mm的高度,以保证有足够的采光和通风。2.1.2柱网布置5本科生毕业论文图2-1柱网布置图2.2剖面设计2.2.1房间各部分高度1、层高和净高:底层层高5.1m,净高3.5m;标准层层高3.6m,净高3.5m;顶层层高4.5m,净高4.4m。2、室内外高差:0.45m。3、窗面及窗高:窗面距楼面为0.9m,窗高为1.8m。2.2.2屋面构造说明(从上到下)1、保护层;现浇40厚细石混凝土2、防水层:捷罗克防水层(厚8mm)3、找平层:20厚1:3水泥砂浆找平4、保温兼找坡层:膨胀珍珠岩砂浆找坡(平均厚140mm)5、结构层:100厚钢筋混凝土屋面板6、10厚纸浆石灰泥粉平7、V型轻钢龙骨吊顶2.2.3楼面构造说明(从上到下)1、面层:水磨石地面(10mm面层,20mm水泥砂浆打底)2、结构层:100厚钢筋混凝土楼面板3、10厚纸浆石灰泥粉平6本科生毕业论文4、V型轻钢龙骨吊顶2.2.4地面构造说明(从上到下)1、面层:水磨石地面(10mm面层,20mm水泥砂浆打底)2、结构层:100厚钢筋混凝土楼面板3、70厚碎石或碎砖4、素土夯实2.2.5墙体构造说...

1、当您付费下载文档后,您只拥有了使用权限,并不意味着购买了版权,文档只能用于自身使用,不得用于其他商业用途(如 [转卖]进行直接盈利或[编辑后售卖]进行间接盈利)。
2、本站所有内容均由合作方或网友上传,本站不对文档的完整性、权威性及其观点立场正确性做任何保证或承诺!文档内容仅供研究参考,付费前请自行鉴别。
3、如文档内容存在违规,或者侵犯商业秘密、侵犯著作权等,请点击“违规举报”。

碎片内容

设计任务及基本要求

确认删除?
VIP
微信客服
  • 扫码咨询
会员Q群
  • 会员专属群点击这里加入QQ群
客服邮箱
回到顶部