电脑桌面
添加小米粒文库到电脑桌面
安装后可以在桌面快捷访问

液压缸设计规范VIP免费

液压缸设计规范_第1页
1/21
液压缸设计规范_第2页
2/21
液压缸设计规范_第3页
3/21
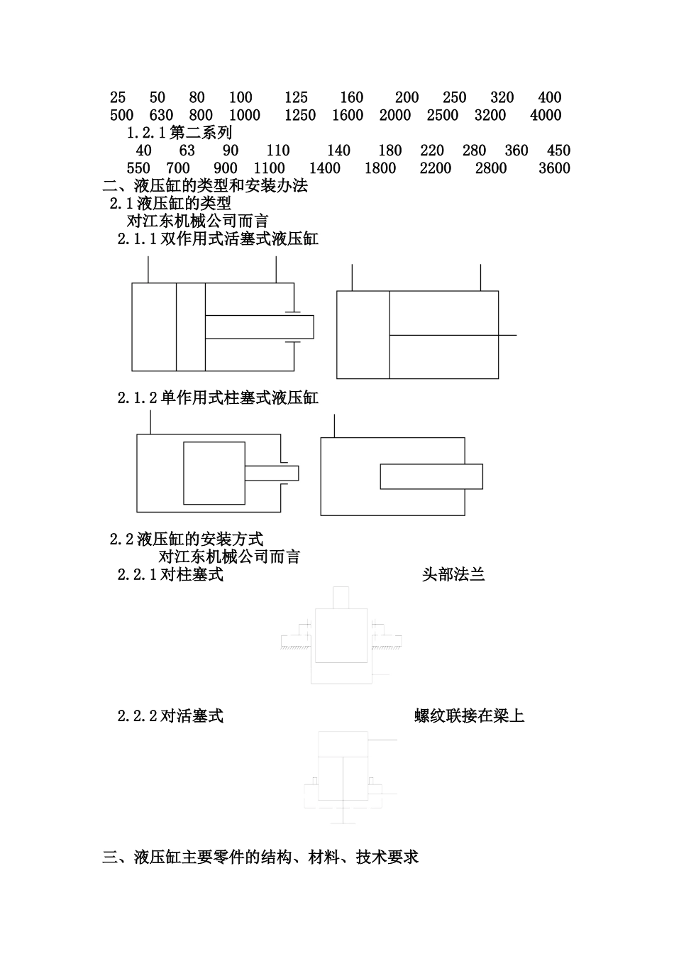
液压缸的设计计算规范目录:一、液压缸的基本参数1、液压缸内径及活塞杆外径尺寸系列2、液压缸行程系列(GB2349-1980)二、液压缸类型及安装方式1、液压缸类型2、液压缸安装方式三、液压缸的主要零件的结构、材料、及技术要求1、缸体2、缸盖(导向套)3、缸体及联接形式4、活塞头5、活寒杆6、活塞杆的密封和防尘7、缓冲装置8、排气装置9、液压缸的安装联接部分(GB/T2878)四、液压缸的设计计算1、液压缸的设计计算部骤2、液压缸性能参数计算3、液压缸几何尺寸计算4、液压缸结构参数计算5、液压缸的联接计算一、液压缸的基本参数1.1液压缸内径及活塞杆外径尺寸系列1.1.1液压缸内径系列(GB/T2348-1993)810121620253240506380(90)100(110)125(140)160(180)200220(250)(280)320(360)400450500括号内为优先选取尺寸1.1.2活塞杆外径尺寸系列(GB/T2348-1993)456810121416182022252832364045505663708090100110125140160180200220250280320360活塞杆连接螺纹型式按细牙,规格和长度查有关资料。1.2液压缸的行程系列(GB2349-1980)1.2.1第一系列25508010012516020025032040050063080010001250160020002500320040001.2.1第二系列406390110140180220280360450550700900110014001800220028003600二、液压缸的类型和安装办法2.1液压缸的类型对江东机械公司而言2.1.1双作用式活塞式液压缸2.1.2单作用式柱塞式液压缸2.2液压缸的安装方式对江东机械公司而言2.2.1对柱塞式头部法兰2.2.2对活塞式螺纹联接在梁上三、液压缸主要零件的结构、材料、技术要求3.1缸体3.1.1缸体材料A焊接缸头缸底等,采用35钢粗加工后调质[σ]=110MPaB一般情况采用45钢HB241-285[σ]=120MPaC铸钢采用ZG310-57[σ]=100MPaD球墨铸铁(江东厂采用)QT50-7[σ]=80-90MPaE无缝纲管调质(35号45号)[σ]=110MPa3.1.2缸体技术要求A内径H8H9精度粗糙度(垳磨)B内径圆度9-11级圆柱度8级3.2缸盖(导向套)3.2.1缸盖材料A可选35,45号锻钢B可选用ZG35,ZG45铸钢C可选用HT200HT300HT350铸铁D当缸盖又是导向导时选铸铁3.2.2缸盖技术要求A直径d(同缸内径)等各种回转面(不含密封圈)圆柱度按9、10、11级精度B内外圆同轴度公差0.03mmC与油缸的配合端面⊥按7级D导向面表面粗糙度3.2.3联接形式多种可按图133.2.4活塞头(耐磨)A材料灰铸铁HT200HT300钢35、45B技术要求外径D(缸内径)与内孔D1↗按7、8级外径D的圆柱度9、10、11级端面与内孔D1的⊥按7级C活塞头与活塞杆的联接方式按图3形式D活塞头与缸内径的密封方式柱寒缸40MPa以下V型组合移动部分活塞缸32MPa以下用Yx型移动部分静止部分32MPa以下用“O“型3.2.5活塞杆A端部结构按江东厂常用结构图17、18B活塞杆结构空心杆实心杆C材料实心杆35、45钢空心杆35、45无缝缸管D技术要求粗加工后调质HB229-285可高频淬火HRC45-55外圆圆度公差按9、10、11级精度圆柱度按8级两外圆↗为0.01mm端面⊥按7级工作表面粗糙度<(江东镀铬深度0.05mm)渡后抛光3.2.6活塞杆的导向、密封、和防尘A导向套结构图9(江东常用)导向杆材料可用铸铁、球铁导向套技术要求内径H8/f8、H8/f9表面粗糙度B活塞杆的密封与防尘柱塞缸V型组合移动部分活塞缸Yx移动部分“O”型(静止密封)防尘,毛毡圈(江东常用)3.2.7液压缸缓冲装置多路节流形式缓冲参考教科书3.2.8排气装置采用排气螺钉3.2.9液压缸的安装联接部分的型式及尺寸可用螺纹联接(细牙)油口部位可用法兰压板联接油口部位液压缸安装可按图84液压缸的设计计算4.1液压缸的设计计算部骤4.1.1根据主机的运动要求定缸的类型选择安装方式4.1.2根据主机的动力分析和运动分析确定液压缸的主要性能参数和主要尺寸如推力速度作用时间内径行程杆径注:负载决定了压力。速度决定流量。4.1.3根据选定的工作压力,和材料进行液压缸结构设计如缸体壁厚缸底厚度、结构、密封形式、排气、缓冲等4.1.4液压缸的性能验算4.2液压缸性能参数的计算4.2.1液压缸的输出力A液压缸单杆、活塞和柱塞缸推力F1(液压缸的输出按负载F决定)F1=P1A1×103P1-工作压力(MPa)(按工作母机选定液压机选25MPa)F1-推力(kN)A1-活塞与柱塞的作用面积(㎡)A1=πD2/4D-活塞...

1、当您付费下载文档后,您只拥有了使用权限,并不意味着购买了版权,文档只能用于自身使用,不得用于其他商业用途(如 [转卖]进行直接盈利或[编辑后售卖]进行间接盈利)。
2、本站所有内容均由合作方或网友上传,本站不对文档的完整性、权威性及其观点立场正确性做任何保证或承诺!文档内容仅供研究参考,付费前请自行鉴别。
3、如文档内容存在违规,或者侵犯商业秘密、侵犯著作权等,请点击“违规举报”。

碎片内容

液压缸设计规范

确认删除?
VIP
微信客服
  • 扫码咨询
会员Q群
  • 会员专属群点击这里加入QQ群
客服邮箱
回到顶部