电脑桌面
添加小米粒文库到电脑桌面
安装后可以在桌面快捷访问

站内工艺管道VIP专享VIP免费

站内工艺管道_第1页
1/12
站内工艺管道_第2页
2/12
站内工艺管道_第3页
3/12
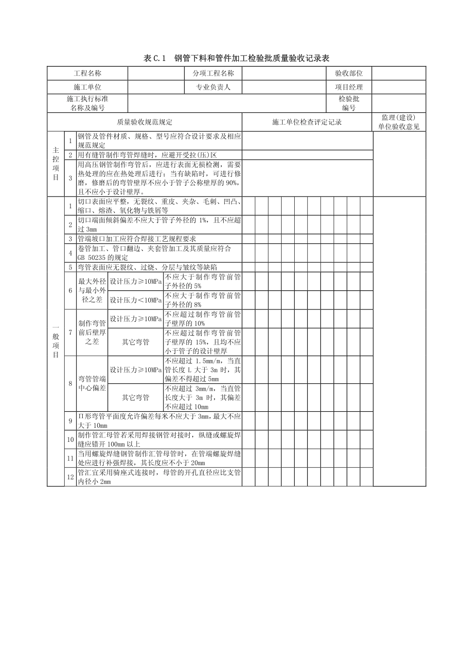
表1站内工艺管道分部工程、分项工程、检验批划分表分部工程分项工程检验批钢管下料和管件加工钢管下料和管件加工管道安装管道安装管道组对管道组对和焊接管道焊接管沟开挖管沟开挖、下沟和回填管道下沟和管沟回填管道系统吹扫和试压管道吹扫和试压管道防腐站内工艺管道工程管道防腐和保温管道保温1表B.1站内工艺管道工程质量控制资料核查记录表工程名称施工单位序号项目资料名称份数核查意见核查人1图纸会审、设计变更、洽商记录2管材、管件、阀门、防腐保温材料的出厂质量证明书或合格证、复验报告3阀门试压记录、安全阀定压检验报告或记录4焊材出厂质量证明书或合格证、复验报告5施焊焊工合格证书6焊接工艺评定报告7无损检测报告8管道系统强度、严密性试验及吹扫记录9隐蔽工程验收记录10站内工艺管道工程质量验收记录表C.1钢管下料和管件加工检验批质量验收记录表工程名称分项工程名称验收部位施工单位专业负责人项目经理施工执行标准名称及编号检验批编号质量验收规范规定施工单位检查评定记录监理(建设)单位验收意见1钢管及管件材质、规格、型号应符合设计要求及相应规范规定2用有缝管制作弯管焊缝时,应避开受拉(压)区主控项目3用高压钢管制作弯管后,应进行表面无损检测,需要热处理的应在热处理后进行;当有缺陷时,可进行修磨,修磨后的弯管壁厚不应小于管子公称壁厚的90%,且不应小于设计壁厚。1切口表面应平整,无裂纹、重皮、夹杂、毛刺、凹凸、缩口、熔渣、氧化物与铁屑等2切口端面倾斜偏差不应大于管子外径的1%,且不应超过3mm3管端坡口加工应符合焊接工艺规程要求4卷管加工、管口翻边、夹套管加工及其质量应符合GB50235的规定5弯管表面应无裂纹、过烧、分层与皱纹等缺陷设计压力≥10MPa不应大于制作弯管前管子外径的5%6最大外径与最小外径之差设计压力<10MPa不应大于制作弯管前管子外径的8%设计压力≥10MPa不应超过制作弯管前管子壁厚的10%7制作弯管前后壁厚之差其它弯管不应超过制作弯管前管子壁厚的15%,且均不应小于管子的设计壁厚设计压力≥10MPa不应超过1.5mm/m,当直管长度L大于3m时,其偏差不得超过5mm8弯管管端中心偏差其它弯管不应超过3mm/m,当直管长度大于3m时,其偏差不应超过10mm9Π形弯管平面度允许偏差每米不应大于3mm,最大不应大于10mm10制作管汇母管若采用焊接钢管对接时,纵缝或螺旋焊缝应错开100mm以上11当用螺旋焊缝钢管制作汇管母管时,在管端螺旋焊缝处应进行补强焊接,其长度应不小于20mm一般项目12管汇宜采用骑座式连接时,母管的开孔直径应比支管内径小2mm表C.1(续)工程名称分项工程名称验收部位施工单位专业负责人项目经理施工执行标准名称及编号检验批编号质量验收规范规定施工单位检查评定记录监理(建设)单位验收意见子管与鞍口的角度β45°破口角度α45°~60°根部间隙b1.5~2.590°~105°钝边p0~1.5子管与鞍口的角度β45°~90°破口角度α60°根部间隙b1.5~2.513骑座式管汇子管坡口及角接接头接头夹角105°~150°钝边p0~1.5坡口角度应为45°~60°,其允许偏差±2.5º14管汇采用插入式连接时应在母管上开孔并加工坡口孔与子管外径间隙0.5mm~2mm。子管插入深度不得超过母管内壁母管总长±5mm子管间距±3mm子管与母管两中心线的相对偏移±1.5mm子管法兰接管长度±1.5mm≤300≤1法兰水平度或垂直度子管直径mm>300≤2≤100≤L/1000,最大15mm一般项目15管汇组对的允许偏差母管直线度母管公称直径mm>100≤2L/1000,最大15mm施工单位检查评定结果项目专业质量检查员年月日监理(建设)单位验收结论监理工程师(建设单位项目代表)年月日表C.2管道安装检验批质量验收记录表工程名称分项工程名称验收部位施工单位专业负责人项目经理施工执行标准名称及编号检验批编号质量验收规范规定施工单位检查评定记录监理(建设)单位验收意见1管道及管件材质、规格、型号应符合设计要求和规范规定主控项目2安全阀调校应符合设计要求和规范规定1管道补偿器安装前,应按设计规定进行预拉伸(预压缩),其允许偏差为±10mm2管道支架、托架、吊架及管卡的选用及安装应按设计选用,安装位置应符合设计要求,安装方法正确。滑动支架应保证沿轴向滑动无阻...

1、当您付费下载文档后,您只拥有了使用权限,并不意味着购买了版权,文档只能用于自身使用,不得用于其他商业用途(如 [转卖]进行直接盈利或[编辑后售卖]进行间接盈利)。
2、本站所有内容均由合作方或网友上传,本站不对文档的完整性、权威性及其观点立场正确性做任何保证或承诺!文档内容仅供研究参考,付费前请自行鉴别。
3、如文档内容存在违规,或者侵犯商业秘密、侵犯著作权等,请点击“违规举报”。

碎片内容

站内工艺管道

确认删除?
VIP
微信客服
  • 扫码咨询
会员Q群
  • 会员专属群点击这里加入QQ群
客服邮箱
回到顶部