电脑桌面
添加小米粒文库到电脑桌面
安装后可以在桌面快捷访问

长安铃木全新天语SX4维修手册6VIP免费

长安铃木全新天语SX4维修手册6_第1页
1/10
长安铃木全新天语SX4维修手册6_第2页
2/10
长安铃木全新天语SX4维修手册6_第3页
3/10
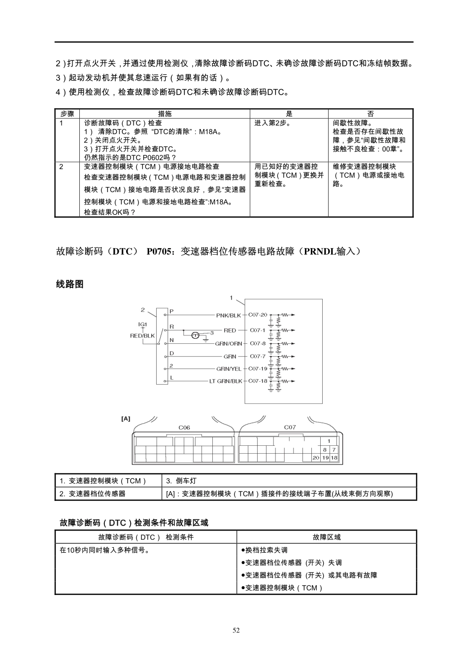
故障诊断3离车修理情况可能原因修正/参考项目油泵故障检查.如果不行(NG),更换.行星齿轮卡滞或断裂检查.如果不行(NG),更换.No.2单向离合器故障检查.如果不行(NG),更换.驱动板损坏检查.如果不行(NG),更换.在所有档程内均不能运行液力变矩器故障更换.2档/4档制动器故障检查.如果不行(NG),更换.1→2换档不良,换档冲击过大或打滑No.1单向离合器故障检查.如果不行(NG),更换O/D档离合器故障检查.如果不行(NG),更换.2→3换档不良,换档冲击过大或打滑2档/4档制动器故障检查.如果不行(NG),更换滑行离合器故障检查.如果不行(NG),更换.0号单向离合器故障检查.如果不行(NG),更换.3↔4档(O/D)换档不良,换档冲击过大或打滑2档/4档制动器故障检查.如果不行(NG),更换.TCC(锁止)系统不工作。阀体组件故障更换.油泵故障检查.如果不行(NG),更换.油滤器堵塞。更换。前进档离合器故障检查.如果不行(NG),更换.0号和/或1号单向离合器故障检查.如果不行(NG),更换.“N”→“D”时滞过长“D”档程油压回路泄漏检修或更换阀体总成。油泵故障检查.如果不行(NG),更换倒车档离合器故障检查.如果不行(NG),更换.油滤器堵塞。更换。第1档和倒车档制动器故障检查.如果不行(NG),更换.“N”→“R”时滞过长“D”档程油压回路泄漏检修或更换阀体总成向下换档至“2”档时,发动机制动不良3档/4档制动器故障检查.如果不行(NG),更换.向下换档至“L”档时,发动机制动不良1档/倒档制动器故障检查.如果不行(NG),更换故障诊断码DTCP0602:控制模块编程错误系统说明发动机控制模块(ECM)中安装了内部控制模块。故障诊断码DTC检测条件和故障区域故障诊断码DTC检测条件故障区域数据编程错误(1驾驶循环检测逻辑)变速器控制模块(TCM)故障诊断码DTC确认程序1)在点火开关关闭OFF的情况下,将检测仪连接到数据集线器(DLC)。512)打开点火开关,并通过使用检测仪,清除故障诊断码DTC、未确诊故障诊断码DTC和冻结帧数据。3)起动发动机并使其怠速运行(如果有的话)。4)使用检测仪,检查故障诊断码DTC和未确诊故障诊断码DTC。步骤措施是否1诊断故障码(DTC)检查1)清除DTC。参照“DTC的清除”:M18A。2)关闭点火开关。3)打开点火开关并检查DTC。仍然指示的是DTCP0602吗?进入第2步。间歇性故障。检查是否存在间歇性故障,参见“间歇性故障和接触不良检查:00章”。2变速器控制模块(TCM)电源接地电路检查检查变速器控制模块(TCM)电源电路和变速器控制模块(TCM)接地电路是否状况良好,参见“变速器控制模块(TCM)电源和接地电路检查”:M18A。检查结果OK吗?用已知好的变速器控制模块(TCM)更换并重新检查。维修变速器控制模块(TCM)电源或接地电路。故障诊断码(DTC)P0705:变速器档位传感器电路故障(PRNDL输入)线路图1.变速器控制模块(TCM)3.倒车灯2.变速器档位传感器[A]:变速器控制模块(TCM)插接件的接线端子布置(从线束侧方向观察)故障诊断码(DTC)检测条件和故障区域故障诊断码(DTC)检测条件故障区域●换档拉索失调●变速器档位传感器(开关)失调●变速器档位传感器(开关)或其电路有故障在10秒内同时输入多种信号。●变速器控制模块(TCM)52故障诊断码(DTC)确认程序1)将检测仪连接到数据集线器(DLC)前,将点火开关OFF。2)通过使用检测仪清除变速器控制模块(TCM)存储器中的故障诊断码(DTC)。3)起动发动机并将换档选择杆置于“D”档程。4)让发动机怠速运行25秒或更长时间。5)停车和检查故障诊断码(DTC)。故障诊断码(DTC)故障检修步骤措施是否1进行了“自动变速器(A/T)系统检查”吗?到第2步。到“自动变速器(A/T)系统检查”:M18A。2你有长安铃木检测仪?到第3步。到第4步。3检查变速器档位传感器(开关)电路工作情况用长安铃木检测仪检查:1)将长安铃木检测仪连接到数据集线器(DLC)前,将点火开关OFF。2)接通点火开关ON,当将换档选择杆置于各档程时,检查显示器上的变速器档程信号(“P”,“R”,“N”,“D”,“2”或“L”)。有相应的档程指示吗?间歇故障。检查间歇故障,参见“间歇性故障和接触不良的检查:00章”。到第...

1、当您付费下载文档后,您只拥有了使用权限,并不意味着购买了版权,文档只能用于自身使用,不得用于其他商业用途(如 [转卖]进行直接盈利或[编辑后售卖]进行间接盈利)。
2、本站所有内容均由合作方或网友上传,本站不对文档的完整性、权威性及其观点立场正确性做任何保证或承诺!文档内容仅供研究参考,付费前请自行鉴别。
3、如文档内容存在违规,或者侵犯商业秘密、侵犯著作权等,请点击“违规举报”。

碎片内容

长安铃木全新天语SX4维修手册6

您可能关注的文档

确认删除?
VIP
微信客服
  • 扫码咨询
会员Q群
  • 会员专属群点击这里加入QQ群
客服邮箱
回到顶部