电脑桌面
添加小米粒文库到电脑桌面
安装后可以在桌面快捷访问

石材幕墙QC成果VIP免费

石材幕墙QC成果_第1页
1/10
石材幕墙QC成果_第2页
2/10
石材幕墙QC成果_第3页
3/10
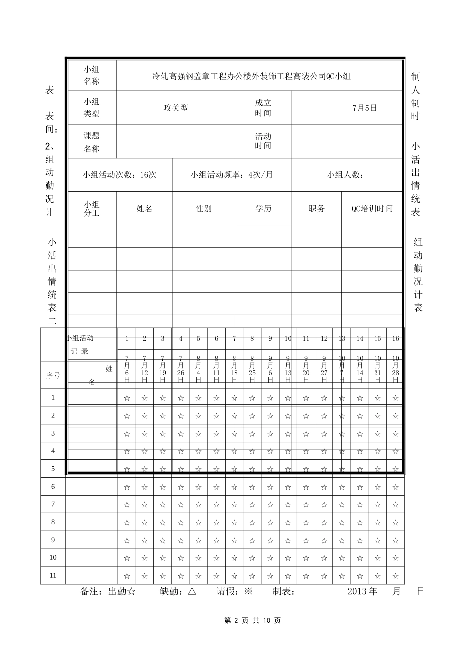
火烧面花岗岩石材饰面干挂施工质量控制本钢冷轧高强钢改造工程办公楼外装饰工程高装公司QC小组一、工程概况工程名称:本钢冷轧高强钢改造工程办公楼外装饰项目工程地点:位于本溪市平山区桥北工业园区北嫒线以南)结构类型:框架结构六层,其中地上五层,地下一层建设单位:本钢第三冷轧厂设计单位:中冶南方设计院设计监理单位:本钢监理有限公司监理总包单位:本钢建设总公司施工单位:本溪钢铁(集团)建设高级装修有限公司地面粗糙度类型:B类抗震设计烈度:七度建筑标高:最大标高23.9m本工程幕墙面积共8400㎡,其中石材幕墙工程面积为7400㎡,玻璃幕墙面积为1400㎡,因玻璃幕墙施工面积较小,所以干挂石材幕墙装饰工程施工是本项工程的关键。本工程石材幕墙竖向主龙骨采用的是100mm×48mm×5.3mm热镀锌Q235B优质槽钢;横向次龙骨采用的是L50×5mm的热镀锌Q235B优质角钢;挂件均按国家标准,选用不锈钢挂件套装;石材选用25mm厚火烧面花岗岩;密封胶采用中性硅酮耐候密封胶;结构胶采用环氧树脂结构胶。二、小组概况1、小组简介为了保证干挂石材达到装饰设计要求,保证干挂石材表面平整度、阴阳角方正度、拼缝平直度控制在1mm以内,提高干挂石材幕墙饰面装饰质量的目的,针对本工程特点,特此组件了QC小组,负责对干挂石材幕墙施工质量控制进行管理活动。小组共人,全组人员均接受过QC小组专业知识的培训,每月活动4次,每次活动3小时左右,共活动16次,施工技术管理能力强,人员搭配合理,其组员简历见表一。小组名称:冷轧高强钢改造工程办公楼外装饰工程高装公司QC小组成立时间:2013年7月5日小组人数:人平均年龄:岁小组类型:攻关型小组成员简历表表一第1页共10页制表人制表时间:2、小组活动出勤情况统计表小组活动出勤情况统计表表二小组活动记录123456789101112131415167月6日7月12日7月19日7月26日8月4日8月11日8月18日8月25日9月6日9月13日9月20日9月27日10月7日10月14日10月21日10月28日序号姓名1☆☆☆☆☆☆☆☆☆☆☆☆☆☆☆☆2☆☆☆☆☆☆☆☆☆☆☆☆☆☆☆☆3☆☆☆☆☆☆☆☆☆☆☆☆☆☆☆☆4☆☆☆☆☆☆☆☆☆☆☆☆☆☆☆☆5☆☆☆☆☆☆☆☆☆☆☆☆☆☆☆☆6☆☆☆☆☆☆☆☆☆☆☆☆☆☆☆☆7☆☆☆☆☆☆☆☆☆☆☆☆☆☆☆☆8☆☆☆☆☆☆☆☆☆☆☆☆☆☆☆☆9☆☆☆☆☆☆☆☆☆☆☆☆☆☆☆☆10☆☆☆☆☆☆☆☆☆☆☆☆☆☆☆☆11☆☆☆☆☆☆☆☆☆☆☆☆☆☆☆☆备注:出勤☆缺勤:△请假:※制表:2013年月日第2页共10页小组名称冷轧高强钢盖章工程办公楼外装饰工程高装公司QC小组小组类型攻关型成立时间7月5日课题名称活动时间小组活动次数:16次小组活动频率:4次/月小组人数:小组分工姓名性别学历职务QC培训时间三、选题理由1、本工程的质量方针要达到国家优质奖。而干挂石材幕墙装饰工程施工是本项工程的关键。确保干挂石材幕墙工程施工质量是确保整个工程质量达到国家优质奖的关键,是一个企业实力和企业品牌的表现。2、贯彻公司“规范施工顾客满意持续改进行业争先”的质量方针。3、总结一套较为成熟的干挂石材装饰施工工艺和施工技术,确保向业主提供优质商品和优质服务。四、现状调查与分析1、现状调查我QC小组就确定的攻关课题组织有丰富施工经验的专业工程技术人员及专业施工队伍,对本公司其他两个工程(轧辊搬迁工程办公楼干挂石材幕墙、丹东不锈钢办公楼干挂石材幕墙)在施工的石材幕墙工程进行了调查分析,检查了装饰面相邻石材板块表面平整度、相邻石材板块接缝平直度、玻璃接缝高低差、阴阳角方正、龙骨平直等进行质量检查,共抽查了150个点,并作出了归纳总结,不合格点为29个,主要质量问题见下表:主要质量问题调查表表三序号检验项目检查点数不合格点数1相邻石材板块拼缝高低差3022相邻石材板材表面平整度30123相邻石材板块拼缝平直度3034阴阳角方正30105龙骨平直3026调查人7调查时间、地点检查人:制表人:制表时间:2、根据现场质量检查内容及数据,统计出不合格频数如下表:表四序号检验项目不合格频数不合格点数(%)累计频率(%)1相邻石材板块表面平整度1241412阴阳角方正1034753相邻石材板块拼缝平直度3118...

1、当您付费下载文档后,您只拥有了使用权限,并不意味着购买了版权,文档只能用于自身使用,不得用于其他商业用途(如 [转卖]进行直接盈利或[编辑后售卖]进行间接盈利)。
2、本站所有内容均由合作方或网友上传,本站不对文档的完整性、权威性及其观点立场正确性做任何保证或承诺!文档内容仅供研究参考,付费前请自行鉴别。
3、如文档内容存在违规,或者侵犯商业秘密、侵犯著作权等,请点击“违规举报”。

碎片内容

石材幕墙QC成果

您可能关注的文档

确认删除?
VIP
微信客服
  • 扫码咨询
会员Q群
  • 会员专属群点击这里加入QQ群
客服邮箱
回到顶部