电脑桌面
添加小米粒文库到电脑桌面
安装后可以在桌面快捷访问

基坑和管沟支撑计算书VIP免费

基坑和管沟支撑计算书_第1页
1/6
基坑和管沟支撑计算书_第2页
2/6
基坑和管沟支撑计算书_第3页
3/6
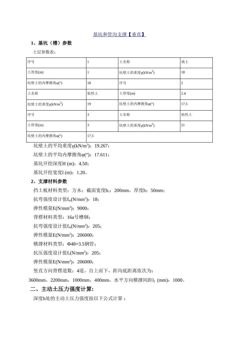
基坑和管沟支撑计算书计算依据:1、《建筑基坑支护技术规程》JGJ120-992、《建筑施工计算手册》江正荣编著3、《实用土木工程手册》第三版杨文渊编著4、《施工现场设施安全设计计算手册》谢建民编著5、《地基与基础》第三版本工程基坑(槽)的土质为天然湿土,地下水很少,采用连续垂直铺设挡板基坑土壁。挡板铺设的挡土板、背楞、横撑杆的强度及稳定性按以下方法计算。一、参数信息:挡板铺设方式:垂直铺设;基坑和管沟支撑【垂直】1、基坑(槽)参数土层参数表:序号1土名称填土土厚度(m)1坑壁土的重度γ(kN/m3)18坑壁土的内摩擦角φ(°)18序号2土名称粘性土土厚度(m)2.4坑壁土的重度γ(kN/m3)19坑壁土的内摩擦角φ(°)17.5序号3土名称粘性土土厚度(m)3坑壁土的重度γ(kN/m3)21坑壁土的内摩擦角φ(°)17.5坑壁土的平均重度γ(kN/m3):19.267;坑壁土的平均内摩擦角φ(°):17.611;基坑开挖深度H(m):4.50;基坑开挖宽度l(m):1.20。2、支撑材料参数挡土板材料类型:方木;截面宽度b1:200mm,厚度h:50mm;抗弯强度设计值fm(N/mm2):18;弹性模量E(N/mm2):9000;背楞材料类型:16a号槽钢;抗弯强度设计值fm(N/mm2):205;弹性模量E(N/mm2):206000;横撑材料类型:Ф48×3.5钢管;抗压强度设计值fc(N/mm2):205;弹性模量E(N/mm2):206000;竖直方向背楞道数:4道。自上而下,距沟底距离依次为:3600mm,2200mm,1000mm,400mm,水平方向横撑间距l2(mm):1000。二、主动土压力强度计算:深度h处的主动土压力强度按以下公式计算:pa=γ×h×tg2(45°-φ/2)其中,h--基坑(槽)开挖深度;γ--坑壁土的平均重度(kN/m3);φ--坑壁土的平均内摩擦角(°);pa--主动土压力强度(kN/m2);pa=19.27×4.50×tg2(45°-17.611°/2)=46.42kN/m2。三、挡土板计算:计算简图剪力图(kN)弯矩图(kN·m)变形图(mm)挡土板承受三角形荷载作用,按照多跨连续梁进行计算:1、荷载计算挡土板的最大线荷载按以下公式计算:q=pa×l1其中q--挡土板的线荷载(kN/m);l1--挡土板的间距(mm);q=46.423×0.200=9.285(kN/m)。2、挡土板按照连续梁计算最大弯矩,计算如下:最大弯矩Mmax=0.771kN·m。最大受弯应力按以下计算公式计算:σ=M/W其中,M--背楞的最大弯矩(kN·m);W--背楞的截面抵抗矩(mm3);W=200×502/6=83333(mm3);σ=0.771×106/83333=9.256N/mm2。挡土板的受弯应力计算值σ=9.256N/mm2小于抗弯强度设计值18N/mm2,满足要求!四、背楞计算:背楞按受力最大的一根计算。背楞需要计算弯矩和剪力。1、荷载计算各背楞对挡土板作用的最大支座反力Rmax=6.65kN。所以背楞的线荷载按以下公式计算:q=Rmax/l1其中,q--背楞的线荷载(kN/m);l1--挡土板的间距(m);q=Rmax/l1=6.654/0.200=33.269kN/m。2、背楞按照三跨连续梁计算最大弯矩,计算公式如下:Mmax=0.1ql22=0.1×33.269×1.0002=3.327kN·m。其中,q--背楞的线荷载(kN/m);l2--水平方向横撑间距(m);最大受弯应力按以下计算公式计算:σ=M/W其中,M--背楞的最大弯矩(kN·m);W--背楞的截面抵抗矩(mm3);W=16300.00(mm3);σ=M/W=3.327×106/16300=204.103N/mm2。背楞的受弯应力计算值σ=204.103N/mm2小于抗弯强度设计值205N/mm2,满足要求!3、最大支座反力按以下公式计算:R=1.1×q×l2R=1.1×q×l2=1.1×33.269×1.000=36.596kN。五、横撑杆计算:横撑杆为承受支座反力的中心受压杆件,可按以下公式验算其稳定性。fc=R/(A×φ)≤[fc]其中,fc--横撑杆抗压强度(N/mm2);[fc]--横撑杆抗压强度设计值(N/mm2);R--横撑杆承受的支点最大反力(kN);R=36.596kN;φ--横撑杆的轴心受压稳定系数;φ=0.864;λ--横撑杆的长细比λ=l0/i=780/15.800=49.367;l0--横撑杆的长度(mm);l0=l-b1×2-h1×2=1200-160×2-50×2=780mm;i--横撑杆的回转半径(mm);i=15.800mm;A--横撑杆的截面积(mm2);A=489mm2;得到:fc=36596/(489×0.864)=86.618N/mm2。横撑杆的抗压强度计算值:fc=86.618N/mm2小于钢管抗压强度设计值205N/mm2,满足要求!

1、当您付费下载文档后,您只拥有了使用权限,并不意味着购买了版权,文档只能用于自身使用,不得用于其他商业用途(如 [转卖]进行直接盈利或[编辑后售卖]进行间接盈利)。
2、本站所有内容均由合作方或网友上传,本站不对文档的完整性、权威性及其观点立场正确性做任何保证或承诺!文档内容仅供研究参考,付费前请自行鉴别。
3、如文档内容存在违规,或者侵犯商业秘密、侵犯著作权等,请点击“违规举报”。

碎片内容

基坑和管沟支撑计算书

墨香书阁+ 关注
实名认证
内容提供者

热爱教学事业,对互联网知识分享很感兴趣

确认删除?
VIP
微信客服
  • 扫码咨询
会员Q群
  • 会员专属群点击这里加入QQ群
客服邮箱
回到顶部