电脑桌面
添加小米粒文库到电脑桌面
安装后可以在桌面快捷访问

桩基承载力计算VIP免费

桩基承载力计算_第1页
1/4
桩基承载力计算_第2页
2/4
桩基承载力计算_第3页
3/4
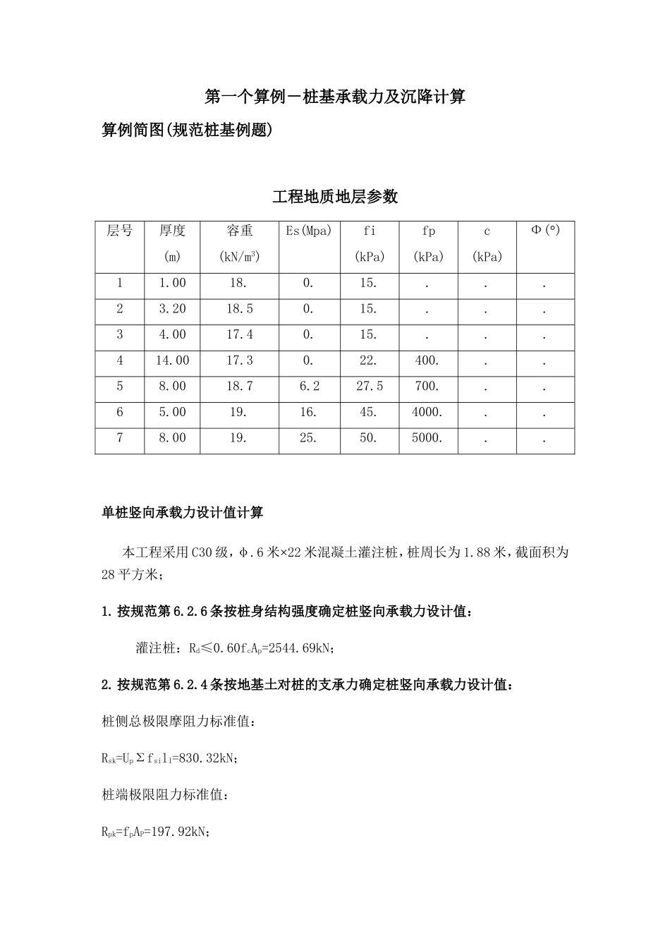
第一个算例-桩基承载力及沉降计算算例简图(规范桩基例题)工程地质地层参数层号厚度(m)容重(kN/m3)Es(Mpa)fi(kPa)fp(kPa)c(kPa)Φ(°)11.0018.0.15....23.2018.50.15....34.0017.40.15....414.0017.30.22.400...58.0018.76.227.5700...65.0019.16.45.4000...78.0019.25.50.5000...单桩竖向承载力设计值计算本工程采用C30级,φ.6米×22米混凝土灌注桩,桩周长为1.88米,截面积为28平方米;1.按规范第6.2.6条按桩身结构强度确定桩竖向承载力设计值:灌注桩:Rd≤0.60fcAp=2544.69kN;2.按规范第6.2.4条按地基土对桩的支承力确定桩竖向承载力设计值:桩侧总极限摩阻力标准值:Rsk=UpΣfsilI=830.32kN;桩端极限阻力标准值:Rpk=fpAP=197.92kN;则桩端阻比:ρp=Rpk/(Rsk+Rpk)=0.1925;由端阻比按规范表6.4.2-2插值得分项系数γs=1.784,γp=1.114;故单桩竖向承载力设计值:Rd=Rsk/γs+Rpk/γp=643.1kN;综合1、2的计算,单桩竖向承载力设计值设计值可取为643.1kN。桩基最终沉降量及竖向承载力计算一、工程概况:本工程拟采用桩基,承台埋深1.2米,地下水位-0.7米,承台总面积为A=136.58平方米;桩长为22米,桩截面边长(桩径)为0.6米,总桩数为181根;上部结构荷载设计值为Fd=99000kN,上部结构荷载准永久值为78636.26kN,底层附加荷载设计值为0kN,底层附加荷载准永久值为0kN。本工程无地下室。二、单桩基本计算参数的确定:根据前述单桩承载力计算:单桩承载力设计值(用户调整系数为1)取为:Rd=643.1kN;单桩扣除水浮力后自重标准值Gpk=93.31kN;端阻力Rp=197.92kN,侧阻力Rs=830.32kN;单桩端阻比α=Rp/(Rp+Rs)=0.1925;三、最终沉降量计算:1.计算点座标(默认值为群桩形心,AutoCAD-WCS座标系,否则为用户指定):Xc=45312.29,Yc=57120.9;2.单桩沉降计算Q取准永久值效应作用下的单桩平均附加荷载(计入单桩Gpk):经计算群桩顶部附加荷载准永久值效应组合值Fl=78950.39kN;故Q=Fl/n+Gpk=78950.39/181+93.31=529.5kN;3.压缩层厚度计算:按Mindlin解,考虑桩侧摩阻力为线性增加(Geddes积分解)模式:⑴地基中应力计算一览表:应力计算式:桩尖以下深度z(m)土中附加应力(kPa)自重应力(kPa)应力比.0175.75182.700.9621.081.65191.400.4272.065.99200.100.3303.063.48208.800.3044.061.24217.500.2825.058.61226.200.2596.055.81234.900.2387.053.02243.600.2188.050.33252.600.1999.047.77261.600.18310.045.35270.600.16811.043.08279.600.15412.040.96288.600.14213.038.97297.600.13114.037.10306.600.12115.035.36315.600.11216.033.73324.600.10417.032.19333.600.097⑵根据以上计算表搜索压缩层厚度:当桩以下16.52米时:自重应力为329.29kPa,附加应力为32.91kPa,应力比为0.100,故压缩层厚度16.52米。4.根据规范第6.4.2条,当桩端入土深度为23.2米时,ψm=1.1:土层号土层应力积分值分层沉降(cm)51.44412.3360.4411.4670.3140.66桩基最终沉降量为:S=ψm=15.9cm;四、桩基竖向承载力验算:桩顶荷载设计值:Fd+Gd=102250.57kN;按规范6.2.1条:Qd=(Fd+Gd)/n=102250.57/181=564.92kN≤Rd=643.1kN,故桩基竖向承载力满足。

1、当您付费下载文档后,您只拥有了使用权限,并不意味着购买了版权,文档只能用于自身使用,不得用于其他商业用途(如 [转卖]进行直接盈利或[编辑后售卖]进行间接盈利)。
2、本站所有内容均由合作方或网友上传,本站不对文档的完整性、权威性及其观点立场正确性做任何保证或承诺!文档内容仅供研究参考,付费前请自行鉴别。
3、如文档内容存在违规,或者侵犯商业秘密、侵犯著作权等,请点击“违规举报”。

碎片内容

桩基承载力计算

墨香书阁+ 关注
实名认证
内容提供者

热爱教学事业,对互联网知识分享很感兴趣

确认删除?
VIP
微信客服
  • 扫码咨询
会员Q群
  • 会员专属群点击这里加入QQ群
客服邮箱
回到顶部