电脑桌面
添加小米粒文库到电脑桌面
安装后可以在桌面快捷访问

锚固板技术交底VIP免费

锚固板技术交底_第1页
1/6
锚固板技术交底_第2页
2/6
锚固板技术交底_第3页
3/6
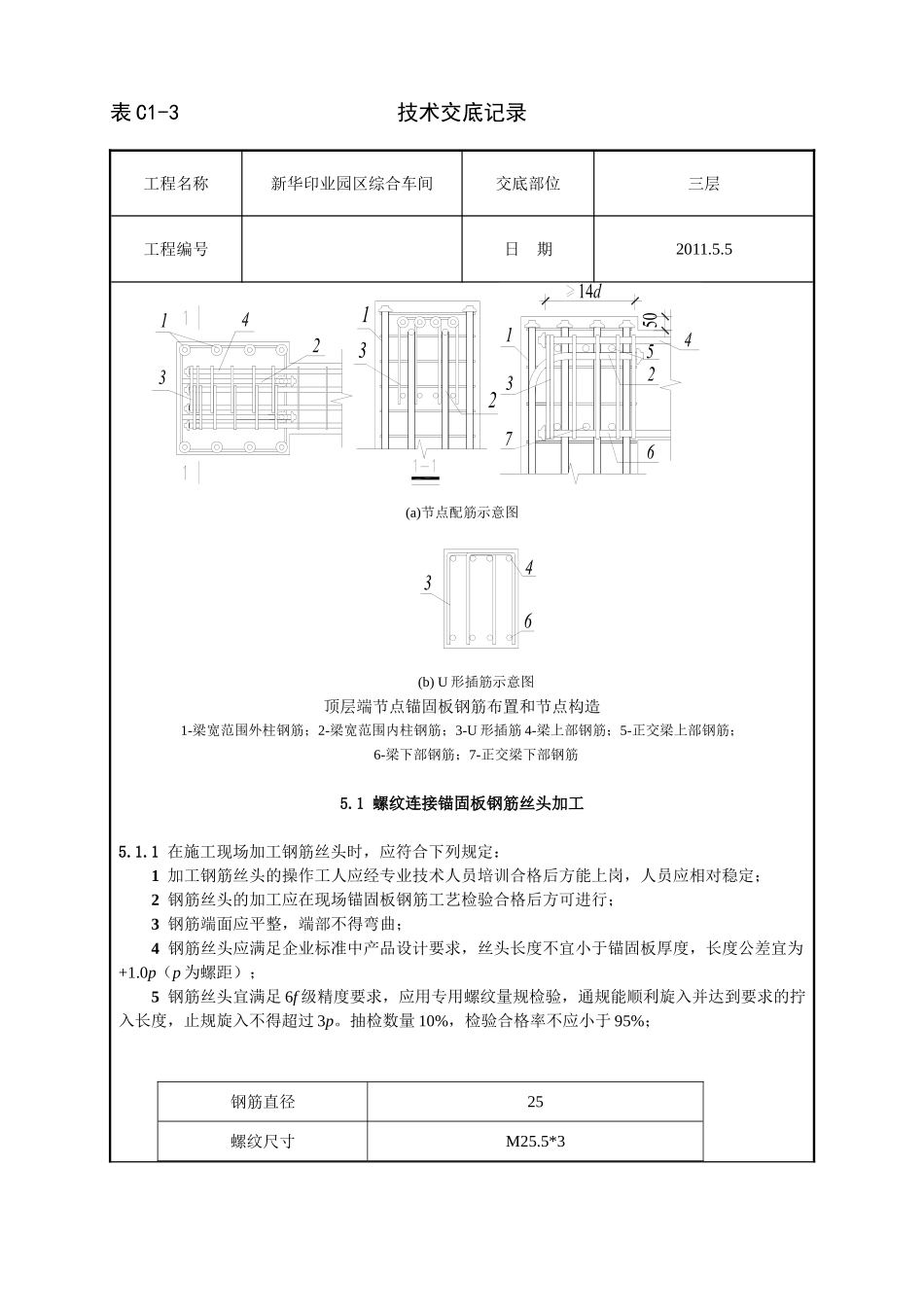
表C1-3技术交底记录工程名称新华印业园区综合车间交底部位三层工程编号日期2011.5.5交底内容:钢筋锚固板1.材料要求(1)成型钢筋:必须符合配料单的规格、尺寸、数量,并应有检验报告。(2)本工程柱、梁所用锚固板均为HRB400三级25钢筋。(3)锚固板均采用建研科技股份有限公司生产CABR钢筋锚固板,有出厂合格证。2.主要机具钢筋扳子、车丝机、脚手架、钢丝刷、粉笔、扭力扳手。3.作业条件1)钢筋进场后,应有出厂证明、复试报告,并按施工平面图中指定位置,按规格、部位、编号分部加垫木堆放。(2)钢筋车丝前,应检查有无锈蚀现象,除锈之后再车丝。(3)熟悉图纸,按设计要求加工钢筋规格、数量。4.操作工艺工艺流程:钢筋下料→钢筋套丝→接头单体试件试验→钢筋连接→质量检查1.钢筋下料可用钢筋切断机或砂轮锯,不得用气割下料。钢筋下料时,要求钢筋端面与钢筋轴线垂直,端头不得弯曲、不得出现马蹄形。2钢筋套丝:2.1套丝机必须用水溶性切削冷却润滑液,不得用机油润滑或不加润滑液套丝。2.2钢筋套丝质量必须用牙形规与卡规检查,钢筋的牙形必须与牙形规相吻合,其小端直径必须在卡规上标出的允许误差之内,锥螺纹丝扣完整牙数不得小于表4-26的规定值。锥螺纹丝扣完整牙数表4-26钢筋直径(mm)完整牙数不小于(个)25~28113框架梁、柱纵向钢筋在节点中采用锚固板钢筋锚固时,钢筋的保护层厚度不应小于现行国家标准《混凝土结构设计规范》GB50010的相关规定;各钢筋之间的净间距不应小于1.5d。4中间层中间节点梁下部纵向钢筋在节点中采用锚固板钢筋锚固时,应满足下图的要求;中间层端节点梁纵向钢筋在节点中采用锚固板钢筋锚固时,应满足下图的要求。图中lab为现行国家标准《混凝土结构设计规范》GB50010规定的受拉钢筋基本锚固长度,labE为受拉钢筋抗震基本锚固长度,按现行国家标准《混凝土结构设计规范》GB50010中的相关规定取用。表C1-3技术交底记录工程名称新华印业园区综合车间交底部位三层工程编号日期2011.5.55顶层中间节点柱的纵向钢筋在节点中采用锚固板钢筋锚固时,应满足下图的要求;顶层中间节点梁的下部纵向钢筋在节点中采用锚固板钢筋锚固时,应满足下图的要求。6顶层端节点柱的内侧纵向钢筋(正弯矩钢筋)在节点中采用锚固板钢筋锚固时,应满足下图的要求;顶层端节点梁的下部纵向钢筋在节点中采用锚固板钢筋锚固时,应满足下图的要求。顶层端节点柱的外侧纵向钢筋与梁的上部钢筋在节点中的搭接,应符合现行国家标准《混凝土结构设计规范》GB50010中有关顶层端节点梁柱负弯矩钢筋搭接的相关规定。当顶层端节点核心区受剪的水平截面符合条件时,伸入节点的柱外侧纵向钢筋和梁上部钢筋可采用锚固板钢筋锚固,并应满足下图的要求;梁上部锚固板钢筋在节点中的埋入长度应符合下图b边节点中的相关要求;柱外侧锚固板钢筋除角部钢筋外应在柱顶区全部弯折在节点内(下图),其弯折段与梁上部伸入节点的锚固板钢筋的搭接长度不应小于14d,当不满足上述要求时,可以将弯折钢筋的锚固板伸入梁内。上述搭接区段应按下图的要求配置倒置的U形垂直插筋,插筋直径不应小于被搭接钢筋中梁筋直径的0.5倍,间距不大于梁筋直径的5倍和150mm中的小者。在离梁筋锚固板承压面2d范围内,应配置双排上述的倒置U形垂直插筋,且每根梁上部锚固板钢筋均应有插筋通过。插筋的钢筋级别不应低于梁上部钢筋级别。顶层端节点的柱子宜比梁顶面高出50mm,柱四角的锚固板钢筋可伸至柱顶并用封闭箍筋定位。表C1-3技术交底记录工程名称新华印业园区综合车间交底部位三层工程编号日期2011.5.5(a)节点配筋示意图(b)U形插筋示意图顶层端节点锚固板钢筋布置和节点构造1-梁宽范围外柱钢筋;2-梁宽范围内柱钢筋;3-U形插筋4-梁上部钢筋;5-正交梁上部钢筋;6-梁下部钢筋;7-正交梁下部钢筋5.1螺纹连接锚固板钢筋丝头加工5.1.1在施工现场加工钢筋丝头时,应符合下列规定:1加工钢筋丝头的操作工人应经专业技术人员培训合格后方能上岗,人员应相对稳定;2钢筋丝头的加工应在现场锚固板钢筋工艺检验合格后方可进行;3钢筋端面应平整,端部不得弯曲;4钢筋丝头应满足企业标准中产品设计要求,丝头长度不...

1、当您付费下载文档后,您只拥有了使用权限,并不意味着购买了版权,文档只能用于自身使用,不得用于其他商业用途(如 [转卖]进行直接盈利或[编辑后售卖]进行间接盈利)。
2、本站所有内容均由合作方或网友上传,本站不对文档的完整性、权威性及其观点立场正确性做任何保证或承诺!文档内容仅供研究参考,付费前请自行鉴别。
3、如文档内容存在违规,或者侵犯商业秘密、侵犯著作权等,请点击“违规举报”。

碎片内容

锚固板技术交底

确认删除?
VIP
微信客服
  • 扫码咨询
会员Q群
  • 会员专属群点击这里加入QQ群
客服邮箱
回到顶部