电脑桌面
添加小米粒文库到电脑桌面
安装后可以在桌面快捷访问

轨道正线检验批课件VIP免费

轨道正线检验批课件_第1页
1/27
轨道正线检验批课件_第2页
2/27
轨道正线检验批课件_第3页
3/27
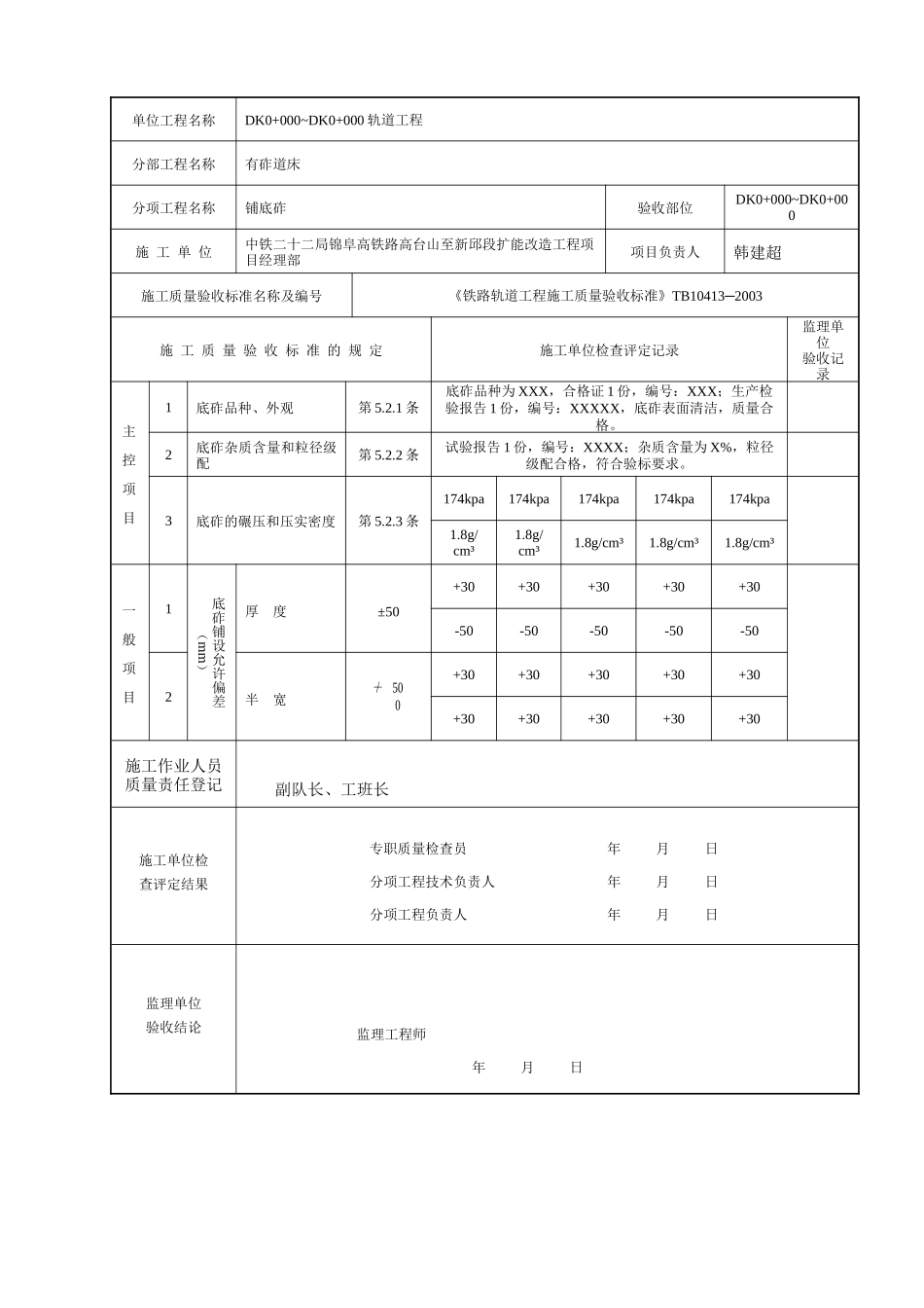
轨道工程轨道工程施工质量验收划分为单位工程、分部工程、分项工程和检验批。单位工程应按一个完整工程或一个相当规模的施工范围划分,并按下列原则确定:(1)正线轨道:一个区间(以站中心为界,含正线道岔);当区间内含有不同类型轨道时,也可按轨道类型划分;(2)站场轨道:一个站或大型枢纽的一个场(以最外方咽喉道岔为界,含站线道岔)。单位工程应在一个承包单位的施工范围内,不同承包单位施工的工程,不论其规模大小都不能合并为一个单位工程进行验收。分部工程应按一个完整部位或主要结构及施工阶段划分。轨道工程的分部工程主要包括:线路基桩、有砟道床、板式无砟道床、支承块式无砟道床、长枕埋入式无砟道床、无缝线路轨道、有缝线路轨道、道口、防护栅栏、护轨、标志、轨道加强设备等。分项工程应按工种、工序、材料、施工工艺划分。检验批可根据施工及质量控制和验收需要按长度、施工段、处等进行划铺底砟检验批质量验收记录表01010201□□□单位工程名称DK0+000~DK0+000轨道工程分部工程名称有砟道床分项工程名称铺底砟验收部位DK0+000~DK0+000施工单位中铁二十二局锦阜高铁路高台山至新邱段扩能改造工程项目经理部项目负责人韩建超施工质量验收标准名称及编号《铁路轨道工程施工质量验收标准》TB10413─2003施工质量验收标准的规定施工单位检查评定记录监理单位验收记录主控项目1底砟品种、外观第5.2.1条底砟品种为XXX,合格证1份,编号:XXX;生产检验报告1份,编号:XXXXX,底砟表面清洁,质量合格。2底砟杂质含量和粒径级配第5.2.2条试验报告1份,编号:XXXX;杂质含量为X%,粒径级配合格,符合验标要求。3底砟的碾压和压实密度第5.2.3条174kpa174kpa174kpa174kpa174kpa1.8g/cm³1.8g/cm³1.8g/cm³1.8g/cm³1.8g/cm³一般项目1底砟铺设允许偏差(mm)厚度±50+30+30+30+30+30-50-50-50-50-502半宽+500+30+30+30+30+30+30+30+30+30+30施工作业人员质量责任登记副队长、工班长施工单位检查评定结果专职质量检查员年月日分项工程技术负责人年月日分项工程负责人年月日监理单位验收结论监理工程师年月日说明主控项目1.底砟进场时应对其品种、外观等进行验收,其质量应符合现行《铁路碎石道床底砟》(TB/T2897)的规定。检验数量:施工单位、监理单位全部检查。检验方法:施工单位、监理单位检查生产检验报告和产品合格证。2.底砟进场时应对其杂质含量和粒径级配进行检验。(1)杂质含量按现行《铁路碎石道砟粘土团及其他杂质含量试验方法》(TB/T2328.17)进行试验,其含量的质量百分率不得大于0.5%。(2)底砟粒径级配应符合下表的规定。底砟粒径级配方孔筛孔边长(mm)0.0750.10.51.77.1162545过筛质量百分率(%)0~70~117~3213~4641~7567~9182~100100检验数量:同一产地、品种且连续进场的底砟,每5000m3为一批,不足5000m3时亦按一批计。施工单位每批抽检一次,监理单位见证取样检测次数为施工单位抽检次数的20%,但每单位工程不少于一次。检验方法:每批等距间隔4处取样,每次25kg拌和均匀,分别进行粒径级配和杂质含量试验;监理单位检查施工单位试验报告,并进行见证取样检测。3.砟铺设应采用压强不小于160kPa的机械碾压,压实密度不低于1.6g/cm3。检验数量:施工单位压实密度每5km抽检5处,每处测2个点位;监理单位见证检测次数为施工单位抽检次数的20%,但每单位工程不少于一次。检验方法:施工单位检算碾压机械压强,用灌水法检测压实密度;监理单位检查施工单位检算资料,并见证检测。一般项目1.底砟厚度允许偏差为±50mm,半宽允许偏差为+500mm。检验数量:每500m抽检1处。检验方法:尺量。预铺道砟检验批质量验收记录表01010202□□□单位工程名称DK0+000~DK0+000轨道工程分部工程名称有砟道床分项工程名称预铺道砟验收部位施工单位中铁二十二局锦阜高铁路高台山至新邱段扩能改造工程项目经理部项目负责人施工质量验收标准名称及编号《铁路轨道工程施工质量验收标准》TB10413─2003施工质量验收标准的规定施工单位检查评定记录监理单位验收记录主控项目1道砟的材质第5.3.1条道砟的材质为XXX,实验报告1份,编号:XXXXXX,质量合格。...

1、当您付费下载文档后,您只拥有了使用权限,并不意味着购买了版权,文档只能用于自身使用,不得用于其他商业用途(如 [转卖]进行直接盈利或[编辑后售卖]进行间接盈利)。
2、本站所有内容均由合作方或网友上传,本站不对文档的完整性、权威性及其观点立场正确性做任何保证或承诺!文档内容仅供研究参考,付费前请自行鉴别。
3、如文档内容存在违规,或者侵犯商业秘密、侵犯著作权等,请点击“违规举报”。

碎片内容

轨道正线检验批课件

书海行舟+ 关注
实名认证
内容提供者

热爱教学事业,对互联网知识分享很感兴趣

相关文档

确认删除?
VIP
微信客服
  • 扫码咨询
会员Q群
  • 会员专属群点击这里加入QQ群
客服邮箱
回到顶部