电脑桌面
添加小米粒文库到电脑桌面
安装后可以在桌面快捷访问

10kV电缆试验方案VIP免费

10kV电缆试验方案_第1页
1/7
10kV电缆试验方案_第2页
2/7
10kV电缆试验方案_第3页
3/7
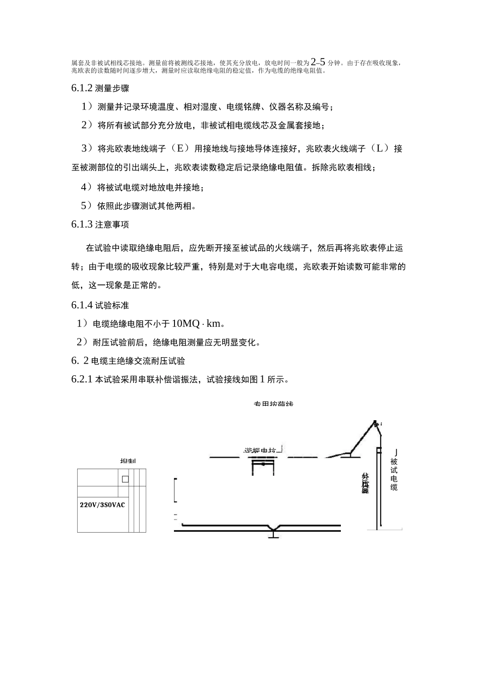
试验方案10kV电力电缆交流耐压试验编写:审核:批准:配电*************年月日1试验目的:为了检查10kV线电缆的绝缘性能和运行状况是否良好,保证电网的安全运行,参照Q/GXD126.01-2006《电力设备交接和预防性试验规程》,对其进行试验。2电缆规:电缆型号:YJV22—3x240电缆规格:3x240mm2电缆电压:&7/15kV电缆电容量:0.37uF/km电缆长度:km生产厂家:出厂日期:年月日3试验依据:GB50150-2006《电气装置安装工程电气设备交接试验标准》中18.0.5条表1&0.5之规定。依该标准确定试验电压为21.75kV(2.5U0),试验时间为5min(2.5U0时)。4试验仪器:HDSR-F162/162串联谐振试验设备一套;干湿温度计一块;10000V兆欧表一块;工具箱一套;三相电源线若干。5试验项目:①耐压前电缆主绝缘电阻测量;②串联谐振法交流耐压试验;③耐压后电缆主绝缘电阻测量;6试验步骤及技术措施:6.1电缆主绝缘电阻测量6.1.1测量方法用10000V兆欧表,依次测量各相线芯对其他两相及金属套的绝缘电阻,金□'220V/3S0VAC属套及非被试相线芯接地。测量前将被测线芯接地,使其充分放电,放电时间一般为2—5分钟。由于存在吸收现象,兆欧表的读数随时间逐步增大,测量时应读取绝缘电阻的稳定值,作为电缆的绝缘电阻值。6.1.2测量步骤1)测量并记录环境温度、相对湿度、电缆铭牌、仪器名称及编号;2)将所有被试部分充分放电,非被试相电缆线芯及金属套接地;3)将兆欧表地线端子(E)用接地线与接地导体连接好,兆欧表火线端子(L)接至被测部位的引出端头上,兆欧表读数稳定后记录绝缘电阻值。拆除兆欧表相线;4)将被试电缆对地放电并接地;5)依照此步骤测试其他两相。6.1.3注意事项在试验中读取绝缘电阻后,应先断开接至被试品的火线端子,然后再将兆欧表停止运转;由于电缆的吸收现象比较严重,特别是对于大电容电缆,兆欧表开始读数可能非常的低,这一现象是正常的。6.1.4试验标准1)电缆绝缘电阻不小于10MQ・km。2)耐压试验前后,绝缘电阻测量应无明显变化。6.2电缆主绝缘交流耐压试验6.2.1本试验采用串联补偿谐振法,试验接线如图1所示。揑制谐振电抗分压器分压器J被试电缆专用按葩线«电源输入VF变频电T变频输出,,CELnmrmmZMOATC2保护接地采样信号线系统接地图1试验接线图图中:谐振电抗器额定电压为27kV,每台额定电感量为85H,额定最大工作电流为1.0A;分压器额定电压为200kV,变比为12000:1,电容量为500PF±5%。6.2.2试验参数计算1.谐振频率计算a)10kV3x300mm2交联聚乙烯电缆每公里电容量按0.37“(F/km),电缆长度按1.1km计算,则Cx=0.37x1.1=0.407“F。b)补偿电抗器电感采用三节电抗器并联使用,L=85/3=28.33H。1c)谐振频率按f二计算,则f=46.88Hz。2g'CxL2.电缆(Cx)电容电流估算当试验电源频率为46.88Hz、被试品电压为21.75kV时,通过试品的电容电流约为:I=®CU=6.28x46.88x0.407x21.75x10-3=2.61Axx3.串联补偿电抗器(L)电流及电压估算当试验电源频率为46.88Hz、被试品电压为21.75kV时,通过串联补偿电抗器电流约为:I=2.61A,补偿电抗器上的电压U=21.75kV。三节电抗器并联使用,额定电压为27kV,额定电流为3A。由计算的数据可看出三节电抗器并联,可满足试验要求。6.2.3试验步骤如下:1、按试验接线图连接试验接线。电缆的线芯接高压,即接补偿电抗器的高压端,金属套及非被试电缆芯接地。2、调谐。按红色“高压通”按钮,红灯亮绿灯灭,高压回路接通。调节“电压调节”电位器使机箱面板指针电压升至20V左右,调节“手动调节”旋钮,使输出电压(屏幕显示)达到最大值,高压回路即进入谐振状态。如需快速改变频率可按动或按住“手动调频”旋钮。注意:在快速调频过程中,电压不能调得过高,以免在进入谐振状态时输出电压超过试验电压。3、均匀升高电压,由分压器测量试验电压,当试验电压达到2.5U0(21.75kV)时,启动计时器,保持5分钟,试验过程中不出现闪络及放电现象,则该相耐压试验合格,均匀降压结束,关掉电源。4、改变被试电缆接线,重复1、2、3、步骤,直到所有被试电缆设备都进行交流耐压试验为止。6.2.4试验结果判断如果试验中未发生放电击穿现象,则认为试验通过,试品合格...

1、当您付费下载文档后,您只拥有了使用权限,并不意味着购买了版权,文档只能用于自身使用,不得用于其他商业用途(如 [转卖]进行直接盈利或[编辑后售卖]进行间接盈利)。
2、本站所有内容均由合作方或网友上传,本站不对文档的完整性、权威性及其观点立场正确性做任何保证或承诺!文档内容仅供研究参考,付费前请自行鉴别。
3、如文档内容存在违规,或者侵犯商业秘密、侵犯著作权等,请点击“违规举报”。

碎片内容

10kV电缆试验方案

确认删除?
VIP
微信客服
  • 扫码咨询
会员Q群
  • 会员专属群点击这里加入QQ群
客服邮箱
回到顶部