电脑桌面
添加小米粒文库到电脑桌面
安装后可以在桌面快捷访问

厂房屋面彩钢板安装措施

厂房屋面彩钢板安装措施_第1页
1/10
厂房屋面彩钢板安装措施_第2页
2/10
厂房屋面彩钢板安装措施_第3页
3/10
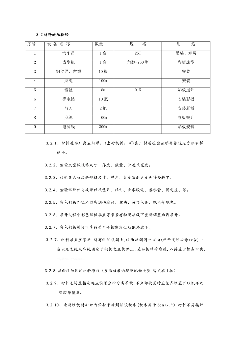
哈密大南湖西五号井主斜井井口房钢结构工程 屋 面 板 安 装 措 施编制: 审核: 审批: 单位: 日期: 2025 年 11 月 22 日 1 工程概况 本工程为哈密大南湖西五号主斜井井口房工程。位于新疆哈密,建筑面积 1442.80㎡,基底面积 1312.0㎡,建筑高度 15.25m(女儿墙顶),结构形式为门式钢结构+砖混结构。井口房内设 20t/5t 桥式吊车一台,结构长度 42 米,跨度为 27.3 米,屋面采纳双层压型钢板+玻璃丝绵,单面加筋铝箔贴面。bnt2BRL。lQscLWg。2 施工范围 钢结构屋面彩钢板、玻璃丝棉天沟制作、运输、安装、验收。3 施工准备3.1 主要设备3.2 材料进场检验3.2.1、材料进场厂商应附原厂(素材提供厂商)出厂材质检验证明并依规定办法取样送检。3.2.2、检验成型板规格尺寸、厚度、数量、长度及宽度。3.2.3、检验各式收边料规格尺寸、厚度、数量及形式是否符合料单。3.2.4、检验零配件自攻螺丝及垫片、拉钉、止水胶泥、落水管、固定座、等。3.2.5、彩色钢板外观不得有刮伤磨损、扭曲、污染色差、翘角等现象。3.2.6、吊升过程中彩色钢板垂直弯带若有松脱应放下重新调整后再吊升。3.2.7、彩色钢板缓慢下降待吊车手控制定位后依序放下。3.2.7、材料吊置屋架后,所有板肋须朝上,板面应朝同一方向(便于安装公母扣合)并应以尼龙绳或麻绳固定于钢构之主构件上,屋面板隔跨堆放,不得置于檩条中央。r4y68ho。ynAGkap。3.2.8 屋面板吊运的材料堆放(屋面板采纳现场地面成型,暂定在 1 轴)3.2.9、材料进场至指定地点前须分批分类吊放,不立即使用时应整齐堆置并以帆布或塑胶布覆盖。3.2.10、地面堆放材料时为保持干燥须铺设枕木(枕木高于 6cm 以上),材料不得接触序号设 备 名 称数量规 格用 途1汽车吊1 台25T吊装、卸货2成型机1 台角驰-760 型彩板成型3钢丝绳、留绳10 根安装4麻绳100m安装5钢丝8m0.5彩板提升6手电钻10 把安装彩板7剪刀2 把安装彩板8麻绳100m彩板提升9电源线300m彩板安装地面,枕木间距不大于 3M,且需安排倾斜放置,以利排水。1XuBIqm。1PKCRg5。3.2.11、材料吊运屋架前应以钢带捆扎束紧。3.2.12、材料吊上屋架施工要点:吊放彩钢钢板前须先在女儿墙位置上设置钢丝绳生命线。4 施工方法4.1 施工部署4.1.1 流水施工段划分 第一单元:高跨第二单元:低跨4.1.2 施工工序安排彩板进场 搭设施工平台 天沟安装 下层板安装 屋面板成型 屋面板倒运 保温棉铺设 屋面板安装 屋脊帽盖安装 山墙泛...

1、当您付费下载文档后,您只拥有了使用权限,并不意味着购买了版权,文档只能用于自身使用,不得用于其他商业用途(如 [转卖]进行直接盈利或[编辑后售卖]进行间接盈利)。
2、本站所有内容均由合作方或网友上传,本站不对文档的完整性、权威性及其观点立场正确性做任何保证或承诺!文档内容仅供研究参考,付费前请自行鉴别。
3、如文档内容存在违规,或者侵犯商业秘密、侵犯著作权等,请点击“违规举报”。

碎片内容

厂房屋面彩钢板安装措施

确认删除?
VIP
微信客服
  • 扫码咨询
会员Q群
  • 会员专属群点击这里加入QQ群
客服邮箱
回到顶部