电脑桌面
添加小米粒文库到电脑桌面
安装后可以在桌面快捷访问

骨架隔墙工程检验批质量验收记录表VIP免费

骨架隔墙工程检验批质量验收记录表_第1页
1/2
骨架隔墙工程检验批质量验收记录表_第2页
2/2
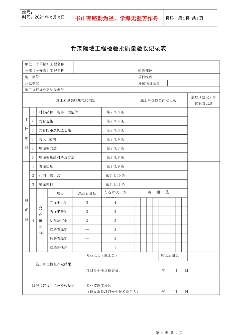
第1页共2页编号:时间:2021年x月x日书山有路勤为径,学海无涯苦作舟页码:第1页共2页骨架隔墙工程检验批质量验收记录表单位(子单位)工程名称分部(子分部)工程名称验收部位施工单位项目经理分包单位分包项目经理施工执行标准名称及编号施工质量验收规范的规定施工单位检查评定记录监理(建设)单位验收记录主控项目1材料品种、规格、性能等第7.3.3条2龙骨连接第7.3.4条3龙骨间距及构造连接第7.3.5条4防火、防腐第7.3.6条5墙面板安装第7.3.7条6墙面板接缝材料及方法第7.3.8条一般项目1表面质量第7.3.9条2孔洞、槽、盒第7.3.10条3填充材料第7.3.11条4允许偏差(mm)项目纸面石膏板人造木板、水泥纤维板实测值(mm)立面垂直度34表面平整度33阴阳角方正33接缝直线度—3压条直线度—3接缝高低差11施工单位检查评定结果专业工长(施工员)施工班组长项目专业质量检查员:年月日监理(建设)单位验收结论专业监理工程师:(建设单位项目专业技术负责人)年月日第2页共2页第1页共2页编号:时间:2021年x月x日书山有路勤为径,学海无涯苦作舟页码:第2页共2页说明主控项目1、骨架隔墙所用龙骨、配件、墙面板、填充材料及嵌缝材料的品种、规格、性能和木材的含水率应符合设计要求。有隔声、隔热、阻燃、防潮等特殊要求的工程,材料应有相应性能等级的检测报告。观察和检查产品合格证书、进场验收记录、性能检测报告和复验报告。2、骨架隔墙工程边框龙骨必须与基体结构连接牢固,并应平整、垂直、位置正确。手扳和尺量检查;检查隐蔽工程验收记录。3、骨架隔墙中龙骨间距和构造连接方法应符合设计要求,骨架内设备管线的安装、门窗洞口等部位加强龙骨应安装牢固、位置正确,填充材料的设置应符合设计要求。观察检查和检查隐蔽工程验收记录。4、木龙骨及木墙面板的防火和防腐处理必须符合设计要求。检查隐蔽工程验收记录。5、骨架隔墙的墙面板应安装牢固,无脱层、翘曲、折裂及缺损。观察和手扳检查。6、墙面板所用接缝材料的接缝方法应符合设计要求。观察检查。一般项目1、骨架隔墙表面应平整光滑、色泽一致、洁净、无裂缝,接缝应均匀、顺直。观察和手摸检查。2、骨架隔墙上的孔洞、槽、盒应位置正确、套割吻合、边缘整齐。观察检查。3、骨架隔墙内的填充材料应干燥,填充应密实、均匀、无下坠。轻敲检查及检查隐蔽工程验收记录。4、骨架隔墙安装的允许偏差的检验方法:(1)立面垂直度,用2m垂直检测尺检查。(2)表面平整度,用2m靠尺和塞尺检查。(3)阴阳角方正,用直角检测尺检查。(4)接缝直线度,拉5m拉线,不足5m拉通线,用钢直尺检查。(5)压条直线度,拉5m拉线,不足5m拉通线,用钢直尺检查。(6)接缝高低差,用钢直尺和塞尺检查。

1、当您付费下载文档后,您只拥有了使用权限,并不意味着购买了版权,文档只能用于自身使用,不得用于其他商业用途(如 [转卖]进行直接盈利或[编辑后售卖]进行间接盈利)。
2、本站所有内容均由合作方或网友上传,本站不对文档的完整性、权威性及其观点立场正确性做任何保证或承诺!文档内容仅供研究参考,付费前请自行鉴别。
3、如文档内容存在违规,或者侵犯商业秘密、侵犯著作权等,请点击“违规举报”。

碎片内容

骨架隔墙工程检验批质量验收记录表

确认删除?
VIP
微信客服
  • 扫码咨询
会员Q群
  • 会员专属群点击这里加入QQ群
客服邮箱
回到顶部