电脑桌面
添加小米粒文库到电脑桌面
安装后可以在桌面快捷访问

高速公路监理实施细则VIP专享VIP免费

高速公路监理实施细则_第1页
1/58
高速公路监理实施细则_第2页
2/58
高速公路监理实施细则_第3页
3/58
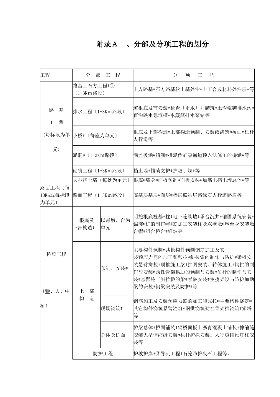
附录目录附录A、、分部及分项工程划分附录B、质量检测及频率附录C、路基、路面压实度评定附录D、水泥混凝土抗折强度评定附录E、水泥混凝土抗压强度评定附录F、水泥砂浆强度评定附录G、半刚性基层和底基层材料强度评定附录H、路面构造层厚度评定附录I、路基、柔性路面弯沉值评定附录J、喷射砼强度评定附录A、分部及分项工程的划分工程分部工程分项工程路基工程(每标段为单元)路基土石方工程*①〔1-3Km路段〕土方路基*石方路基软土基处治*土工合成材料处治层*等排水工程〔1-3Km路段〕道根底及节安装*检查〔雨水〕井砌筑*土沟浆砌排水沟*盲沟跌水急流槽*水簸箕排水泵站等小桥*〔每座为单元〕根底及下部构造*上部构造预制、安装或浇筑*桥面*栏杆人行道等涵洞*〔1-3Km路段〕涵盖板涵*箱涵*拱涵倒虹吸通道顶入法施工的桥涵*等砌筑工程〔1-3Km路段〕挡土墙*锚喷支护*护坡丁坝*等大型挡土墙〔每处为单元〕根底*墙身*面板预制*面板安装*加筋土挡土墙总体*等路面工程〔每10Km或每标段为单元〕路面工程〔1-3Km路段〕底基层基层*面层*垫层联结层路缘石人行道路肩等桥梁工程〔特、大、中桥〕根底及下部构造*以每墩、台为单元明挖根底桩基*柱*地下连续墙*承台沉井*锚固系统安装*锚碇*桩的制作*钢筋加工安装柱及双壁墩*墩台身安装墩台帽*组台桥台*锥坡等上部构造预制、安装*主要构件预制*其他构件预制钢筋加工及安装预应力筋的加工和张拉*斜拉索的制作与防护*梁板安装悬臂拼装*顶推施工梁*拱圈安装、转体施工*钢拱的制作与安装*劲性骨架拱肋的预制与安装*吊杆的制作与安装*悬臂施工斜拉桥的梁*索鞍安装*主揽架设与防护加劲梁的安装*钢梁安装及防护*等现场浇筑*钢筋加工及安装预应力筋的加工和张拉*主要构件浇筑*其它构件浇筑悬臂浇筑*钢拱浇筑劲性骨架拱浇筑*索塔等总体及桥面桥梁总体*桥面铺装*钢桥面板上沥青混凝土铺装*伸缩缝安装大型伸缩缝安装*栏杆护拦安装。人行道铺设灯柱安装等防护工程护坡护岸*②导流工程*石笼防护砌石工程等。单位工程分部工程分项工程桥梁工程〔特、大、中桥〕引道工程路基*路面、*挡土墙*小桥*涵洞护栏标志标线等互通立交工程桥梁工程*〔每座为元〕根底及下部构造*上部构造预制、安装或浇筑*桥面栏杆或护拦人行道等匝道工程〔每条为单元〕路基*路面*通道*护坡挡土墙*护栏标志标线等隧道工程洞身开挖洞身开挖〔分段〕洞身衬砌锚喷支护、衬砌等总体及洞口隧道总体*、洞口开挖、洞门和翼墙的浇筑*排水工程隧道路面基层*、面层*交通平安设施等〔每20Km或每标段为元〕标志标线*〔1-3Km路段〕标志安装标线喷涂视线导标等防护栏*、栅〔1-3Km路段〕护栏和柱预制波型梁护栏*混凝土护栏*缆索护栏*防眩设施隔离栅等紧急〔1-3Km路段〕紧急照明设施〔1-3Km路段〕照明设施安装注:①表内标注*者为主要工程;其他为一般工程。②护岸参照挡土墙。附录B质量检测及频率1、土方路基表附B-1项次检查项目规定值或允许偏向检查和频率监理抽查频率高速公路一级公路其他公路1压实度〔〕零填及路堑上路床〔㎝〕0-809695按JTJ071-98附录B检查度法:每200㎡每压实层测4处度法每100m每压实层测1处路堤cm上路床0-309695下路床30-80上路堤80-1509494下路堤>15093922弯沉〔0.01mm〕不大于设计计算值按附录I检查跟踪旁站3纵断高程〔mm〕+10-15+10-20水准仪:每200m测4断面旁站检查〔或专业工程师抽查〕每100m测1点4中线偏位〔mm〕50100经纬仪:每200m测4点弯道加HY、YH两点旁站检查〔或专业工程师抽查〕每100m测1点5宽度〔mm〕不小于设计值米尺:每200m测4处旁站检查〔或专业工程师抽查〕每100m测1点6平整度〔mm〕15203m直尺:每200m测4处×3尺旁站检查〔或专业工程师抽查〕每200m测1个断面7横坡〔〕±0.5±0.5水准仪:每200m测4断面旁站检查〔或专业工程师抽查〕每200m测1个断面8边坡不陡于设计值每200m抽查4处旁站检查〔或专业工程师抽查〕每200m测1处注:①压实度检查深度从路床顶面算起。桥台、涵洞、锥坡、挡土墙等背后填土及其他关键部位应增加压实度的检查频率。②采用核子仪检验压实度时应进展标定试验确认其可靠性。③表列压实度以重型击实试验法为准评定路段内的压实度下置信...

1、当您付费下载文档后,您只拥有了使用权限,并不意味着购买了版权,文档只能用于自身使用,不得用于其他商业用途(如 [转卖]进行直接盈利或[编辑后售卖]进行间接盈利)。
2、本站所有内容均由合作方或网友上传,本站不对文档的完整性、权威性及其观点立场正确性做任何保证或承诺!文档内容仅供研究参考,付费前请自行鉴别。
3、如文档内容存在违规,或者侵犯商业秘密、侵犯著作权等,请点击“违规举报”。

碎片内容

高速公路监理实施细则

确认删除?
VIP
微信客服
  • 扫码咨询
会员Q群
  • 会员专属群点击这里加入QQ群
客服邮箱
回到顶部