电脑桌面
添加小米粒文库到电脑桌面
安装后可以在桌面快捷访问

XXXX最新最全的TS16949表格大全VIP免费

XXXX最新最全的TS16949表格大全_第1页
1/78
XXXX最新最全的TS16949表格大全_第2页
2/78
XXXX最新最全的TS16949表格大全_第3页
3/78
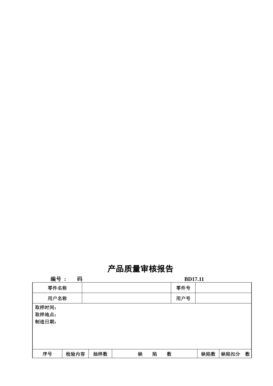
产品质量审核报告编号:码BD17.11零件名称零件号用户名称用户号取样时间:取样地点:制造日期:序号检验内容抽样数缺陷数缺陷数总计缺陷扣分数A类B类C类结果∑缺陷数=∑缺陷扣分=质量水平TYG=决定:认可□扣留□总结:需采取的其他措施是否实施日期库存产品扣压检查库存产品必须制定实施消除缺陷措施必须在用户处采取措施更换产品审核员审核:年月日批准:年月日分发部门第页共页产品质量审核报告编号:码BD17.11零件名称零件号用户名称用户号取样时间:取样地点:制造日期:序号检验内容抽样数缺陷数缺陷数缺陷扣分数总计A类B类C类结果∑缺陷数=∑缺陷扣分=质量水平TYG=决定:认可□扣留□总结:需采取的其他措施是否实施日期库存产品扣压检查库存产品必须制定实施消除缺陷措施必须在用户处采取措施更换产品审核员审核:年月日批准:年月日分发部门第页共页产品质量审核报告编号:码BD17.11零件名称零件号用户名称用户号取样时间:取样地点:制造日期:序号检验内容抽样数缺陷数缺陷数总计缺陷扣分数A类B类C类结果∑缺陷数=∑缺陷扣分=质量水平TYG=决定:认可□扣留□总结:需采取的其他措施是否实施日期库存产品扣压检查库存产品必须制定实施消除缺陷措施必须在用户处采取措施更换产品审核员审核:年月日批准:年月日分发部门第页共页产品质量审核报告编号:码BD17.11零件名称零件号用户名称用户号取样时间:取样地点:制造日期:序号检验内容抽样数缺陷数缺陷数总计缺陷扣分数A类B类C类结果∑缺陷数=∑缺陷扣分=质量水平TYG=决定:认可□扣留□总结:需采取的其他措施是否实施日期库存产品扣压检查库存产品必须制定实施消除缺陷措施必须在用户处采取措施更换产品审核员审核:年月日批准:年月日分发部门第页共页产品质量审核报告编号:码BD17.11零件名称零件号用户名称用户号取样时间:取样地点:制造日期:序号检验内容抽样数缺陷数缺陷数总计缺陷扣分数A类B类C类结果∑缺陷数=∑缺陷扣分=质量水平TYG=决定:认可□扣留□总结:需采取的其他措施是否实施日期库存产品扣压检查库存产品必须制定实施消除缺陷措施必须在用户处采取措施更换产品审核员审核:年月日批准:年月日分发部门第页共页不合格报告受审部门审核员:不合格报告编号:审核日期:不合格事实描述(列出判定所引用的标准或其它文件名称、具体条款号和相应原文)不符合条款号:其它:严重程度□严重□一般不合格原因分析(参加分析人员:)不合格的处置方案:(预计完成日期:负责人:)对应原拟采取的防止再发生的纠正措施:(预计完成日期:)责任部门确认批准:年月日纠正措施实际完成情况:(部门负责人签字:日期:)跟踪验证结论原因分析是否正确:验证人签字:日期:处置是否有效:纠正措施是否有效:不合格品评审表产品名称型号规格数量分承包方/生产部门申请部门/人技术要求实际情况不合格原因填写人:年月日技术部门意见负责人:年月日处理意见品质部负责人:年月日仲裁意见负责人:年月日评审结论让步接收返修返工报废拒收降级改作它用不合格项分布情况一览表BD17.05部门要素QS9000合计4.1/014.2/02/094.3/074.4/084.5/104.6/114.7/124.8/134.9/14/134.10/154.11/164.12/134.13/174.14/184.15/194.16/204.17/034.18/04编制:日期:产品安全特性一览表BD22.01序号顾客名称特殊特性级别控制符号1.2.3.4.5.6.7.8.9.10.11.12.13.14.15.16.17.编制:审核:批准:产品运费一览表客户名称到达地点运输方式及运费单位:元/件记录人汽车火车托运其他返工/返修品加工单车间:工序班次操作工机床编号产品型号领料数加工数退库数返工/返修原因检验后不合格数类型及数量返工品回用品质废料废检验后合格数自检全检自检全检自检全检库管员:日期:检验员:日期:返工/返修品加工单车间:工序班次操作工机床编号产品型号领料数加工数退库数返工/返修原因检验后不合格数类型及数量返工品回用品质废料废检验后合格数自检全检自检全检自检全检库管员:日期:检验员:日期:工程标准/规范/产品图纸评审记录表BD.05.08收到日期收到人编号收到文件信息(文件名称、编号、版本、提供方等):评审结论:评审负责人:小组成员:日期:审批意见:批准...

1、当您付费下载文档后,您只拥有了使用权限,并不意味着购买了版权,文档只能用于自身使用,不得用于其他商业用途(如 [转卖]进行直接盈利或[编辑后售卖]进行间接盈利)。
2、本站所有内容均由合作方或网友上传,本站不对文档的完整性、权威性及其观点立场正确性做任何保证或承诺!文档内容仅供研究参考,付费前请自行鉴别。
3、如文档内容存在违规,或者侵犯商业秘密、侵犯著作权等,请点击“违规举报”。

碎片内容

XXXX最新最全的TS16949表格大全

确认删除?
VIP
微信客服
  • 扫码咨询
会员Q群
  • 会员专属群点击这里加入QQ群
客服邮箱
回到顶部