电脑桌面
添加小米粒文库到电脑桌面
安装后可以在桌面快捷访问

木地板地面技术交底记录VIP免费

木地板地面技术交底记录_第1页
1/2
木地板地面技术交底记录_第2页
2/2
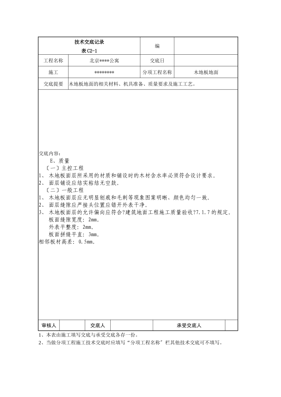
技术交底记录编表C2-1工程名称北京****公寓交底日施工********分项工程名称木地板地面交底提要木地板地面的相关材料、机具准备、质量要求及施工工艺。交底内容:A、施工准备〔一〕材料1、面层材料〔1〕材质:按设计要求。木地板材料由甲方提供。〔2〕规格:按设计要求。2、基层材料〔1〕防水垫层;B、作业条件1、施工程序:先做木地板基层、再安装面层木地板。2、施工要点:〔1〕木地板四周必须留出九毫米左右的伸缩缝。B、面层铺设施工面层施工主要是包括面层木地板的固定固定方式为钉接。1、条形木地板的铺设方向应考虑铺钉方便固定结实使用美观的要求。对于走廊、过道等部位应顺着行走的方向铺设而室内房间宜顺着光线铺钉。对于大多数房间来说顺着光线铺钉同行走方向是一致的〔按施工图表示的铺设方向进展铺设〕。2、以墙面一侧开场将条心木板材心向上逐块排紧铺钉缝隙不超过1MM圆钉的长度为板厚的2.0~2.5倍。3、用暗钉法固定木地板先将钉帽砸扁从板边的凹角处斜向钉入。在铺钉时钉子要与外表呈一定角度一般常用45度或60度斜钉入内。C、施工考前须知1、一定要按设计要求施工选择材料应符合选材。2、木地板靠墙处要留出9MM空隙以利通风和木地板材料本身的伸缩变形。审核人交底人承受交底人1、本表由施工填写交底与承受交底各存一份。2、当做分项工程施工技术交底时应填写“分项工程名称〞栏其他技术交底可不填写。技术交底记录编表C2-1工程名称北京****公寓交底日施工********分项工程名称木地板地面交底提要木地板地面的相关材料、机具准备、质量要求及施工工艺。交底内容:E、质量〔一〕主控工程1、木地板面层所采用的材质和铺设时的木材含水率必须符合设计要求。2、面层铺设应结实粘结无空鼓。〔二〕一般工程1、木地板面层应无明显刨痕和毛刺等现象图案明晰、颜色均匀一致。2、面层缝隙应严接头位置应错开外表干净。3、木地板面层的允许偏向应符合?建筑地面工程施工质量验收?7.1.7的规定。板面缝隙宽度:2mm。外表平整度:2mm。板面拼缝平直:3mm。相邻板材高差:0.5mm。审核人交底人承受交底人1、本表由施工填写交底与承受交底各存一份。2、当做分项工程施工技术交底时应填写“分项工程名称〞栏其他技术交底可不填写。

1、当您付费下载文档后,您只拥有了使用权限,并不意味着购买了版权,文档只能用于自身使用,不得用于其他商业用途(如 [转卖]进行直接盈利或[编辑后售卖]进行间接盈利)。
2、本站所有内容均由合作方或网友上传,本站不对文档的完整性、权威性及其观点立场正确性做任何保证或承诺!文档内容仅供研究参考,付费前请自行鉴别。
3、如文档内容存在违规,或者侵犯商业秘密、侵犯著作权等,请点击“违规举报”。

碎片内容

木地板地面技术交底记录

确认删除?
VIP
微信客服
  • 扫码咨询
会员Q群
  • 会员专属群点击这里加入QQ群
客服邮箱
回到顶部