电脑桌面
添加小米粒文库到电脑桌面
安装后可以在桌面快捷访问

内爬式塔式起重机安全技术交底VIP免费

内爬式塔式起重机安全技术交底_第1页
1/1
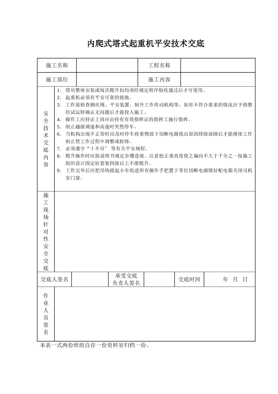
内爬式塔式起重机平安技术交底施工名称工程名称施工部位施工内容安全技术交底内容1.塔吊整体安装或每次爬升扣均须经规定程序验收通过后才可使用。2.起重机必须有平安可靠的接地。3.工作前检查钢丝绳、平安装置、制开工作传动机构等。如有不符合要求的情况应予修整经试运转确认无问题后才能投入施工。4.操作工应持证上岗应由持有有效指挥证的指挥工施行指挥。5.制止越级调速和高速时突然停车。6.当机构出现不正常时应及时停车将重物放下切断电源找出原因排除故障后才能继续工作制止然工作过程中调整或检修。7.必须遵守“十不吊〞等有关平安规程。8.爬升操作时应按说明书规定步骤进展。注意校正垂直度使之偏向不大于千分之一按施工组织设计固定好套架四级以上不准爬升。9.工作完毕后应把吊钩提起小车收进所有操作手把置于零位切断电源锁好配电箱关闭司机室门窗。施工现场针对性安全交底交底人签名承受交底负责人签名交底时间年月日作业人员签名本表一式两份班组自存一份资料室归档一份。

1、当您付费下载文档后,您只拥有了使用权限,并不意味着购买了版权,文档只能用于自身使用,不得用于其他商业用途(如 [转卖]进行直接盈利或[编辑后售卖]进行间接盈利)。
2、本站所有内容均由合作方或网友上传,本站不对文档的完整性、权威性及其观点立场正确性做任何保证或承诺!文档内容仅供研究参考,付费前请自行鉴别。
3、如文档内容存在违规,或者侵犯商业秘密、侵犯著作权等,请点击“违规举报”。

碎片内容

内爬式塔式起重机安全技术交底

精品中小学文档+ 关注
实名认证
内容提供者

精品资料,值得下载

确认删除?
VIP
微信客服
  • 扫码咨询
会员Q群
  • 会员专属群点击这里加入QQ群
客服邮箱
回到顶部