电脑桌面
添加小米粒文库到电脑桌面
安装后可以在桌面快捷访问

钻孔灌注桩质量监理实施细则VIP免费

钻孔灌注桩质量监理实施细则_第1页
1/6
钻孔灌注桩质量监理实施细则_第2页
2/6
钻孔灌注桩质量监理实施细则_第3页
3/6
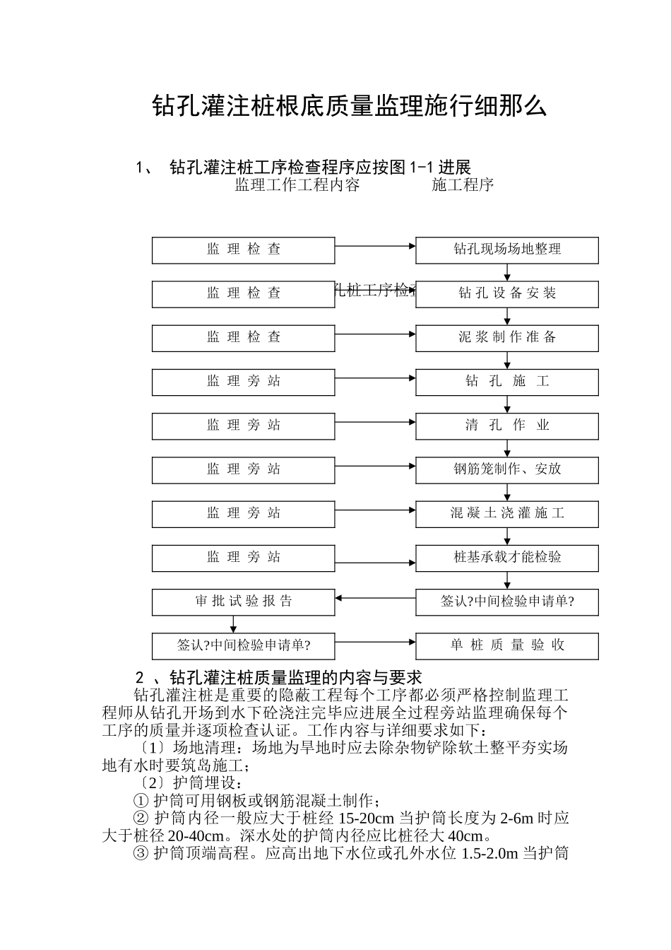
监理旁站钻孔灌注桩根底质量监理施行细那么1、钻孔灌注桩工序检查程序应按图1-1进展监理工作工程内容施工程序图1-1钻孔桩工序检查程序图2、钻孔灌注桩质量监理的内容与要求钻孔灌注桩是重要的隐蔽工程每个工序都必须严格控制监理工程师从钻孔开场到水下砼浇注完毕应进展全过程旁站监理确保每个工序的质量并逐项检查认证。工作内容与详细要求如下:〔1〕场地清理:场地为旱地时应去除杂物铲除软土整平夯实场地有水时要筑岛施工;〔2〕护筒埋设:①护筒可用钢板或钢筋混凝土制作;②护筒内径一般应大于桩经15-20cm当护筒长度为2-6m时应大于桩径20-40cm。深水处的护筒内径应比桩径大40cm。③护筒顶端高程。应高出地下水位或孔外水位1.5-2.0m当护筒审批试验报告监理检查钻孔现场场地整理监理检查钻孔设备安装监理检查泥浆制作准备监理旁站钻孔施工监理旁站监理旁站监理旁站签认?中间检验申请单?清孔作业钢筋笼制作、安放混凝土浇灌施工桩基承载才能检验签认?中间检验申请单?单桩质量验收处于干旱地时其顶端应高出地下水位1.5m-2.0m还应高出地面0.3m。④⑤护筒平面位置的偏向不得大于5cm护筒与桩轴线的偏向不得大于1。〔3〕泥浆:钻孔需用泥浆时开工前应备足够的粘土备用亚粘土时其塑性指数不宜小于15大于0.1mm的颗粒不宜超过6调制的钻孔泥浆及经过循环净化的泥浆应根据钻孔和土层情况采用不同的指标一般可按表3-11选用。但不得超过设计规定。泥浆指标表1-2钻孔地层情况泥浆性能指标相对度粘度含沙率胶体率失水率泥皮厚静切力酸碱度〔Pa·s〕〔〕〔〕〔ml/30min〕(mn/30min)(Pa)(ph)正循环一般地层1.05~1.2016~228~4≥96≤25≤21.0~2.58~10易坍地层1.20~1.4519~288~4≥96≤15≤23~58~10反循环一般地层1.02~1.2016~20≤4≥95≤20≤31~2.58~10易坍地层1.06~1.1018~28≤4≥95≤20≤31~2.58~10卵石土1.10~1.1520~35≤4≥95≤20≤31~2.58~10推一1.10~18~24≤4≥9≤20≤31~2.58~11钻冲抓般地层1.205冲击易坍地层1.20~1.4022~30≤4≥95≤20≤33~58~11当采用正、反回转钻钻孔时应准备泥浆槽泥浆沉淀池等。泥浆槽的长度不小于15m底坡不宜大于1沉淀池的容积:正循环钻孔一般约为钻孔体积的1/3-1/2;反循环钻机包括供水池窖一般约为钻孔体积的1.2-2倍。泥浆泵宜根据钻杆内径、钻孔直径和深度等因素考虑浮悬钻渣所需最小上升流速计算所需泵压和流量后加以选定。〔4〕钻孔:①桩的钻孔和开挖开场时间应在中距5m内的任何桩的混凝土灌注完成后24小时才能开场以防止干扰邻桩混凝土的凝固。②钻孔应连续进展不得中断如用抓斗开挖应注意提升抓斗时下面不致产生真空。③软土地段桥台处的钻孔均应在地基处理完成并到达设计要求前方可施工。④钻孔时须及时填写钻孔记录在土层变化处捞取渣样判明土层以便与地质剖面图相核对。〔5〕清孔:①钻孔到达图纸规定的深度后且成孔质量符合要求或监理工程师要求应立即进展清孔。清孔时孔内水位应保持在地下水位或河流水位以上1.5-2.0m以防止钻孔的任何塌陷。②钻孔底沉淀物厚度:对于摩擦桩应不大于设计规定对于柱桩应不大于图纸规定值如图纸无规定不得大于5cm。③用换浆法清孔后的泥浆指标:相对度1.03~1.10〔kg/cm3×103〕;粘度17-20〔Pa.S〕;含砂率<2。〔6〕钻孔质量检查:①钻孔过程中应用孔规和其他仪器对钻孔直径进展检查孔规外径应不小于桩的设计直径〔钢筋笼直径加100mm不得大于钻机直径〕孔规的长度宜为直径的4-6倍。当钻孔深度到达设计要求在清孔完毕放置钢筋骨架之前应对全长进展检查并报请构造监理工程师复查。②钻孔检查发现有缺陷例如中心不符、超出垂直线、直径减小椭圆截面、孔内有漂石等承包人应就这些缺陷作出送构造监理工程师并采取适当措施予以改正修补措施和费用由承包人负担。③钻孔应符合以下允许偏向:a.平面位置:群桩不大于10cm单排桩不大于5cm。b.钻孔直径:不小于桩图示直径。c.倾斜率:直桩不大于1;斜桩不超过图示斜率的±2.5。d.深度:对于摩擦桩不小于图示;对于柱桩应比图示超深不小于5cm。〔7〕水下砼的配置:①水泥除要符合现行外其初凝时间不宜早于2.5小时水泥标不宜低于42.5每立方米砼用量...

1、当您付费下载文档后,您只拥有了使用权限,并不意味着购买了版权,文档只能用于自身使用,不得用于其他商业用途(如 [转卖]进行直接盈利或[编辑后售卖]进行间接盈利)。
2、本站所有内容均由合作方或网友上传,本站不对文档的完整性、权威性及其观点立场正确性做任何保证或承诺!文档内容仅供研究参考,付费前请自行鉴别。
3、如文档内容存在违规,或者侵犯商业秘密、侵犯著作权等,请点击“违规举报”。

碎片内容

钻孔灌注桩质量监理实施细则

教育教学文库+ 关注
实名认证
内容提供者

本店有大量的教育教学资料,课件

确认删除?
VIP
微信客服
  • 扫码咨询
会员Q群
  • 会员专属群点击这里加入QQ群
客服邮箱
回到顶部