电脑桌面
添加小米粒文库到电脑桌面
安装后可以在桌面快捷访问

固定管板换热器计算书VIP免费

固定管板换热器计算书_第1页
1/23
固定管板换热器计算书_第2页
2/23
固定管板换热器计算书_第3页
3/23
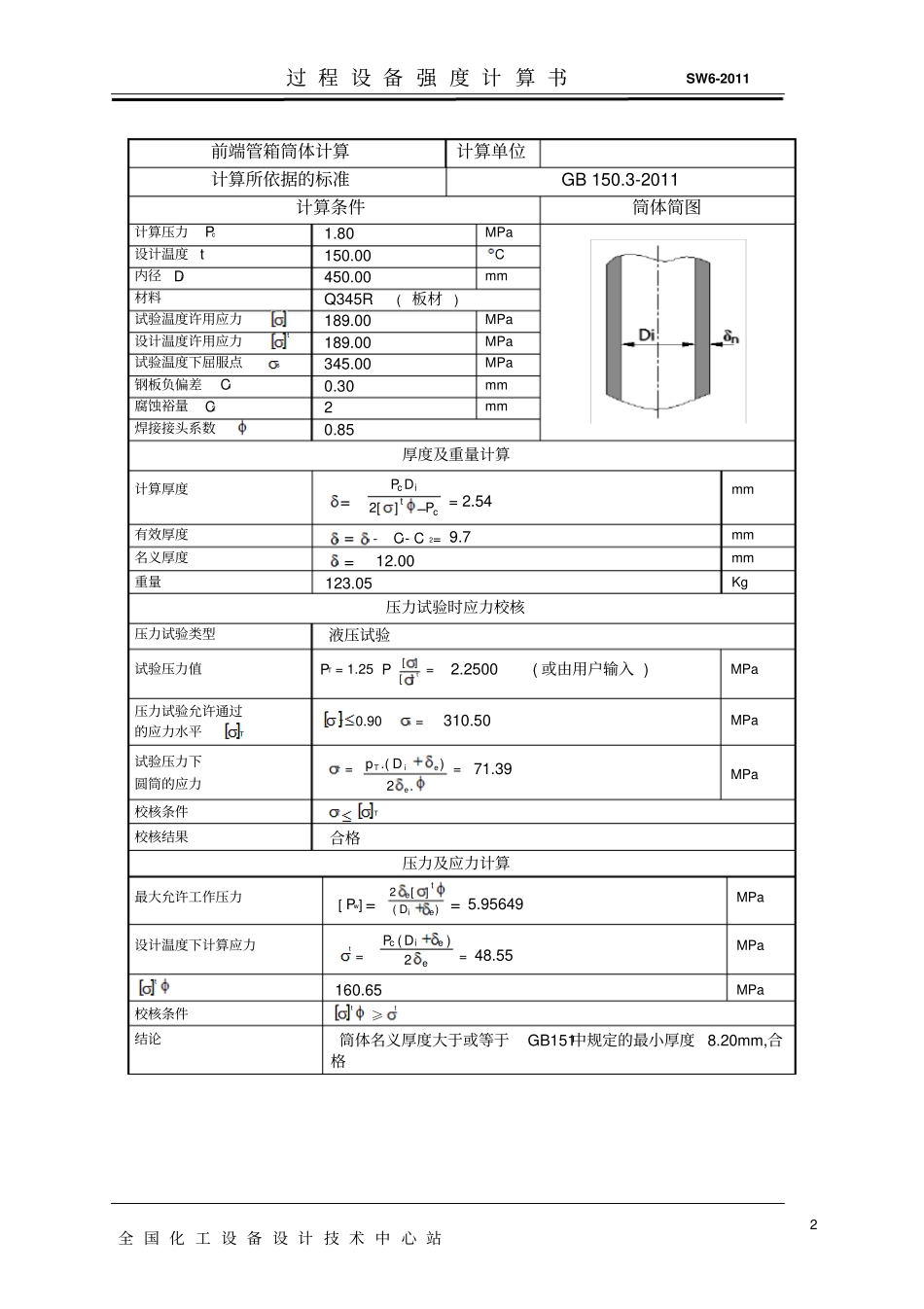
过程设备强度计算书SW6-2011全国化工设备设计技术中心站0软件批准号:CSBTS/TC40/SC5-D01-1999DATASHEETOFPROCESSEQUIPMENTDESIGN工程名:PROJECT设备位号:ITEM设备名称:原料气压缩机一级冷却器EQUIPMENT图号:FXLSZ-02-00DWGNO。设计单位:抚顺新纪元炼化设备有限公司DESIGNER设计Designedby刘治海日期Date2015.3.25校核Checkedby刘治海日期Date2015.3.25审核Verifiedby日期Date审定Approvedby日期Date过程设备强度计算书SW6-2011全国化工设备设计技术中心站1固定管板换热器设计计算计算单位抚顺新纪元炼化设备有限公司设计计算条件壳程管程设计压力ps0.5MPa设计压力pt1.8MPa设计温度ts50C设计温度tt150C壳程圆筒内径Di450mm管箱圆筒内径Di450mm材料名称Q345R材料名称Q345R简图计算内容壳程圆筒校核计算前端管箱圆筒校核计算前端管箱封头(平盖)校核计算后端管箱圆筒校核计算后端管箱封头(平盖)校核计算管箱法兰校核计算开孔补强设计计算管板校核计算过程设备强度计算书SW6-2011全国化工设备设计技术中心站2前端管箱筒体计算计算单位计算所依据的标准GB150.3-2011计算条件筒体简图计算压力Pc1.80MPa设计温度t150.00C内径Di450.00mm材料Q345R(板材)试验温度许用应力189.00MPa设计温度许用应力t189.00MPa试验温度下屈服点s345.00MPa钢板负偏差C10.30mm腐蚀裕量C22mm焊接接头系数0.85厚度及重量计算计算厚度=PDPcitc2[]=2.54mm有效厚度e=n-C1-C2=9.7mm名义厚度n=12.00mm重量123.05Kg压力试验时应力校核压力试验类型液压试验试验压力值PT=1.25P[][]t=2.2500(或由用户输入)MPa压力试验允许通过的应力水平TT0.90s=310.50MPa试验压力下圆筒的应力T=pDTiee.().2=71.39MPa校核条件TT校核结果合格压力及应力计算最大允许工作压力[Pw]=2etie[]()D=5.95649MPa设计温度下计算应力t=PDciee()2=48.55MPat160.65MPa校核条件t≥t结论筒体名义厚度大于或等于GB151中规定的最小厚度8.20mm,合格过程设备强度计算书SW6-2011全国化工设备设计技术中心站3过程设备强度计算书SW6-2011全国化工设备设计技术中心站4前端管箱封头计算计算单位计算所依据的标准GB150.3-2011计算条件椭圆封头简图计算压力Pc1.80MPa设计温度t150.00C内径Di450.00mm曲面深度hi112.50mm材料Q345R(板材)设计温度许用应力t189.00MPa试验温度许用应力189.00MPa钢板负偏差C10.30mm腐蚀裕量C22mm焊接接头系数1.00压力试验时应力校核压力试验类型液压试验试验压力值PT=1.25Pc=2.2500MPa压力试验允许通过的应力tT0.90s=310.50MPa试验压力下封头的应力T=.4).(eeiTDp=78.45MPa校核条件TT校核结果合格压力试验时应力校核压力试验类型液压试验试验压力值PT=1.25Pc=2.2500MPa压力试验允许通过的应力tT0.90s=310.50MPa试验压力下封头的应力T=.2)5.0.(eeiTKDp=78.45MPa校核条件TT校核结果合格厚度及重量计算形状系数K=2ii2261hD=1.0000计算厚度h=KPDPcitc205[].=2.15mm有效厚度eh=nh-C1-C2=7.7mm最小厚度min=3.00mm名义厚度nh=10.00mm结论满足最小厚度要求重量20.42Kg过程设备强度计算书SW6-2011全国化工设备设计技术中心站5压力计算最大允许工作压力[Pw]=205[].teieKD=5.42085MPa结论合格过程设备强度计算书SW6-2011全国化工设备设计技术中心站6后端管箱筒体计算计算单位计算所依据的标准GB150.3-2011计算条件筒体简图计算压力Pc1.80MPa设计温度t150.00C内径Di450.00mm材料Q345R(板材)试验温度许用应力189.00MPa设计温度许用应力t189.00MPa试验温度下屈服点s345.00MPa钢板负偏差C10.30mm腐蚀裕量C22mm焊接接头系数0.85厚度及重量计算计算厚度=PDPcitc2[]=2.54mm有效厚度e=n-C1-C2=9.7mm名义厚度n=12.00mm重量136.72Kg压力试验时应力校核压力试验类型液压试验试验压力值PT=1.25P[][]t=2.2500(或由用户输入)MPa压力试验允许通过的应力水平TT0.90s=310.50MPa试验压力下圆筒的应力T=pDTiee.().2=71.39MPa校核条件TT校核结果合格压力及应力计算最大允许工作压力[Pw]=2etie[]()D=5.95649MPa设计温度下计算应力t=PDciee()2=48.55MPat160.65MPa校核条件t≥t结论筒体名义厚度大于或等于GB151中规定的最小厚度8.20mm,合格过程设备强度计算书SW6-2011全国化...

1、当您付费下载文档后,您只拥有了使用权限,并不意味着购买了版权,文档只能用于自身使用,不得用于其他商业用途(如 [转卖]进行直接盈利或[编辑后售卖]进行间接盈利)。
2、本站所有内容均由合作方或网友上传,本站不对文档的完整性、权威性及其观点立场正确性做任何保证或承诺!文档内容仅供研究参考,付费前请自行鉴别。
3、如文档内容存在违规,或者侵犯商业秘密、侵犯著作权等,请点击“违规举报”。

碎片内容

固定管板换热器计算书

爱的疯狂+ 关注
实名认证
内容提供者

该用户很懒,什么也没介绍

确认删除?
VIP
微信客服
  • 扫码咨询
会员Q群
  • 会员专属群点击这里加入QQ群
客服邮箱
回到顶部