电脑桌面
添加小米粒文库到电脑桌面
安装后可以在桌面快捷访问

陕西煤矿分布VIP免费

陕西煤矿分布_第1页
1/11
陕西煤矿分布_第2页
2/11
陕西煤矿分布_第3页
3/11
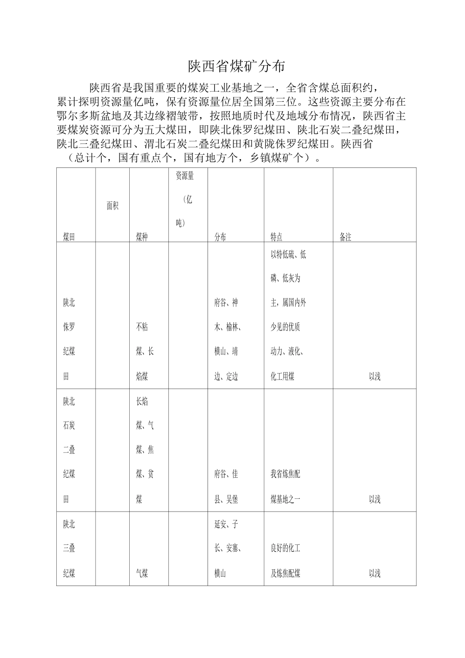
陕西省煤矿分布陕西省是我国重要的煤炭工业基地之一,全省含煤总面积约,累计探明资源量亿吨,保有资源量位居全国第三位。这些资源主要分布在鄂尔多斯盆地及其边缘褶皱带,按照地质时代及地域分布情况,陕西省主要煤炭资源可分为五大煤田,即陕北侏罗纪煤田、陕北石炭二叠纪煤田,陕北三叠纪煤田、渭北石炭二叠纪煤田和黄陇侏罗纪煤田。陕西省(总计个,国有重点个,国有地方个,乡镇煤矿个)。煤田面积煤种资源量(亿吨)分布特点备注以特低硫、低磷、低灰为陕北府谷、神主,属国内外侏罗不粘木、榆林、少见的优质纪煤煤、长横山、靖动力、液化、田焰煤边、定边化工用煤以浅陕北长焰石炭煤、气二叠煤、焦纪煤煤、贫府谷、佳我省炼焦配田煤县、吴堡煤基地之一以浅陕北延安、子三叠长、安塞、良好的化工纪煤气煤横山及炼焦配煤以浅田渭北石炭二叠纪煤田瘦煤、贫煤及少量焦煤韩城、合阳、澄县、蒲城、白水、铜川动力、炼焦以浅黄陇侏罗纪煤田长焰、弱粘及少量气煤黄陵、铜川、耀县、旬邑、淳化、彬县、长武、永寿、麟游、千阳、陇县、凤翔良好的动力用煤和气化用煤,也可以作为煤炭液化的原料煤以浅其它焦煤、瘦煤、贫煤、石煤洛南、商州、镇巴以浅合计榆林分局(总计个,国有重点个,国有地方个,乡镇煤矿个)一、国有重点(个)1DDDDDDDD府谷县2DDDDDDDDDD府谷县3.DDDDD神木县4.DDDDD神木县5.DDDDD神木县6.DDDDD神木县7.DDDDD神木县8.DDDDD神木县9.DDDDDD神木县10.DDDDDDD神木县11.DDDDDDD神木县12.DDDDD神木县13.DDDDD神木县14.DDDDD神木县15.DDDD神木县16.DDDDD榆阳区17.DDDDDD榆阳区二、国有地方(个)1.DDDD府谷县2.DDDDD府谷县3.DDDDD府谷县4.DDDDD府谷县5.00000横山县铜川分局(总计个,国有重点个,国有地方个,乡镇煤矿个)一国有重点(个)1.DDDDD铜川耀州区2.DDDDD铜川耀州区3.DDDDD铜川印台区4.DDDD铜川印台区5.DDDDD铜川印台区6.DDDD铜川印台区7.DDDD铜川印台区8.DDDDD铜川印台区9.DDDDDDDDDDDD延安黄陵县10.DDDDDDDDDDDD延安黄陵县11.DDDDDDDD延安黄陵县12.DDDDDDDDDDDD延安黄陵县13.DDDDDDDDDDDD延安黄陵县14.DDDDDDDD延安黄陵县15.DDDDDDDD延安黄陵县二国有地方(个)1.DDDDDDDDDDD铜川耀州区2.DDDDDDD铜川耀州区3.DDDDDDDD铜川耀州区4.DDDDDDDDDDD铜川耀州区5.DDDDDDDDDDDD铜川耀州区6.DDDDDDDDDDDDD铜川耀州区7.DDDDDDDDDDDDDDDD铜川宜君县8.DDDDDDDDDDDDDDD铜川宜君县9.DDDDDDDDDDDDD铜川印台区10.DDDDDDDDDDDD延安宝塔区11.DDDDDDDDDD延安宝塔区12.DDDDDDDDDDDD延安富县13.DDDDD延安黄陵县14.DDDDDDDD延安黄陵县15.DDDDDDDD(DDDDDDDD)延安黄陵县16.DDDDDDDDDDDDDDDD延安黄陵县17.DDDDDDDDDDDDDDDD延安黄陵县18.DDDDDDDDDDDDDD延安黄龙县19.DDDDDDDD延安延长县20.DDDDDDDDDDDDD延安子长延安子21.DDDDDDDDDDD22.DDDDDDDDDDD23.DDDDDDDD延安子延安子延安子24.DDDDDDDDDDD渭南分局(总计个,国有重点个,国有地方个,乡镇煤矿个)一国有重点(个)1.DDDDD白水县2.DDDD白水县3.DDDDDDDDDD白水县4.DDDDDDDDDDDDDDDDDD澄城县5.DDDDDDDDDDDDDDD澄城县6.DDDDDDDDDDDD澄城县7.DDDDDD韩城市8.DDDDD韩城市9.DDDD(DDDD)韩城市10.DDDDDDDDDDDDDDDD合阳县二国有地方(个)1.DDDDDDDDDDD白水县2.DDDDDDDDDD白水县3.DDDD白水县4.DDDDDDD澄城县5.DDDDDDDDDDDDDDD澄城县6.DDDDDDDDDDDDD澄城县7.DDDDDDD澄城县8.DDDDDDDDDDDD合阳县9.DDDDDDDDDDDD合阳县10.DDDDD(DDDD)蒲城县11.DDDDD(DDDD)蒲城县12.DDDD蒲城县咸阳分局(总计个,国有重点个,国有地方个,乡镇煤矿个)一国有重点(个)1.DDDDD彬县2.DDDDD彬县3.DDDD彬县4.DDDDDDDDDD长武县5.DDDDDDDDD长武县二国有地方(个)1.DDDDDDDDDDDDDD彬县2.DDDDDDDDDDDDD彬县3.DDDDDDDDDDD彬县4.DDDDDDDDDD长武县5.DDDDDDDD淳化县6.DDDDDDDD淳化县7.DDDDD旬邑县8.DDDD旬邑县9.DDDDD旬邑县10.DDDDD旬邑县11.DDDDD旬邑县12.DDDDD永寿县13.DDDDDDDDDDD宝鸡麟游县14.DDDDD宝鸡麟游县15.DDDDDDDDDDDD宝鸡陇县16.DDDD商洛洛南县17.DDDDD商洛洛南县18.DDDD商洛洛南县19.DDDDD商洛商州区20.DDDDDDD9DDDDD21DDD汉中镇巴县21.DDDD汉中镇巴县

1、当您付费下载文档后,您只拥有了使用权限,并不意味着购买了版权,文档只能用于自身使用,不得用于其他商业用途(如 [转卖]进行直接盈利或[编辑后售卖]进行间接盈利)。
2、本站所有内容均由合作方或网友上传,本站不对文档的完整性、权威性及其观点立场正确性做任何保证或承诺!文档内容仅供研究参考,付费前请自行鉴别。
3、如文档内容存在违规,或者侵犯商业秘密、侵犯著作权等,请点击“违规举报”。

碎片内容

陕西煤矿分布

您可能关注的文档

wxg+ 关注
实名认证
内容提供者

该用户很懒,什么也没介绍

确认删除?
VIP
微信客服
  • 扫码咨询
会员Q群
  • 会员专属群点击这里加入QQ群
客服邮箱
回到顶部