电脑桌面
添加小米粒文库到电脑桌面
安装后可以在桌面快捷访问

班级班前安全活动记录AQ261doc(混凝土工班)VIP专享VIP免费

班级班前安全活动记录AQ261doc(混凝土工班)_第1页
1/37
班级班前安全活动记录AQ261doc(混凝土工班)_第2页
2/37
班级班前安全活动记录AQ261doc(混凝土工班)_第3页
3/37
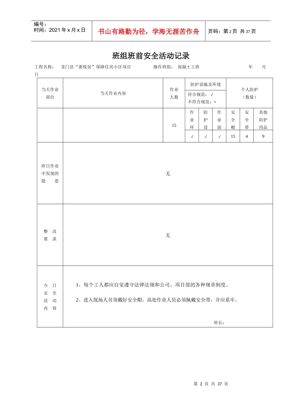
第1页共37页编号:时间:2021年x月x日书山有路勤为径,学海无涯苦作舟页码:第1页共37页AQ5.6.1班组班前安全活动记录工程名称:龙门县“惠悦居”保障住房小区项目施工单位:惠州市大亚湾建筑工程总公司班组名称:混凝土工班第2页共37页第1页共37页编号:时间:2021年x月x日书山有路勤为径,学海无涯苦作舟页码:第2页共37页班组班前安全活动记录工程名称:龙门县“惠悦居”保障住房小区项目操作班组:混凝土工班年月日当天作业部位当天作业内容作业人数防护设施及环境个人防护(数量)符合规范:√不符合规范:×15作业环防护设作业面安全帽安全带其他防护用品√√√1549昨日作业中发现的隐患无整改要求无今日安全活动内容1、每个工人都应自觉遵守法律法规和公司、项目部的各种规章制度。2、进入现场人员须戴好安全帽,高处作业人员必须佩戴安全带,并应系牢。班长:第3页共37页第2页共37页编号:时间:2021年x月x日书山有路勤为径,学海无涯苦作舟页码:第3页共37页参加活动作业人员名单莫胜华黄立坤廖观送赖燕波黄连超曾日明唐俊民王助平邵风唐章兵周永祥将飞跃何智明邓金芝李建注:参加活动作业人员名单由记录人填写,班组班前活动记录单独组卷,每本填写后交资料只存档。班组班前安全活动记录工程名称:龙门县“惠悦居”保障住房小区项目操作班组:混凝土工班年月日当天作业部位当天作业内容作业人数防护设施及环境个人防护(数量)符合规范:√不符合规范:×15作业环防护设作业面安全帽安全带其他防护用品√√√1549昨日作业中发现的隐患无整改要求无第4页共37页第3页共37页编号:时间:2021年x月x日书山有路勤为径,学海无涯苦作舟页码:第4页共37页今日安全活动内容铺设车道板时,两头需搁置平稳,并用钉子固定,在车道板下面每隔1.5m需加横楞、顶撑,5m以上的高空架道,必须装有防护栏杆。车道板上应经常清扫垃圾、石子等以防行车受阻、人仰车翻。班长:参加活动作业人员名单莫胜华黄立坤廖观送赖燕波黄连超曾日明唐俊民王助平邵风唐章兵周永祥将飞跃何智明邓金芝李建注:参加活动作业人员名单由记录人填写,班组班前活动记录单独组卷,每本填写后交资料只存档。班组班前安全活动记录工程名称:龙门县“惠悦居”保障住房小区项目操作班组:混凝土工班年月日当天作业部位当天作业内容作业人数防护设施及环境个人防护(数量)符合规范:√不符合规范:×15作业环防护设作业面安全帽安全带其他防护用品√√√1549昨日作业中发现的隐患无第5页共37页第4页共37页编号:时间:2021年x月x日书山有路勤为径,学海无涯苦作舟页码:第5页共37页整改要求无今日安全活动内容用物料提升机浇捣混凝土时,指挥扶斗人员与物料提升机操作员应密切配合,当吊篮放下料斗时,操作人员应主动避让,应随时注意料斗碰头,并应站立稳当,防止料斗碰人坠落。班长:参加活动作业人员名单莫胜华黄立坤廖观送赖燕波黄连超曾日明唐俊民王助平邵风唐章兵周永祥将飞跃何智明邓金芝李建注:参加活动作业人员名单由记录人填写,班组班前活动记录单独组卷,每本填写后交资料只存档。班组班前安全活动记录工程名称:龙门县“惠悦居”保障住房小区项目操作班组:混凝土工班年月日当天作业部位当天作业内容作业人数防护设施及环境个人防护(数量)符合规范:√不符合规范:×15作业环防护设作业面安全帽安全带其他防护用品√√√1549第6页共37页第5页共37页编号:时间:2021年x月x日书山有路勤为径,学海无涯苦作舟页码:第6页共37页昨日作业中发现的隐患无整改要求无今日安全活动内容车道板单车行走不小于1.4m宽,双车来回不小于5.8m宽。在运料时,前后应保持一定的车距,不准奔走、抢道或超车,到终点卸料时,双手应扶牢车把卸料,严禁双手脱把,防止翻车伤人。班长:参加活动作业人员名单莫胜华黄立坤廖观送赖燕波黄连超曾日明唐俊民王助平邵风唐章兵周永祥将飞跃何智明邓金芝李建注:参加活动作业人员名单由记录人填写,班组班前活动记录单独组卷,每本填写后交资料只存档。班组班前安全活动记录工程名称:龙门县“惠悦居”保障住房小区项目操作班组:混凝土工班年月日当天作业部位当天作业内容作业人数防护...

1、当您付费下载文档后,您只拥有了使用权限,并不意味着购买了版权,文档只能用于自身使用,不得用于其他商业用途(如 [转卖]进行直接盈利或[编辑后售卖]进行间接盈利)。
2、本站所有内容均由合作方或网友上传,本站不对文档的完整性、权威性及其观点立场正确性做任何保证或承诺!文档内容仅供研究参考,付费前请自行鉴别。
3、如文档内容存在违规,或者侵犯商业秘密、侵犯著作权等,请点击“违规举报”。

碎片内容

班级班前安全活动记录AQ261doc(混凝土工班)

确认删除?
VIP
微信客服
  • 扫码咨询
会员Q群
  • 会员专属群点击这里加入QQ群
客服邮箱
回到顶部