电脑桌面
添加小米粒文库到电脑桌面
安装后可以在桌面快捷访问

双线大桥挖孔桩技术交底记录VIP专享VIP免费

双线大桥挖孔桩技术交底记录_第1页
1/5
双线大桥挖孔桩技术交底记录_第2页
2/5
双线大桥挖孔桩技术交底记录_第3页
3/5
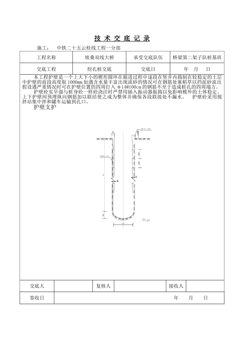
技术交底记录施工:中铁二十五云桂线工程一分部工程名称坡桑双线大桥承受交底队伍桥梁第二架子队桩基班交底工程挖孔桩交底交底日年月日施工技术交底内容:坡桑双线大桥0#台、1#墩、3#墩、4#台均采用挖孔桩各墩台对应的桩详见下表:序墩桩基类型桩径根数长度〔m〕共长〔m〕备注10#台挖孔桩Φ1.2586〔5根〕及8〔3根〕54柱桩21#挖孔桩Φ1.258972柱桩33#挖孔桩Φ1.25810或872柱桩44#台挖孔桩Φ1.258648柱桩挖孔桩施工工艺流程场地平整放线定桩位→浇垫层→架设支架和电动葫芦安装潜水泵〔假如需要〕、鼓风机、照明设备等→自挖下1米左右土层进展桩孔周壁的清理标核桩孔的直径和垂直度→支撑护壁模板→浇灌一周护壁砼→拆模后继续下挖支模浇护壁砼循环作业直到到达设计要求深度→对桩孔直径深度垂直度持力层进展全面验收→排除孔底积水钢筋笼设置用粗直径钢筋固定每2M为一处→浇灌桩身砼。施工测量放线、定桩位及高程:根据建筑物测量控制料和桩位平面布置图测定桩位方格控制网和高程基准点确定好桩位中心以桩位中心为圆心以桩身半径加护壁厚度为半径画出上部圆周撒石灰线作为桩孔开挖尺寸线桩位线定好后经监理复查合格前方可开挖。开挖开挖第一节桩孔土方:开挖桩孔应从上到下逐层开挖先挖中间部的土方然后向周边扩挖有效控制桩孔的截面尺寸每节的开挖高度应根据土质和设计而定一般以0.9—1.2米为宜。第一节孔圈护壁应比下面的护壁厚100-150mm并应高出现场地面200-250mm上下护壁间的搭接长度不得少于50mm。支护壁模板、放附加钢筋:为防止护壁在爆破时震裂后下塌施工时护壁采用C20混凝土厚10cm~15cm。每下挖1m浇筑一节护壁再进展钻眼爆破爆破时不撤除模板用以保护护壁砼防止炸坏震裂。交底人复核人接收人签收日年月日技术交底记录施工:中铁二十五云桂线工程一分部工程名称坡桑双线大桥承受交底队伍桥梁第二架子队桩基班交底工程挖孔桩交底交底日年月日本工程护壁是一个上大下小的楔形圆环在掘进过程中逐段在竖井内捣制在较稳定的土层中护壁的前段高度取1000mm如遇含水量丰富出现流砂的情况可在钢筋处塞稻草以挡泥砂流出假设遇严重情况时可在护壁位置的四周打入φ14@100cm的钢筋不至于造成桩孔的四周塌方。护壁砼实早强与桩身砼一样砼浇注时严禁用插入振动器振捣以免影响模外的土体稳定。上下护壁间预埋纵向钢筋加以联结使之成为整体并确保各段联接处不漏水。护壁砼采用搅拌站集中拌和罐车运输到孔口。护壁支护交底人复核人接收人签收日年月日技术交底记录施工:中铁二十五云桂线工程一分部工程名称坡桑双线大桥承受交底队伍桥梁第二架子队桩基班交底工程挖孔桩交底交底日年月日浇筑第一节护壁砼:护壁模板支好后应立即浇注护壁砼人工浇筑人工捣实砼强度到达2.5Mpa即可拆模护壁砼应根据气候条件一般情况下浇灌完毕须经24H后可拆模。浇灌护壁砼时用敲击模板及用竹和木棒插实不得在桩孔水吞没模板的情况下灌注砼。发现护壁有蜂窝、漏水现象及时加以堵塞和导流防止孔外水通过护壁流入孔内保证护壁砼强度及平安。检查桩位〔中心〕轴线、标高:在地面上设十字控制网、基准点将桩控制轴线、高程测到第一节护壁上每节以十字线对中吊线锤作中心控制用尺杆找圆周以基准点测量孔深。施工人员必须熟悉所挖孔的地质情况并要勤检查注意土层的变化当遇到流沙、大量地下水等影响挖土平安时要立即采取有效防护措施后才能继续施工。架设垂直运输架:第一节桩孔成孔后着手在桩孔口上架设垂直运输架要求搭设稳定、结实。安装提升设备、吊桶、水泵、通风机等:安装提升设备时尽量使吊桶钢丝绳中心与桩孔中心重合以便挖土时能直观控制桩位中心和支模中心桩口上设围护栏当桩孔深大于5米时应向井下通风加强空气对流必要时输送氧气防止有气体危害。桩孔上人员亲观察桩孔下人员情况互相照应。开挖第二节桩孔土方:从第二节开场利用提升设备运土桩孔内人员应戴好平安帽防止土块、石块等杂物坠落孔内伤人。桩孔挖至规定深度后用尺竿检查桩孔的直径及井壁圆弧度修整孔壁使上下垂直平顺。先拆第一节、支第二节护壁模板、附加钢筋:护壁模板采用拆上节支下节依次周转使用模板上口留出高度为100㎜的砼浇筑口。浇筑第二...

1、当您付费下载文档后,您只拥有了使用权限,并不意味着购买了版权,文档只能用于自身使用,不得用于其他商业用途(如 [转卖]进行直接盈利或[编辑后售卖]进行间接盈利)。
2、本站所有内容均由合作方或网友上传,本站不对文档的完整性、权威性及其观点立场正确性做任何保证或承诺!文档内容仅供研究参考,付费前请自行鉴别。
3、如文档内容存在违规,或者侵犯商业秘密、侵犯著作权等,请点击“违规举报”。

碎片内容

双线大桥挖孔桩技术交底记录

确认删除?
VIP
微信客服
  • 扫码咨询
会员Q群
  • 会员专属群点击这里加入QQ群
客服邮箱
回到顶部