电脑桌面
添加小米粒文库到电脑桌面
安装后可以在桌面快捷访问

张集站路基施工技术交底1VIP免费

张集站路基施工技术交底1_第1页
1/7
张集站路基施工技术交底1_第2页
2/7
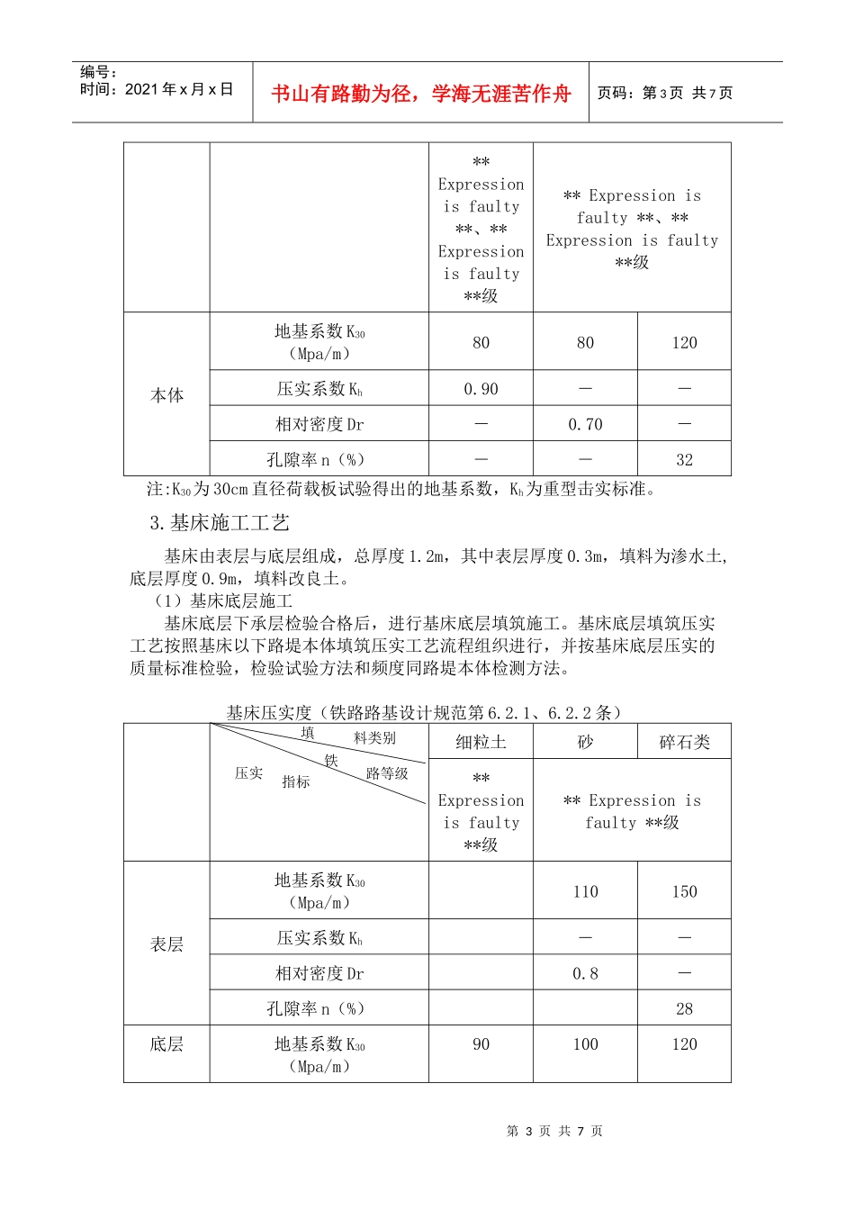
张集站路基施工技术交底1_第3页
3/7
第1页共7页编号:时间:2021年x月x日书山有路勤为径,学海无涯苦作舟页码:第1页共7页阜淮线谢桥站站场路基工程施工技术交底一、工程概况本次改造使车站到发线有效长延长到1050m。南侧路基帮宽起始里程K57+350,终止里程为K57+850;路基本堤采用C类土分层填筑,基床底层采用改良土填筑,基床表层采用渗水土填筑。站场路基面为锯齿型人字坡。路基边坡:路堤边坡为1:1.5。路肩墙:车站路基局部加宽地段用路肩墙收坡。采用明挖基础,基础埋置边缘距边坡宽度不小于1.0m,深度不小于0.5m,沿墙长每隔10m或与其他建筑相接处设置伸缩缝。二、控制桩设计路基坡脚边线桩、路基基床表面设计标高桩三、主要机械配备序号机械设备名称型号规格及说明单位数量1自卸汽车12t台52压路机15t台13挖掘机台24推土机台1四、施工工艺及要求1.基底处理挖除对路堤稳定不利的较薄覆盖土、草皮、树根等。松软地基,视情况采用重型机械碾压处理。施工前改建地段的边坡废碴、污土、杂草均应清除干净,原护墙、浆砌路肩应自基底向上随填土进度逐层拆除,随拆随回填。自下而上逐层开挖台阶,台阶伸入既有路基土体的宽不小于1m,台阶应随路基边填筑边开挖。路堤基底强度不符合设计要求时,进行换填,并予以分层压实。当松土不大于0.3米时,将原地面夯压密实。既有线帮坡段纵向分段清表,分段长度为不大于50m,且分层清表,随清随填筑(清一层表,填筑一层土),清表每层开挖大于等于1m宽的台阶。2.路基本堤填筑第2页共7页第1页共7页填料类别铁路等级压实指标编号:时间:2021年x月x日书山有路勤为径,学海无涯苦作舟页码:第2页共7页(1)采用纵向分层填筑压实的方法施工,分层厚度每层虚铺厚度40cm,每层填土沿路基横向每侧超填50cm,以方便机械压实作业,保证完工后的路堤边缘有足够的压实度。(2)摊铺整平每层填土用推土机配合人工整平,力求平整、均匀。摊铺时层面做成向两侧倾斜的2-4%的横向排水坡,以利于路基面排水。(4)洒水晾晒施工中填土料的含水率控制在不超过最佳含水率+2%,或不低于最佳含水率-3%的范围。当含水率不足时及时洒水,提高含水率;当含水率超过规定时采用摊平晾晒方法,降低含水率,铺填厚度可适当减薄。(5)碾压密实采用18t的重型振动压路机碾压,碾压要遵循先静压后动压,先轻后重、先慢后快的原则。压实施工顺序为:先压路基边缘,再压路基中间。压路机行驶速度采用2~5km/h。碾压施工中,压路机往返行驶的轮迹重叠30~40cm。直线段由两侧路肩向路中心碾压,即先边后中:曲线段自内侧路肩向外侧路肩进行碾压。碾压时沿纵向重叠0.4m,横缝衔接处应搭接,搭接长度不少于2m。重型振动压路机沿中线纵向碾压,每层压实厚度不超过30cm,路堤填层从两侧向中心顺序行驶碾压;做到:及时碾压、压够遍数、压到边缘、压到接合部、不漏压、无偏压、无死角、碾压均匀;作业段衔接处设临时标志;路基几何尺寸及标高实行“一层一验”制度,配足人员随层收坡,避免后期削肥补瘦的做法。(6)路基修整路基面修整,路基填筑高度接近路基设计标高时,加强高程测量控制,以保证完工后路基面的宽度、高程和平整度符合设计要求。路基填压完成后,进行中线高程测量,以此放出路肩边线,然后分段(100-200m)进行路基面的整修。表面需补填时,如补填厚度小于10cm,将压实层翻挖至最小填筑厚度,再补填同类土重新整平压实。路基经过整修后,做到肩棱明显,路拱坡面符合设计要求。(7)边坡修整依据路肩边线桩,按设计坡度挂线,刷去超填部分,进行人工修整、机械拍实,达到边坡坡面密实、平顺,无凹凸现象。(8)保证帮填路基的稳定措施:开挖台阶,帮填路基必需开挖台阶,挖台阶必须遵循“自下而上,随挖随填”的原则进行,台阶宽度必须≥1m。开挖台阶后采用压路机予以压实。(9)质量控制路堤施工中严格控制“三线五度”,确保施工质量。三线为:中线、两侧施工边线;五度即:填土厚度、压实密度、路基面的拱度、平整度和边坡坡度。填筑路堤时,做到随挖、随运、随填、随压,每层表面需设置2-4%的横向排水坡排水,与路基填筑同步进行,避免雨水冲刷边坡;若中途停工时,对表层及边坡加以修理,使之不积水,复工...

1、当您付费下载文档后,您只拥有了使用权限,并不意味着购买了版权,文档只能用于自身使用,不得用于其他商业用途(如 [转卖]进行直接盈利或[编辑后售卖]进行间接盈利)。
2、本站所有内容均由合作方或网友上传,本站不对文档的完整性、权威性及其观点立场正确性做任何保证或承诺!文档内容仅供研究参考,付费前请自行鉴别。
3、如文档内容存在违规,或者侵犯商业秘密、侵犯著作权等,请点击“违规举报”。

碎片内容

张集站路基施工技术交底1

确认删除?
VIP
微信客服
  • 扫码咨询
会员Q群
  • 会员专属群点击这里加入QQ群
客服邮箱
回到顶部