电脑桌面
添加小米粒文库到电脑桌面
安装后可以在桌面快捷访问

水库除险加固工程监理月报1VIP免费

水库除险加固工程监理月报1_第1页
1/9
水库除险加固工程监理月报1_第2页
2/9
水库除险加固工程监理月报1_第3页
3/9
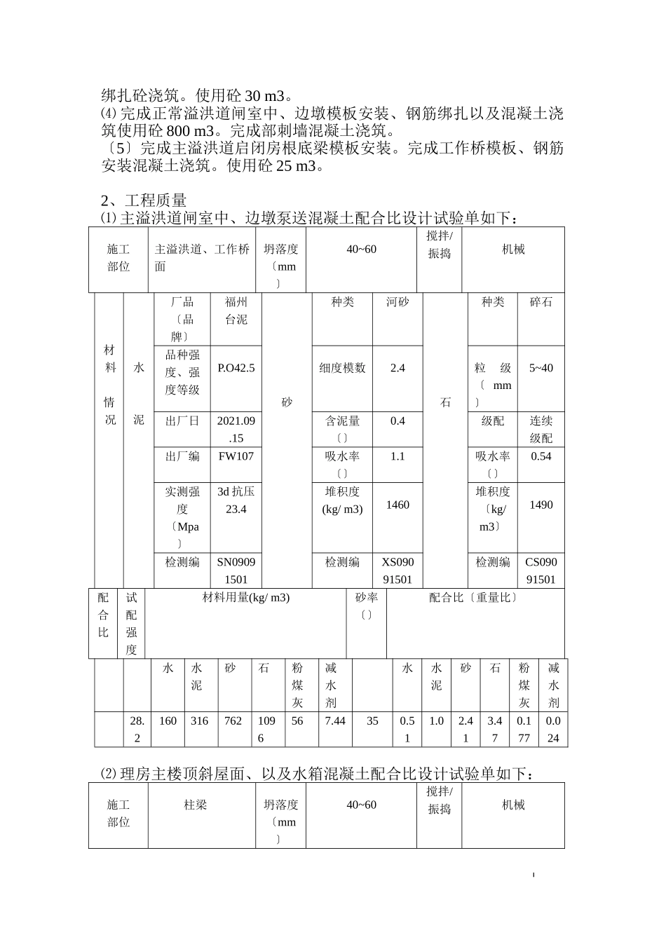
监理月报〔2021年1月〕〔监理[三溪]月报004〕合同名称:长乐三溪水库除险加固工程合同编:致:长乐三溪水库除险加固工程建立理处现呈报我方编写的2021年1月份监理月报请贵方审阅。随本监理月报一同上报以下附表:1、完成工程量月统计表。监理机构:福建龙岩兴利工程建立总监理工程师:日:年月日今已收到所报年月的监理月报及附件共份。发包人:签收人:日:年月日说明:监理月报一式3份由监理机构填写每月5日前报发包人。发包人签收后监理机构1份、发包人2份监理月报〔监理[2021]月报004〕2021年第0042021年12月25日至2021年1月25日工程名称:长乐三溪水库除险加固工程发包人:长乐三溪水库除险加固工程建立理处监理机构:福建龙岩兴利工程建立监理总/监理工程师:日:2021年1月25日一、监理工作开展情况:1、主持1月份二次监理例会。2、催促工程施工进度严抓工程平安、质量。3、审查相关质量证明资料及检测对材料、试块进展见证取样检测。4、平行送检工程原材料至福建水利水电科学院检测中心检测、试验配合比。5、向施工发出工程进度、质量及平安措施等2份监理。6、检查现场平安防护措施的落实工作对严重违章冒险作业行为下发监理书要求进展整改。7、审核混凝土浇注开仓报审表和工程进度款。二、工程进度、、质量情况1、工程进度:12月25日~1月25日主要完成以下工程量:⑴完成理房主楼斜屋面模板安装、钢筋绑扎以及混凝土浇筑;完成屋面水箱模板、钢筋安装绑扎混凝土浇筑;共使用砼80m3。⑵主坝完成0+108~0+218盖帽梁模板安装、钢筋绑扎、安装止水铜片安装以及砼浇筑使用砼200m3。⑶完成输水涵洞新斜拉杆、新钢筋网安装及启闭房模板安装、钢筋绑扎砼浇筑。使用砼30m3。⑷完成正常溢洪道闸室中、边墩模板安装、钢筋绑扎以及混凝土浇筑使用砼800m3。完成部刺墙混凝土浇筑。〔5〕完成主溢洪道启闭房根底梁模板安装。完成工作桥模板、钢筋安装混凝土浇筑。使用砼25m3。2、工程质量⑴主溢洪道闸室中、边墩泵送混凝土配合比设计试验单如下:施工部位主溢洪道、工作桥面坍落度〔mm〕40~60搅拌/振捣机械材料情况水泥厂品〔品牌〕福州台泥砂种类河砂石种类碎石品种强度、强度等级P.O42.5细度模数2.4粒级〔mm〕5~40出厂日2021.09.15含泥量〔〕0.4级配连续级配出厂编FW107吸水率〔〕1.1吸水率〔〕0.54实测强度〔Mpa〕3d抗压23.4堆积度(kg/m3)1460堆积度〔kg/m3〕1490检测编SN09091501检测编XS09091501检测编CS09091501配合比试配强度材料用量(kg/m3)砂率〔〕配合比〔重量比〕水水泥砂石粉煤灰减水剂水水泥砂石粉煤灰减水剂28.21603167621096567.44350.511.02.413.470.1770.024⑵理房主楼顶斜屋面、以及水箱混凝土配合比设计试验单如下:施工部位柱梁坍落度〔mm〕40~60搅拌/振捣机械材料情况水泥厂品〔品牌〕福州台泥砂种类河砂石种类碎石品种强度、强度等级P.O42.5细度模数2.4粒级〔mm〕5~40出厂日2021.09.15含泥量〔〕0.4级配连续级配出厂编FW107吸水率〔〕1.1吸水率〔〕0.54实测强度〔Mpa〕3d抗压23.4堆积度(kg/m3)1460堆积度〔kg/m3〕1490检测编SN09091501检测编XS09091501检测编CS09091501配合比试配强度材料用量(kg/m3)砂率〔〕配合比〔重量比〕水水泥砂石水水泥砂石28.217233151252340.561.001.953.78〔3〕主坝盖帽梁、启闭房混凝土浇筑配合比设计试验单如下:施工部位盖帽梁、启闭房坍落度〔mm〕40~60搅拌/振捣机械材料情况水泥厂品〔品牌〕福州台泥砂种类河砂石种类碎石品种强度、强度等级P.O42.5细度模数2.4粒级〔mm〕5~40出厂日2021.09.15含泥量〔〕0.4级配连续级配出厂编FW107吸水率〔〕1.1吸水率〔〕0.54实测强度〔Mpa〕3d抗压23.4堆积度(kg/m3)1460堆积度〔kg/m3〕1490检测编SN0909检测编XS090检测编CS09015019150191501配合比试配强度材料用量(kg/m3)砂率〔〕配合比〔重量比〕水水泥砂石粉煤灰减水剂水水泥砂石粉煤灰减水剂28.21603167621096567.44350.511.02.413.470.1770.024三、施工过程质量控制1、测量控制:对工程的分部、单元工程的测量和放样监理部都派专业的监理进展与施工结合测量。2、根底开挖:核验基槽开挖尺寸及地质情况是否到达设计要求。3、模板工程:检查...

1、当您付费下载文档后,您只拥有了使用权限,并不意味着购买了版权,文档只能用于自身使用,不得用于其他商业用途(如 [转卖]进行直接盈利或[编辑后售卖]进行间接盈利)。
2、本站所有内容均由合作方或网友上传,本站不对文档的完整性、权威性及其观点立场正确性做任何保证或承诺!文档内容仅供研究参考,付费前请自行鉴别。
3、如文档内容存在违规,或者侵犯商业秘密、侵犯著作权等,请点击“违规举报”。

碎片内容

水库除险加固工程监理月报1

确认删除?
VIP
微信客服
  • 扫码咨询
会员Q群
  • 会员专属群点击这里加入QQ群
客服邮箱
回到顶部