电脑桌面
添加小米粒文库到电脑桌面
安装后可以在桌面快捷访问

住宅小区管桩基础工程监理实施细则VIP免费

住宅小区管桩基础工程监理实施细则_第1页
1/7
住宅小区管桩基础工程监理实施细则_第2页
2/7
住宅小区管桩基础工程监理实施细则_第3页
3/7
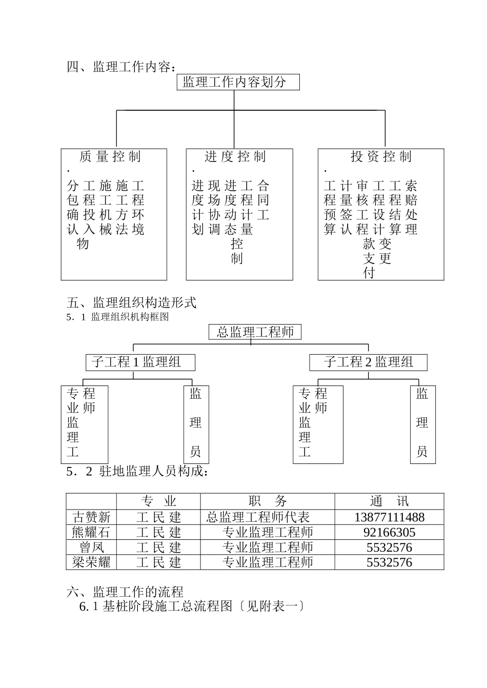
南湖碧园住宅小区桩根底工程监理施行细那么编:02-02日:日:南宁鸣发工程建立咨询有限责任南湖碧园住宅小区桩根底工程监理实施细那么一、监理施行细那么编制根据1.1工程监理规划1.2设计、图纸;与专业工程相关的、技术资料1.3施工组织设计二、桩根底工程特点2.1静压桩施工法是一种较新型的根底施工现行对此方面的规定较少且滞后尚未制定专门的具有较强的特殊性。故在监理过程中应从严要求严格执行选定的相应、技术资料擅长总结进步理技术把误差值降到最小。2.2根据勘察和设计图纸单桩竖向承载力设计值1500KN桩端持力层为砾层⑦及⑦—1桩端全断面进入圆砾层的深度不小于500mm桩长约20m。故应选用适宜的终压条件和终压力保证单桩承载力。2.3压桩机庞大自重大场地要求较高保证不陷机。2.4本工程基桩工程量大有一千七百多根桩要求精心组织桩的进场、吊装、堆放和流水作业施工保证工作面、进度不受干扰。2.5本工程为点式建筑轴线关系较复杂轴线桩位测设难度较大。2.6本工程根据勘察持力层在原回填土面-14.20~-20.70米之间相差较大。在施工过程中应及时调整桩长使桩顶标高尽量在73.50~74.50米〔绝对标高〕之间既保证承台标高要求又不因压桩机的行走影响已成桩质量。2.7成桩隐蔽容易产生第二判断错误资料整理应及时、全面、。三、监理工作的控制目的工目的、质量目的、控制目的见下表:序工程名称工目的目的质量目的1水云阁7天62万元优良2水天阁6天58万元优良3碧水园16天146万元优良4碧云阁23天221万元优良四、监理工作内容:监理工作内容划分质量控制·分工施施工包程工工程确投机方环认入械法境物进度控制·进现进工合度场度程同计协动计工划调态量控制投资控制·工计审工工索程量核程程赔预签工设结处算认程计算理款变支更付五、监理组织构造形式5.1监理组织机构框图总监理工程师子工程1监理组子工程2监理组专程业师监理工监理员专程业师监理工监理员5.2驻地监理人员构成:专业职务通讯古赞新工民建总监理工程师代表13877111488熊耀石工民建专业监理工程师92166305曾凤工民建专业监理工程师5532576梁荣耀工民建专业监理工程师5532576六、监理工作的流程6.1基桩阶段施工总流程图〔见附表一〕6.2各控制工作流程图〔见附表二〕1.工程开工/复工申请程序2.施工组织设计〔方案〕报审程序3.隐蔽工程和中间验收程序4.材料、构配件、设备验收程序5.工程质量事故处理程序6.设计变更处理程序7.工程款支付申请程序8.费用索赔申请程序9.工顺延申请程序6.3主要监理控制措施6.3.1质量控制措施:1.组织监理部进展图纸审查理解设计意图2.熟悉和掌握质量控制技术根据如JGJ-94-94、GB13476-99广东静压桩基技术规程广西静压桩验收技术暂行规定等。3.进展现场测量定位的核查。4.审查施工报审的施工组织设计〔方案〕。5.检查施工工程主要理人员到位情况及施工机械正常使用情况。6.严格按见证取样制度对桩进展检查验收有问题及时处理。7.协助施工完善质保工作体系。8.作好压桩隐蔽工程质量记录和检查把好质量关坚持上道工序不经检查验收合格不准进展下道工序的原那么不予签证计量。9.严格执行施工测量放线报验制度复核有关测设计算书放线表无误前方予定位放线。10.严格审批工程开工/复工申请。11.行使好质量否决权为工程进度款的支付签署质量认证未经总监签字不予拨付工程款。12.建立工程监理日记作好质量原始记录。13.组织现场协调会向业主有关质量动态情况签发。14.分阶段召开监理部人员进展工作总结进步理程度。15.严格执行工程质量事故处理制度及时向有关部门质量事故情况签发质量单。16.详细基桩施工工艺过程的质量控制如下表:序控制要点控制控制手段1桩成品进场验收过程检查观察、量测2桩位测设现场校核旁站、测量3桩的垂直度现场校正旁站、测量4焊接接桩现场验收旁站、观察5终压力操作监视旁站6稳压贯入度现场检查观察、测量7桩顶标高换桩调整旁站、测量17.质量控制表格〔见附录三〕1.审核开工条件适时签署开工。2.审核施工编制的施工进度方案编制工程施行总进度方案按合理方案...

1、当您付费下载文档后,您只拥有了使用权限,并不意味着购买了版权,文档只能用于自身使用,不得用于其他商业用途(如 [转卖]进行直接盈利或[编辑后售卖]进行间接盈利)。
2、本站所有内容均由合作方或网友上传,本站不对文档的完整性、权威性及其观点立场正确性做任何保证或承诺!文档内容仅供研究参考,付费前请自行鉴别。
3、如文档内容存在违规,或者侵犯商业秘密、侵犯著作权等,请点击“违规举报”。

碎片内容

住宅小区管桩基础工程监理实施细则

确认删除?
VIP
微信客服
  • 扫码咨询
会员Q群
  • 会员专属群点击这里加入QQ群
客服邮箱
回到顶部