电脑桌面
添加小米粒文库到电脑桌面
安装后可以在桌面快捷访问

施工监理常用表格1-施工格式VIP免费

施工监理常用表格1-施工格式_第1页
1/54
施工监理常用表格1-施工格式_第2页
2/54
施工监理常用表格1-施工格式_第3页
3/54
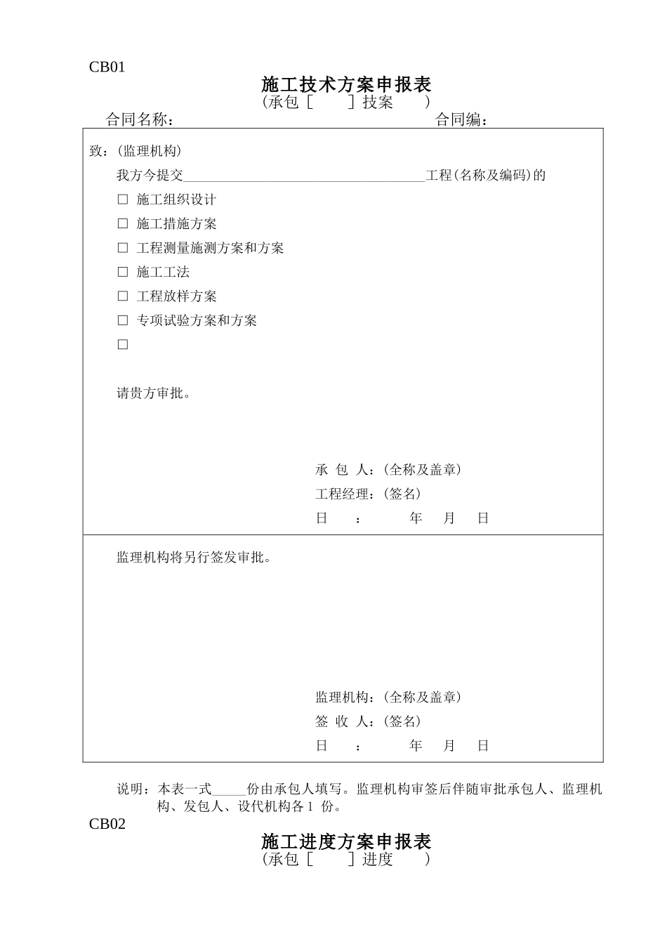
CB01施工技术方案申报表(承包[]技案)合同名称:合同编:致:(监理机构)我方今提交____________________________________工程(名称及编码)的□施工组织设计□施工措施方案□工程测量施测方案和方案□施工工法□工程放样方案□专项试验方案和方案□请贵方审批。承包人:(全称及盖章)工程经理:(签名)日:年月日监理机构将另行签发审批。监理机构:(全称及盖章)签收人:(签名)日:年月日说明:本表一式_____份由承包人填写。监理机构审签后伴随审批承包人、监理机构、发包人、设代机构各1份。CB02施工进度方案申报表(承包[]进度)合同名称:合同编:致:(监理机构)我方今提交____________________________________工程(名称及编码)的□施工总进度方案□施工年进度方案□施工月进度方案□请贵方审批。附件:1.施工进度方案2.图表、说明书共_____页。3.承包人:(全称及盖章)工程经理:(签名)日:年月日监理机构将另行签发审批。监理机构:(全称及盖章)签收人:(签名)日:年月日说明:本表一式_____份由承包人填写。监理机构审签后伴随审批承包人、监理机构、发包人、设代机构各1份。CB03施工图用图方案(承包[]图计)合同名称:合同编:致:(监理机构)我方今提交____________________________________工程(名称及编码)的□(总)用图方案□时段用图方案□请贵方审核。附件:1.施工进度方案2.承包人:(全称及盖章)工程经理:(签名)日:年月日监理机构将另行签发审核。监理机构:(全称及盖章)签收人:(签名)日:年月日说明:本表一式_____份由承包人填写。监理机构审签后伴随审核承包人、监理机构、发包人、设代机构各1份。CB04资金流方案申报表(承包[]资金)合同名称:合同编::致:(监理机构)我方今提交____________________________________工程工程的资金流方案请贵方审核。年月工程和材料预付款完成工作量付款保存金拘留其它应得付款合计附件:方案使用金额计算说明承包人:(全称及盖章)工程经理:(签名)日:年月日监理机构将另行签发审核。监理机构:(全称及盖章)签收人:(签名)日:年月日说明:本表一式_____份由承包人填写。监理机构审签后伴随审核承包人、监理机构、发包人各1份。CB05施工分包申报表(承包[]分包)合同名称:合同编:致:(监理机构)根据施工合同约定和工程需要我方拟将本申请表中所列工程分包给所选分包人。经考察所选分包人具备按照合同要求完成所分包工程的资质、经历、技术和理程度、资源和财务才能并具有良好的业绩和信誉请贵方审核。分包人名称分包工程编码分包工程名称数量单价分包金额(万元)占合同总金额的百分比(%)合计附件:分包人简况(包括分包人资质、经历、才能、信誉、财务、主要人员经历等资料)。承包人:(全称及盖章)工程经理:(签名)日:年月日监理机构将另行签发审核。监理机构:(全称及盖章)签收人:(签名)日:年月日说明:本表一式_____份由承包人填写。监理机构审核、发包人批准后伴随审批承包人、监理机构、发包人各1份。CB06现场组织机构及主要人员报审表(承包[]机人)合同名称:合同编:致:(监理机构)现提交第_____次现场机构及主要人员报审表请贵方审核。附件:1.组织机构图。2.部门职责及主要人员数量及分工。3.人员及其资格或岗位证书。4.承包人:(全称及盖章)工程经理:(签名)日:年月日(审核)监理机构:(全称及盖章)监理工程师:(签名)日:年月日说明:本表一式_____份由承包人填写。监理机构审签后伴随审核承包人、监理机构、发包人各1份。CB07材料/构配件进场报验单(承包[]材验)合同名称:合同编:致:(监理机构)我方于_______年____月____日进场的工程材料/构配件如下表。拟用于下述部位:1.___________________;2.___________________;3.___________________。经自检符合技术和合同要求请贵方审核并准予进场使用。序材料/构配件名称材料/构配件来源、产地材料/构配件规格用处本批材料/构配件数量承包人试验试样来源取样地点、日试验日、操作人试验结果附件:1.出厂合格证。2.检验。3.质量保证书。4.承包人:(全称及盖章)工程经理:(签名)日:年月日(审核)监理机构:(全称及盖章)监理工程师:(签名)日...

1、当您付费下载文档后,您只拥有了使用权限,并不意味着购买了版权,文档只能用于自身使用,不得用于其他商业用途(如 [转卖]进行直接盈利或[编辑后售卖]进行间接盈利)。
2、本站所有内容均由合作方或网友上传,本站不对文档的完整性、权威性及其观点立场正确性做任何保证或承诺!文档内容仅供研究参考,付费前请自行鉴别。
3、如文档内容存在违规,或者侵犯商业秘密、侵犯著作权等,请点击“违规举报”。

碎片内容

施工监理常用表格1-施工格式

确认删除?
VIP
微信客服
  • 扫码咨询
会员Q群
  • 会员专属群点击这里加入QQ群
客服邮箱
回到顶部