电脑桌面
添加小米粒文库到电脑桌面
安装后可以在桌面快捷访问

建筑人防工程安装资料表格_secretVIP专享VIP免费

建筑人防工程安装资料表格_secret_第1页
1/141
建筑人防工程安装资料表格_secret_第2页
2/141
建筑人防工程安装资料表格_secret_第3页
3/141
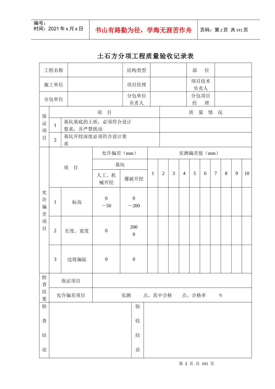
第1页共141页编号:时间:2021年x月x日书山有路勤为径,学海无涯苦作舟页码:第1页共141页一、分项工程质量验收记录表1.结构工程(RFJ01-2002)4.1-1第2页共141页第1页共141页编号:时间:2021年x月x日书山有路勤为径,学海无涯苦作舟页码:第2页共141页土石方分项工程质量验收记录表工程名称结构类型部位施工单位项目经理项目技术负责人分包单位分包单位负责人分包项目经理保证项目项目质量情况1基坑基底的土质,必须符合设计要求,并严禁扰动2基坑开挖深度必须符合设计要求允许偏差项目项目允许偏差(mm)实测偏差值(mm)基坑12345678910人工、机械开挖爆破开挖1标高0-500-2002长度、宽度020003边坡偏陡00检查结果保证项目允许偏差项目实测点,其中合格点,合格率﹪检查结论验收结论第3页共141页第2页共141页编号:时间:2021年x月x日书山有路勤为径,学海无涯苦作舟页码:第3页共141页专业技术负责人年月日监理工程师年月日-1-(RFJ01-2002)4.2-1爆破掘进分项工程质量验收记录表工程名称结构类型部位施工单位项目经理项目技术负责人分包单位分包单位负责人分包项目经理保证项目项目质量情况坑(地)道坡度必须符合设计要求:毛洞表面平整允许偏差项目项目允许偏差(mm)实测偏差值(mm)123456789101口部坐标1002口部表高±1003两洞口间坡度±10﹪4局部坡度±20﹪且超过部分累计长度部大于全长的20﹪5毛洞宽度(由中心线向两帮量)+100-206毛洞高度(腰线分别向底板、顶板量)+100-307毛洞局部超挖150且超挖部分的累计面积部大于总面积的15﹪8毛洞中心线局部偏移200且偏移部分的累计长度部大于全长的15﹪9预留孔中心线位置偏移2010预留洞中心线位置偏移50检保证项目第4页共141页第3页共141页编号:时间:2021年x月x日书山有路勤为径,学海无涯苦作舟页码:第4页共141页查结果允许偏差项目实测点,其中合格点,合格率﹪检查结论专业技术负责人年月日验收结论监理工程师年月日-2-(RFJ01-2002)4.3-1盾构分项工程质量验收记录表工程名称结构类型部位施工单位项目经理项目技术负责人分包单位分包单位负责人分包项目经理保证项目项目质量情况1盾构工作井的位置和规定符合设计要求施工规范的规定2衬砌管片的质量必须符合设计要求3衬砌管片的拼接和接缝防水处理必须符合设计要求和施工规范规定4盾构掘进完成后,地表变形值、地道沉降量必须符合设计要求允许偏差项目项目允许偏差(mm)实测偏差值(mm)123456789101衬砌环圆环面平整度52衬砌环椭圆度203衬砌环环缝宽度34衬砌环纵缝张角宽度35地道轴线水平方向偏移50垂直方向偏移±50检查保证项目第5页共141页第4页共141页编号:时间:2021年x月x日书山有路勤为径,学海无涯苦作舟页码:第5页共141页结果允许偏差项目实测点,其中合格点,合格率﹪检查结论专业技术负责人年月日验收结论监理工程师年月日-3-(RFJ01-2002)4.4-1沉井项工程质量验收记录表工程名称结构类型部位施工单位项目经理项目技术负责人分包单位分包单位负责人分包项目经理保证项目项目质量情况1混凝土抗压强度和抗渗等级必须符合设计要求和施工规范的规定2沉井的封底必须符合设计要求和施工规范的规定允许偏差项目项目允许偏差(mm)实测偏差值(mm)123456789101井制作质量平面尺寸长度、宽度±l/200且≯1002曲线部分半径±r/200且≯503对角线差b/1004井壁厚度±155井下沉刃脚平均标高±100第6页共141页第5页共141页编号:时间:2021年x月x日书山有路勤为径,学海无涯苦作舟页码:第6页共141页后质量6底面中心位置偏移H﹥10mH/100H≤10m1007刃脚底面高差L﹥10mL/200且≯300L≤10m100检查结果保证项目允许偏差项目实测点,其中合格点,合格率﹪检查结论专业技术负责人年月日验收结论监理工程师年月日注:l为长度或宽度;r为半径;b为对角线长;H为下沉总深度;L为最高与最低两角间距离。-4-(RFJ01-2002)4.5-1地下连续墙分项工程质量验收记录表工程名称结构类型部位施工单位项目经理项目技术负责人分包单位分包单位负责人分包项目经理保证项目项目质量情况1所用原材料、混凝土抗压强度、抗渗等级必须符合设计要求和施工规范的规定2挖槽的平面位置...

1、当您付费下载文档后,您只拥有了使用权限,并不意味着购买了版权,文档只能用于自身使用,不得用于其他商业用途(如 [转卖]进行直接盈利或[编辑后售卖]进行间接盈利)。
2、本站所有内容均由合作方或网友上传,本站不对文档的完整性、权威性及其观点立场正确性做任何保证或承诺!文档内容仅供研究参考,付费前请自行鉴别。
3、如文档内容存在违规,或者侵犯商业秘密、侵犯著作权等,请点击“违规举报”。

碎片内容

建筑人防工程安装资料表格_secret

确认删除?
VIP
微信客服
  • 扫码咨询
会员Q群
  • 会员专属群点击这里加入QQ群
客服邮箱
回到顶部