电脑桌面
添加小米粒文库到电脑桌面
安装后可以在桌面快捷访问

模板工程专项方案(doc12)(1)VIP免费

模板工程专项方案(doc12)(1)_第1页
1/11
模板工程专项方案(doc12)(1)_第2页
2/11
模板工程专项方案(doc12)(1)_第3页
3/11
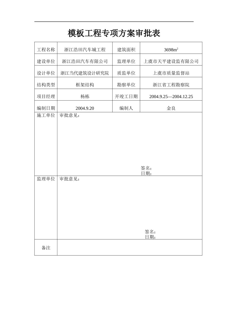
模板工程专项方案审批表工程名称浙江浩田汽车城工程建筑面积3698m2建设单位浙江浩田汽车有限公司监理单位上虞市天平建设监有限公司设计单位浙江当代建筑设计研究院质监单位上虞市质量监督站结构类型框架结构勘察单位浙江省工程勘察院项目经理杨栋开竣工日期2004.9.25—2004.12.25编制日期2004.9.20编制人金良施工单位审批意见:签名:日期:监理单位审批意见:签名:日期:备注模板工程施工方案一、工程概况本工程位于绍兴生态产业园区的人民东路以北,经八路以西地块,由绍兴鸿通房地产开发有限公司投资开发,上虞兴财建筑工程有限公司施工,浙江中和建筑设计有限公司设计,绍兴市建工咨询监理有限公司监理。工程项目由4幢多层住宅和连体商店组成,总建筑面积为17093m2,其中7#房建筑面积为4417.9m2,五层底层框架结构;9#房建筑面积为2853.2m2,三层排式框架结构住宅;11#房建筑面积为4843.1m2,五层砖混结构;12#房建筑面积为4978.8m2,五层底层框架结构;各号房楼层高一般为2.8m,采用C20商品、自拌砼浇捣(除基础垫层外),9#为框架结构,采用C25商品、自拌砼浇捣(除基础垫层外)。二、编制依据根据建设部《建筑施工安全检查标准》JGJ59-99规定。根据本工程施工图纸和施工规范。根据浙江省的有关规定、本企业及项目部的施工现场安全生产保证计划和质量保证的要求。三、模板工程设计要求保证框架和砖混柱、梁、板结构和构件各部位形状尺寸以及相互位置的准确性。确保模板所具有足够的刚度、强度及稳定性,能可靠地支撑新浇砼的重量或侧压力以及施工过程中的全部荷载,确保模板的可靠性、安全性。四、材料面板采用九夹板,搁栅为50×100优质方木,顶撑为Ø48×3.5钢管,扣件、螺丝、3形扣等金属配件必须符合国标,进料时必须做好验收和试验,并有质保书和合格证。附件:铁钉、铁丝、双面胶等。工具:电锯、电刨、手提电锯、手枪钻、扳手、锯子、刨、老虎钳等。五、制模根据施工图纸和施工规范计算,模板结构自重、砼的重量、钢筋的重量、施工荷载(包括施工人员和设备)、混凝土泵车卸料时产生的荷载,震捣时产生的荷载。(附计算书)框架和砖混柱、板、梁模板根据上述要求,每幢楼配制二套成型模板和钢排架。楼梯采用九夹板,搁栅用50×100方木档,下支撑拉杆用Ø48钢管搭设满堂排架;楼梯踏步采用50mm木板,用两根50×100方木档作连接支撑,但支撑下端必须有硬支撑承点,以及踏步板向下滑动。梁底模采用九夹板下加搁栅,顶撑用Ø48×3.5钢管组成排架体系,其间距纵向距离为1m,横向根据梁的宽度而定,从而确保施工稳定性、可靠性。六、模板安装模板施工前,必须有有关人员作安全技术交底。模板工程作业高度在2m以上(包括2m)时,要有可靠安全的操作平台。模板安装顺序:设置柱厚度限位→清理柱梁部位基层垃圾→排放柱模板→搭设钢管排架→安装柱模板→安装梁模板→铺楼板搁栅和底模→安装外挑阳台、空调板和楼梯模→清扫模板内垃圾和施工落手清。模板安装既要有稳定性、安全性,又要方便拆除。设置剪力墙厚度的限位框架柱厚200~700,取200~700长的Ø12~14的短钢筋,在每层楼面弹线的位置,沿框架柱横向每隔500~600mm,高出楼面30~50mm,在框架柱竖向钢筋上焊一根限位钢筋,钢筋的两端平框架柱厚度线,每道框架柱的端部设纵横二个方向限位。柱、梁的模板应事先预制,按不同部位编上号,排放时对号入座,有梁的部位,模板预制时按梁的断面在模板上先开好口。钢管排架搭设:排架立杆的钢管长度为2.60m,立杆间距为0.9m。在立杆的1.4m处设一道水平拉开杆,二端各设一道剪刀撑,杆件相交处用扣件连接,扣件的拧紧力矩为40N·m~60N·m。柱、梁模板:背肋横向采用50×100的方木,用Φ14对拉螺杆紧固,每道为500mm,纵向采用排架立杆Ø48×3.5支撑,为保证模板的稳定性,设Ø48×3.5钢管作斜支撑及水平撑,确保支模质量浇捣时的安全性、牢固性。平台板用Ø48×3.5钢管作支撑架,立柱按800mm挡距,水平牵杠设三道,确保平台稳固和安全性(详见附图)。楼梯支模时,先做出大样,计算好水平距离、高度以及踏步数,施工时先撑楼梯梁和平台,然后撑斜底板以及踏步三角、踏步板。支撑必须要...

1、当您付费下载文档后,您只拥有了使用权限,并不意味着购买了版权,文档只能用于自身使用,不得用于其他商业用途(如 [转卖]进行直接盈利或[编辑后售卖]进行间接盈利)。
2、本站所有内容均由合作方或网友上传,本站不对文档的完整性、权威性及其观点立场正确性做任何保证或承诺!文档内容仅供研究参考,付费前请自行鉴别。
3、如文档内容存在违规,或者侵犯商业秘密、侵犯著作权等,请点击“违规举报”。

碎片内容

模板工程专项方案(doc12)(1)

精品中小学文档+ 关注
实名认证
内容提供者

精品资料,值得下载

确认删除?
VIP
微信客服
  • 扫码咨询
会员Q群
  • 会员专属群点击这里加入QQ群
客服邮箱
回到顶部