电脑桌面
添加小米粒文库到电脑桌面
安装后可以在桌面快捷访问

采光间工程施工方案VIP免费

采光间工程施工方案_第1页
1/21
采光间工程施工方案_第2页
2/21
采光间工程施工方案_第3页
3/21
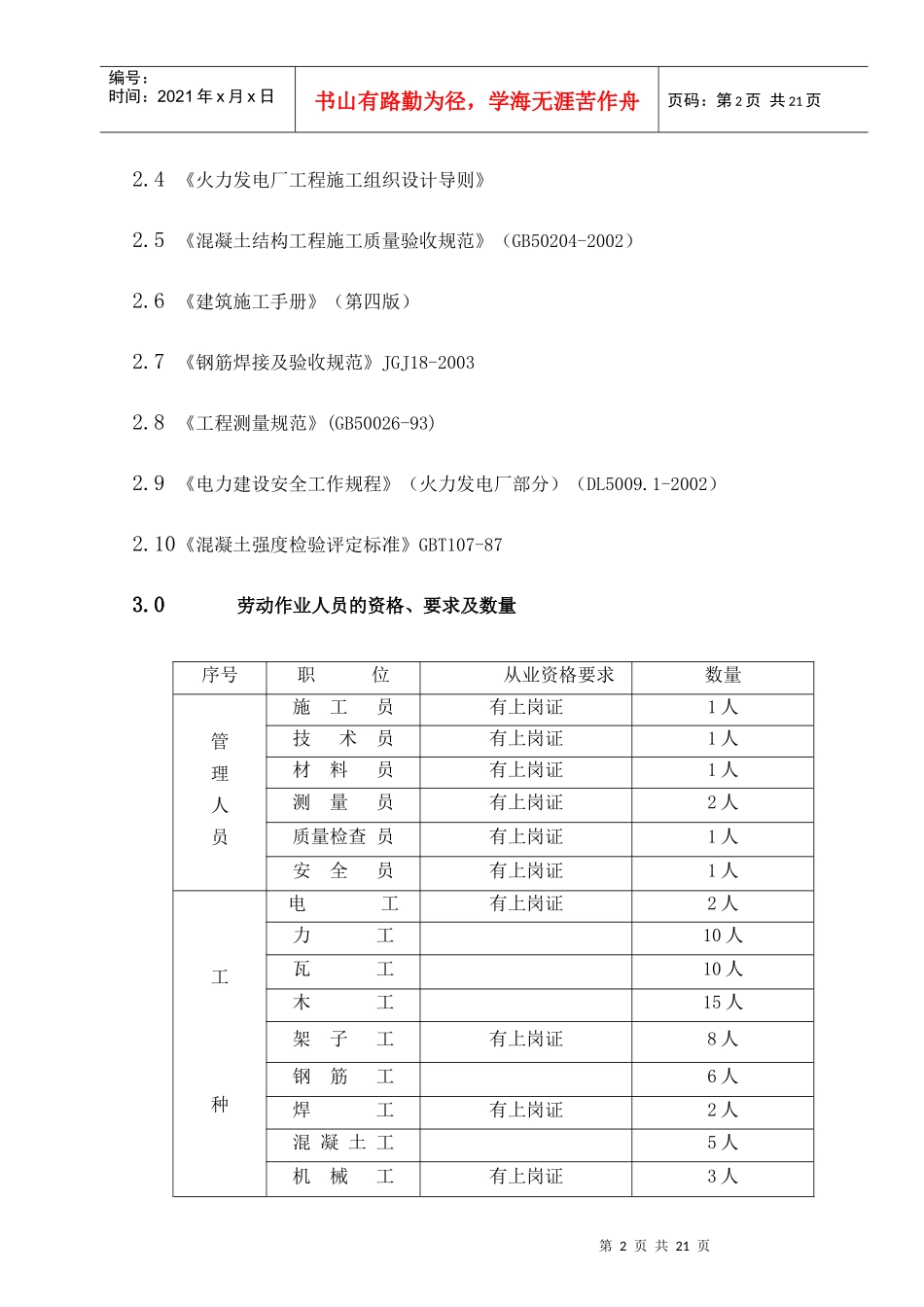
国电吉林江南热电厂2x330MW机组新建工程采光间施工方案目录1.0工程概况、内容及工程量........................12.0编制依据和相关文件............................13.0劳动作业人员的资格、要求及数量................24.0主要施工机械及工器具..........................25.0施工准备及条件................................36.0作业程序、方法和要求..........................37.0脚手架工程...................................108.0屋面工程.....................................129.0内外装饰工程.................................1310.0质量保证措施.................................1511.0安全及文明施工保证措施.......................1612.0环境保护措施.................................190国电吉林江南热电厂2x330MW机组新建工程采光间施工方案1.0工程概况、内容及工程量1.1工程概况1.1.1本工程为国电吉林江南热电厂2×330MW机组新建工程,采光间工程是工程中输煤系统的一部分,该工程±0.000米相当于绝对标高207.500米,基础埋深-9.500米,采光间基础为4个独立混凝土基础。1.1.2框架结构钢筋为HPB235(Ⅱ级钢筋)、HRB335(Ⅲ级钢筋),基础垫层采用C15混凝土,基础、梁、柱、板采用C30混凝土,基础钢筋保护层为40㎜,梁、柱保护层为30㎜,板为15㎜。1.1.3墙体采用P型煤矸石多孔砖,Mb7.5混合砂浆砌筑,柱间填充墙沿柱高每隔500㎜配2Ф6,L=1000㎜拉结筋与框架柱拉结。1.2工程量部位工程量(m3)强度垫层27C15泵送独立基础13C30泵送柱6C30泵送梁16C30泵送板7.5C30泵送条形基础11C252.0编制依据和相关文件2.1采光间施工图F212S-T05172.2《建筑地基基础工程施工质量验收规范》(GB50202-2002)2.3《火电施工质量检验及评定标准》(土建工程篇)建质DJ/T210.1-20051第2页共21页编号:时间:2021年x月x日书山有路勤为径,学海无涯苦作舟页码:第2页共21页2.4《火力发电厂工程施工组织设计导则》2.5《混凝土结构工程施工质量验收规范》(GB50204-2002)2.6《建筑施工手册》(第四版)2.7《钢筋焊接及验收规范》JGJ18-20032.8《工程测量规范》(GB50026-93)2.9《电力建设安全工作规程》(火力发电厂部分)(DL5009.1-2002)2.10《混凝土强度检验评定标准》GBT107-873.0劳动作业人员的资格、要求及数量序号职位从业资格要求数量管理人员施工员有上岗证1人技术员有上岗证1人材料员有上岗证1人测量员有上岗证2人质量检查员有上岗证1人安全员有上岗证1人工种电工有上岗证2人力工10人瓦工10人木工15人架子工有上岗证8人钢筋工6人焊工有上岗证2人混凝土工5人机械工有上岗证3人第3页共21页第2页共21页编号:时间:2021年x月x日书山有路勤为径,学海无涯苦作舟页码:第3页共21页4.0主要施工机械及工器具机具名称规格、性能单位数量用途调直机台1钢筋调直切断机JGS40-IФ6-Ф32台1钢筋切断弯曲机JGS40-I6Ф-Ф32台1钢筋弯曲电锯MJ104Ф400mm台1木、板方加工手提电钻J12H-13台2木模板钻孔无齿锯台2钢构件切割电焊机BX3-300台2金属焊接焊把把1金属焊接电焊线m300金属焊接冲击钻台1钻孔振动器个4砼振捣5.0施工准备及条件5.1技术准备5.1.1认真熟悉图纸,参加图纸会审,编制钢筋配料单及模板配料单。5.1.2编制好材料计划及周转材料计划单。5.1.3编制好各项技术交底及安全交底、特种作业指导书。5.2材料准备5.2.1根据施工图纸及施工方案,编制好甲供材料计划,及自购材料计划,并明确材料进场时间及堆放场地。6.0作业程序、方法和要求定位放线土方开挖垫层基础工程框架结构回填土工程墙体砌筑装饰6.1定位放线第4页共21页第3页共21页编号:时间:2021年x月x日书山有路勤为径,学海无涯苦作舟页码:第4页共21页6.1.1根据设计院提供的厂区总平面布置图、测量控制点的成果表,在施工现场建立控制网,经监理验收合格后方可使用.根据控制网,测出各个轴线位置,并做好测量记录。6.2土方开挖6.2.1土方开挖前应清理平整施工场地,做好场地排水工作,然后进行测量定位放线。6.2.2本工程采用机械挖土为主,按人工清理为辅的施工方法。配置一辆反铲挖掘机,三辆自卸汽车运土,开挖的土方直接运送到业主...

1、当您付费下载文档后,您只拥有了使用权限,并不意味着购买了版权,文档只能用于自身使用,不得用于其他商业用途(如 [转卖]进行直接盈利或[编辑后售卖]进行间接盈利)。
2、本站所有内容均由合作方或网友上传,本站不对文档的完整性、权威性及其观点立场正确性做任何保证或承诺!文档内容仅供研究参考,付费前请自行鉴别。
3、如文档内容存在违规,或者侵犯商业秘密、侵犯著作权等,请点击“违规举报”。

碎片内容

采光间工程施工方案

确认删除?
VIP
微信客服
  • 扫码咨询
会员Q群
  • 会员专属群点击这里加入QQ群
客服邮箱
回到顶部