电脑桌面
添加小米粒文库到电脑桌面
安装后可以在桌面快捷访问

桥梁桩基施工资料表格VIP免费

桥梁桩基施工资料表格_第1页
1/14
桥梁桩基施工资料表格_第2页
2/14
桥梁桩基施工资料表格_第3页
3/14
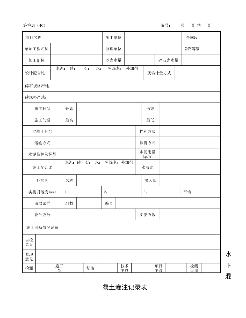
桩基桩位放样检查记录表施检表(36)编号:第页共页项目名称施工单位合同段单项工程名称及桩号监理单位公路等级墩号桩号桩径施工水位施工控制水位实测水位护筒类型:直径:护筒顶标高:埋深:中心位置X设计实测偏差允许值:实测值:Y设计实测偏差允许值:实测值:中心地面高程设计实测偏差允许值:实测值:钻机类型/编号钻头尺寸护筒底面地质情况控制桩位置及坐标图示备注自检意见监理意见测量施工员复核技术主办项目主管测量日期水准测量记录表施检表(8)编号:第页共页混凝土施工检查记录表项目名称施工单位合同段测量范围监理单位公路等级允许误差闭合差仪器产地型号测点或桩号水准尺读数仪器高标高备注后视前视自检意见监理意见测量计算复核技术主办项目主管测量日期施检表(46)编号:第页共页水下混凝土灌注记录表项目名称施工单位合同段单项工程名称监理单位公路等级施工部位砂含水量碎石含水量设计配合比水泥:砂:石:水:粉煤灰:外加剂现场计量方式碎石规格产地:砂规格产地:施工时间开始结束施工气温最高最低混凝土标号拌和方式运输方式振捣方式水泥品种及标号水泥用量(kg/m3)施工配合比水泥:砂:石:水:粉煤灰:外加剂水灰比外加剂名称掺入量实测坍落度(mm)1:2:3:平均:留取试样组数编号设计方数实浇方数施工间断情况记录自检意见监理意见检测施工员复核技术主办项目主管检测日期施检表(42)编号:第页共页项目名称施工单位合同段墩(台)桩编号监理单位公路等级桩径(m)设计孔底标高(m)灌注前孔底标高(m)护筒顶标高(m)钢筋骨架底标高(m)混凝土标高(m)水泥标号水灰比坍落度(mm)每盘混凝土数量(m3)计算混凝土数量(m3)/厚度(m)储料斗体积(m3)水泥:砂:砾石:水:粉煤灰:外加剂总盘数/总数量(m3)时间总孔深A(m)基准面到混凝土顶面高度B(m)混凝土浇筑厚度(m)导管总长(m)基准面到导管顶面高度导管埋深拆管长度(m)重要记录拆管前/后(m)拆管前/后(m)123=1-2456=4-2-5自检意见监理意见检测施工员复核技术主办项目主管测量日期冲击钻成孔记录表施检表(38)编号:第页共页项目名称承包单位监理单位合同段编号开钻日期墩号桩号桩径(cm)地面标高(m)设计桩尖标高(m)护筒长度(m)护筒顶标高(m)护筒埋置深度(m)冲锤形式和直径(m)冲锤质量(kg)上班交班时进尺(m)本班进尺(m)累计进尺(m)由月日时分至月日时分起止时间共计(h)工作项目冲程(m)冲击次数(次/分)钻进深度(m)检孔深度(m)孔底标高(m)孔内水位(m)地质情况泥浆比重Hminhmin本次累计时间统计纯钻时间辅助生产时间(h)非生产停钻时间(h)合计自检意见取渣检孔检查钻具接钢丝换绳投石投土小计孔内事故机械事故待料停电小计监理意见班长施工员记录技术主办项目主管测量日期桩基终孔后灌注混凝土前检查记录表施检表(41)编号:第页共页桩基成桩记录表项目名称施工单位合同段单项工程名称监理单位公路等级墩(台)号桩编号护筒顶高程(m)护筒长度(m)倾斜度设计直径(mm)终孔直径(m)孔位偏差(mm)设计孔底高程(m)终孔孔底高程(m)清孔后孔底高程(m)灌注前孔底高程(m)灌注前泥浆比重含砂率(%)沉淀层厚度(mm)钻孔中出现的问题及处理钢筋骨架主筋直径及根数(根)主筋长度(m)骨架总长(m)骨架底面高程(m)骨架每节长度(m)焊接方法及搭接长度(mm)备注附件:测孔原始记录自检意见监理意见检测计算复核技术主办项目主管测量日期施检表(40)编号:第页共页项目名称施工单位合同段单项工程名称监理单位公路等级墩(台)、桩编号设计桩顶高程(m)成桩顶高程(m)桩心坐标X设计实测偏差允许值:实测值:Y设计实测偏差允许值:实测值:桩头直径(cm)设计实测偏差允许值:实测值:桩头凿除高度(cm)接桩长度(cm)最小保护层(cm)有无露筋及处理方法混凝土外貌检查图示自检意见监理意见检测计算复核技术主办项目主管测量日期钢筋加工及安装质量检验报告单检表(44)编号:第页共页检测:复核:施工员:质检负责人:技术主管:项目主管:日期:施工放线测量记录表项目名称施工单位合同段施工日期桩号及部位监理单位公路等级检测日期项次检测项目单位规定值或允许偏差检测值1△受力钢筋间距两排以上排距mm±5同排梁、板、拱肋mm±10基础、墩台、柱、锚锭mm±20灌注桩mm±2...

1、当您付费下载文档后,您只拥有了使用权限,并不意味着购买了版权,文档只能用于自身使用,不得用于其他商业用途(如 [转卖]进行直接盈利或[编辑后售卖]进行间接盈利)。
2、本站所有内容均由合作方或网友上传,本站不对文档的完整性、权威性及其观点立场正确性做任何保证或承诺!文档内容仅供研究参考,付费前请自行鉴别。
3、如文档内容存在违规,或者侵犯商业秘密、侵犯著作权等,请点击“违规举报”。

碎片内容

桥梁桩基施工资料表格

确认删除?
VIP
微信客服
  • 扫码咨询
会员Q群
  • 会员专属群点击这里加入QQ群
客服邮箱
回到顶部