电脑桌面
添加小米粒文库到电脑桌面
安装后可以在桌面快捷访问

螺纹紧固工艺规范VIP免费

螺纹紧固工艺规范_第1页
1/6
螺纹紧固工艺规范_第2页
2/6
螺纹紧固工艺规范_第3页
3/6
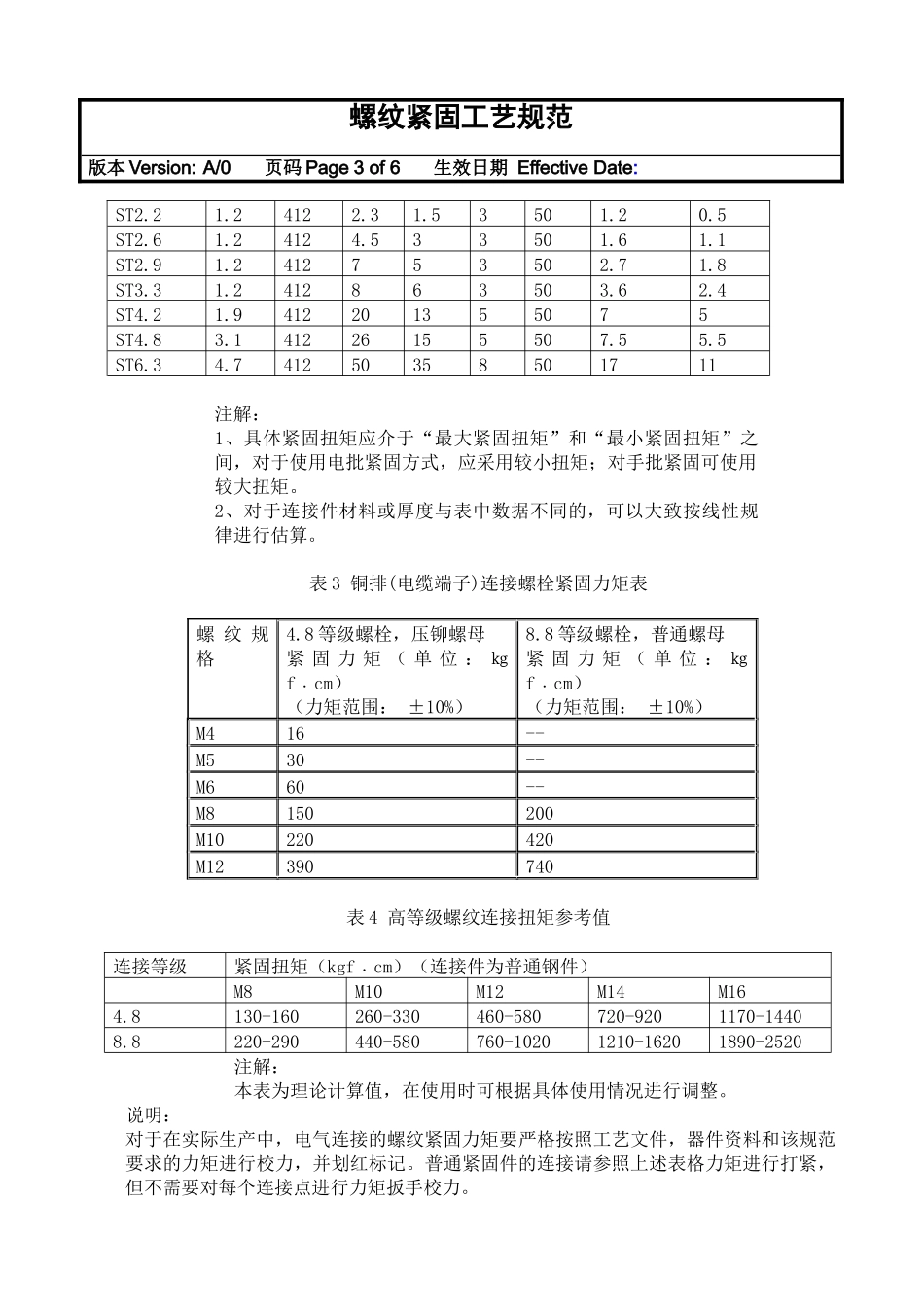
螺纹紧固工艺规范版本Version:A/0页码Page1of6生效日期EffectiveDate:螺纹紧固工艺规范1.目的本规范用于指导产品生产中各种常用螺纹连接的装配2.使用范围适用于公司所有产品的装配。3.参考资料《机械设计手册》4.名词解释:4.1螺纹紧固使用工具将螺纹连接件与螺纹紧固件紧密结合在一起,并保证一定预紧力的过程。4.2扭矩在螺纹连接中,为达到一定的预紧力而通过装配工具施加在螺纹紧固件上的力矩,单位有:牛顿•米(N.m),“千克力.厘米”(kgf.cm),换算关系:0.98N.m=10kgf.cm,在实际计算中,可近似取1N.m=10kgf.cm。在生产中,一般以kgf.cm为单位。5.螺纹连接说明5.1螺钉槽损坏:在螺钉紧固过程中,由于各种原因造成螺钉十字槽或一字槽镀层破坏,或者十字槽/一字槽磨损,起毛刺,破损等机械损坏。在口语中,常称为“螺钉打花”.5.2螺纹紧固失效:螺纹紧固失效可以分为螺纹连接失效、紧固件失效和连接件失效。5.2.1螺纹连接失效:因强度不够引起螺纹紧固件破坏,如螺杆拉断,螺纹破坏(滑丝),松动或松脱。由于压力不够,从而使密封、屏蔽、接地、低阻电导通等场合不能达到相应要求。5.2.2紧固件失效:1.外观损坏,从而进一步影响连接性能。(如锈蚀等)2.螺钉槽型损坏。5.2.3连接件失效:1.连接件失效主要表现在连接件强度不够或连接压力过大,从而引起连接件被压溃、折断。2.连接件外观损伤。螺纹紧固工艺规范版本Version:A/0页码Page2of6生效日期EffectiveDate:5.3螺纹紧固件材料等级一般机械用碳素钢和合金钢螺纹紧固件按机械性能分为3.6,4.6,4.8,5.6,5.8,6.8,8.8,9.8,10.9,12.9共10个等级,一般情况下都使用4.8级的螺纹紧固件。对于电气连接中有时会使用8.8等级的螺纹紧固件。其他等级我们公司一般不涉及。5.4螺纹紧固件头部形成分类根据所需要的紧固工具不同可分六角头、内六角、带十字槽、带一字槽、内六角花型和内三角花型等等。6.螺纹扭矩要求从表1-表4给出了通用紧固件的扭力要求,请参照执行:表1螺钉扭矩要求表规格型号紧固扭矩/松脱扭矩(单位:kgf﹒cm;扭矩偏差:±10%)大类小类一般连接高紧密度连接钢-塑胶,铝型材,铜钢-钢钢-铸铝,翻边螺纹钢-钢钢-铸铝钢-铝型材4.8等级螺钉M20.81.51.52.52.51.5M2.51.6335.54.53M335.551086M461210161412M5102013302820M6153028504830表2自攻螺钉紧固扭矩规格钢连接件最大紧固扭矩最小紧固扭矩塑胶件/变形铝合金最大紧固扭矩最小紧固扭矩连接件厚度(mm)材料抗拉强度(Ma)连接件厚度(mm)材料抗拉强度(Ma)ST1.61.24122135010.5螺纹紧固工艺规范版本Version:A/0页码Page3of6生效日期EffectiveDate:ST2.21.24122.31.53501.20.5ST2.61.24124.533501.61.1ST2.91.2412753502.71.8ST3.31.2412863503.62.4ST4.21.9412201355075ST4.83.141226155507.55.5ST6.34.741250358501711注解:1、具体紧固扭矩应介于“最大紧固扭矩”和“最小紧固扭矩”之间,对于使用电批紧固方式,应采用较小扭矩;对手批紧固可使用较大扭矩。2、对于连接件材料或厚度与表中数据不同的,可以大致按线性规律进行估算。表3铜排(电缆端子)连接螺栓紧固力矩表螺纹规格4.8等级螺栓,压铆螺母紧固力矩(单位:㎏f﹒cm)(力矩范围:±10%)8.8等级螺栓,普通螺母紧固力矩(单位:㎏f﹒cm)(力矩范围:±10%)M416--M530--M660--M8150200M10220420M12390740表4高等级螺纹连接扭矩参考值连接等级紧固扭矩(kgf﹒cm)(连接件为普通钢件)M8M10M12M14M164.8130-160260-330460-580720-9201170-14408.8220-290440-580760-10201210-16201890-2520注解:本表为理论计算值,在使用时可根据具体使用情况进行调整。说明:对于在实际生产中,电气连接的螺纹紧固力矩要严格按照工艺文件,器件资料和该规范要求的力矩进行校力,并划红标记。普通紧固件的连接请参照上述表格力矩进行打紧,但不需要对每个连接点进行力矩扳手校力。螺纹紧固工艺规范版本Version:A/0页码Page4of6生效日期EffectiveDate:7.操作说明7.1物料拿取无特殊原因,不允许徒手拿取螺钉,建议对小螺钉使用上磁的批头/手批进行吸取;对大螺钉、螺母等戴手指套拿取;如果戴手套操作,应保证手套干净、无残...

1、当您付费下载文档后,您只拥有了使用权限,并不意味着购买了版权,文档只能用于自身使用,不得用于其他商业用途(如 [转卖]进行直接盈利或[编辑后售卖]进行间接盈利)。
2、本站所有内容均由合作方或网友上传,本站不对文档的完整性、权威性及其观点立场正确性做任何保证或承诺!文档内容仅供研究参考,付费前请自行鉴别。
3、如文档内容存在违规,或者侵犯商业秘密、侵犯著作权等,请点击“违规举报”。

碎片内容

螺纹紧固工艺规范

确认删除?
VIP
微信客服
  • 扫码咨询
会员Q群
  • 会员专属群点击这里加入QQ群
客服邮箱
回到顶部