电脑桌面
添加小米粒文库到电脑桌面
安装后可以在桌面快捷访问

可燃气体报警器项目--PAC应用VIP免费

可燃气体报警器项目--PAC应用_第1页
1/9
可燃气体报警器项目--PAC应用_第2页
2/9
可燃气体报警器项目--PAC应用_第3页
3/9
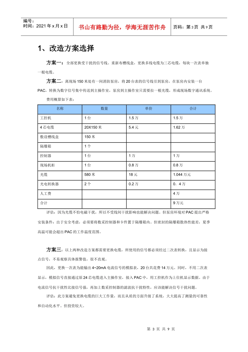
第1页共9页编号:时间:2021年x月x日书山有路勤为径,学海无涯苦作舟页码:第1页共9页可燃气体报警器项目--PAC应用Date:1/26/2009摘要:某炼油厂罐区可燃气体报警器采用二次表进行报警,但仪表信号线距离长,线间干扰大,使得二次表误报,报警系统无法正常使用。本文着重介绍了对于仪表专业常遇到的线间干扰的故障处理方案,为排除故障提供了新的解决方式,即改用PAC来转换信号,排除干扰。关键字:信号干扰,PAC系统,抗干扰,改造引言GDS(有毒有害气体检测系统)包括可燃气体报警器和硫化氢报警器等,是保障人身安全的安全设备,在工厂里起着举足轻重的作用。目前多采用二次表-报警器进行报警显示。某罐区有可燃气体报警器10台,硫化氢(H2S)报警器10台,由于导线距离长,且采用的是24芯电缆,在线间形成电容性积累电荷,造成信号干扰,使报警器的二次表因受干扰频繁产生错报,无法正常使用。由于罐区覆盖面积大,所以信号导线多且杂,而且与220V仪表供电线敷设在同一槽线盒。其中距离较远的几十台报警器的二次表因而受干扰产生错报,具体有两种表现形式:一是频繁产生误报,即一次表指示不超标,但二次表出现高报;二是联报,即一台一次表测得高报信号,却引起多台二次表显示高报,干扰了正常的生产。可燃气体报警器的信号线不是屏蔽导线,且没有为它单独敷设槽线盒,是导致问题的根本原因。由于现场不能准确判定干扰源,全部更换导线工程量大,投资高。如下图所示:第2页共9页第1页共9页编号:时间:2021年x月x日书山有路勤为径,学海无涯苦作舟页码:第2页共9页图1报警器干扰系统结构示意图但是,全部更换导线浪费大,工程量大,且罐区现场动火危险性高。因此需要摸索一套工程量小的修补方案来解决问题,保护前期投资。第3页共9页第2页共9页编号:时间:2021年x月x日书山有路勤为径,学海无涯苦作舟页码:第3页共9页1、改造方案选择方案一:全部更换受干扰的信号线。重新布槽线盒,更换多线电缆为三芯电缆,每块一次表单独一根电缆。方案二:离现场150米处有一间消防泵房,将20台表的信号线引到泵房,在泵房内安装一台PAC,转换为数字信号集中传送到主操作室,泵房到主操作室只需要拉一根光缆,形成现场数字通讯系统。费用概算如下表:名称数量单价合计工控机1台1.5万1.5万4芯电缆20X150米5.4元1.62万敷设槽线盒150米隔爆箱1个控制器1台1万1万现场机柜1台0.8万0.8万光缆580米18元1.044万元光电转换器2个0.2万0.4万人工费4万合计9万元评估:因为光缆不怕电磁干扰,所以不受线间干扰影响也能解决问题。但泵房环境对PAC提出严格安装条件:出于安全考虑,必须要将数采控制器和卡件置于隔爆箱内。但密封的隔爆箱散热性能差,夏季高温可能会超出PAC的工作温度范围。方案三:以上两种改造方案都需要更换电缆,所使用的信号都必须经过二次表转换,且显示为接点信号,不易观察具体报警值,很不直观。因此,更换一次表为能输出4~20mA电流信号的模拟表,20台共花费14万元。同时,不用二次表显示,模拟信号直接通过原24芯电缆进入主操作室,接入PAC中,用工控机作为上位机显示数据。由于电流信号抗干扰性比接信号强,再加上数采控制器的滤波抗干扰特性,应该能解决信号干扰问题。评估:此方案避免更换电缆的巨大工作量,而且从质的方面升级了系统,大大提高了测量的可靠性和自动化水平。但投资较大。第4页共9页第3页共9页编号:时间:2021年x月x日书山有路勤为径,学海无涯苦作舟页码:第4页共9页方案四:更换一次表为能输出4~20mA电流信号的三线制模拟表,仍用原24芯电缆。由于每台一次表由四线改为三线,则可将空余出来的一根电缆线作为屏蔽线进行接地处理,让其不要产生多余的电荷从而造成干扰。另外,在主操作室加装1台20A直流稳压电源来给一次表供电,增大了供电功率,进一步提高了稳定性。费用概算如下表:名称数量单价合计工控机1台1.5万1.5万控制器1台1万1万稳压电源1个0.2万0.2万1.5万合计4.2万元评估:此实施方案不用二次表作为显示设备,节省费用20X0.4万=8万元。2、方案验证综合分析认为,方案四最佳。这套方案不但完全利用了现有的电缆线,还把信号的质量全面提高了,更...

1、当您付费下载文档后,您只拥有了使用权限,并不意味着购买了版权,文档只能用于自身使用,不得用于其他商业用途(如 [转卖]进行直接盈利或[编辑后售卖]进行间接盈利)。
2、本站所有内容均由合作方或网友上传,本站不对文档的完整性、权威性及其观点立场正确性做任何保证或承诺!文档内容仅供研究参考,付费前请自行鉴别。
3、如文档内容存在违规,或者侵犯商业秘密、侵犯著作权等,请点击“违规举报”。

碎片内容

可燃气体报警器项目--PAC应用

精品中小学资料+ 关注
实名认证
内容提供者

精品文档

确认删除?
VIP
微信客服
  • 扫码咨询
会员Q群
  • 会员专属群点击这里加入QQ群
客服邮箱
回到顶部