电脑桌面
添加小米粒文库到电脑桌面
安装后可以在桌面快捷访问

绝缘电阻测试记录表VIP免费

绝缘电阻测试记录表_第1页
1/40
绝缘电阻测试记录表_第2页
2/40
绝缘电阻测试记录表_第3页
3/40
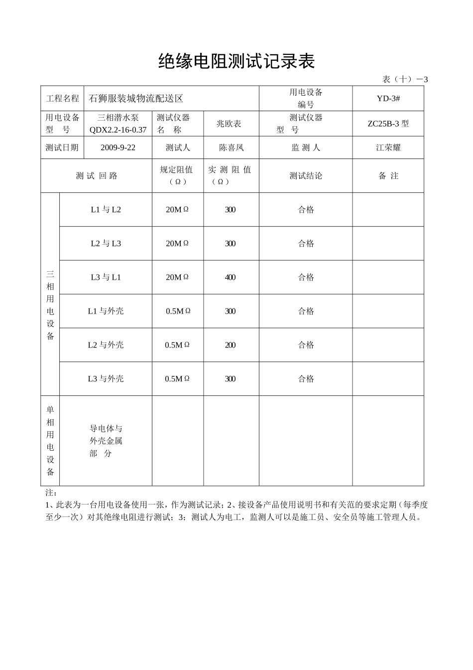
绝缘电阻测试记录表表(十)-3工程名程恒大名都二期-7#楼用电设备编号YD-2#用电设备型号单相潜水泵QDX1.5-16-0.37测试仪器名称兆欧表测试仪器型号ZC25B-3型测试日期2015-4-15测试人监测人测试回路规定阻值(Ω)实测阻值(Ω)测试结论备注三相用电设备L1与L2L2与L3L3与L1L1与外壳L2与外壳L3与外壳单相用电设备导电体与外壳金属部分0.5MΩ400合格注:1、此表为一台用电设备使用一张,作为测试记录;2、接设备产品使用说明书和有关范的要求定期(每季度至少一次)对其绝缘电阻进行测试;3;测试人为电工,监测人可以是施工员、安全员等施工管理人员。绝缘电阻测试记录表表(十)-3工程名程石狮服装城物流配送区用电设备编号YD-2#用电设备型号三相潜水泵QDX2.2-16-0.37测试仪器名称兆欧表测试仪器型号ZC25B-3型测试日期2009-9-22测试人陈喜凤监测人江荣耀测试回路规定阻值(Ω)实测阻值(Ω)测试结论备注三相用电设备L1与L220MΩ400合格L2与L320MΩ300合格L3与L120MΩ400合格L1与外壳0.5MΩ300合格L2与外壳0.5MΩ200合格L3与外壳0.5MΩ200合格单相用电设备导电体与外壳金属部分注:1、此表为一台用电设备使用一张,作为测试记录;2、接设备产品使用说明书和有关范的要求定期(每季度至少一次)对其绝缘电阻进行测试;3;测试人为电工,监测人可以是施工员、安全员等施工管理人员。绝缘电阻测试记录表表(十)-3工程名程石狮服装城物流配送区用电设备编号YD-3#用电设备型号三相潜水泵QDX2.2-16-0.37测试仪器名称兆欧表测试仪器型号ZC25B-3型测试日期2009-9-22测试人陈喜凤监测人江荣耀测试回路规定阻值(Ω)实测阻值(Ω)测试结论备注三相用电设备L1与L220MΩ300合格L2与L320MΩ300合格L3与L120MΩ400合格L1与外壳0.5MΩ300合格L2与外壳0.5MΩ200合格L3与外壳0.5MΩ300合格单相用电设备导电体与外壳金属部分注:1、此表为一台用电设备使用一张,作为测试记录;2、接设备产品使用说明书和有关范的要求定期(每季度至少一次)对其绝缘电阻进行测试;3;测试人为电工,监测人可以是施工员、安全员等施工管理人员。绝缘电阻测试记录表表(十)-3工程名程石狮服装城物流配送区用电设备编号YD-4#用电设备型号钢筋切断机GQ-40测试仪器名称兆欧表测试仪器型号ZC25B-3型测试日期2009-9-22测试人陈喜凤监测人江荣耀测试回路规定阻值(Ω)实测阻值(Ω)测试结论备注三相用电设备L1与L220MΩ400合格L2与L320MΩ300合格L3与L120MΩ400合格L1与外壳0.5MΩ300合格L2与外壳0.5MΩ300合格L3与外壳0.5MΩ200合格单相用电设备导电体与外壳金属部分注:1、此表为一台用电设备使用一张,作为测试记录;2、接设备产品使用说明书和有关范的要求定期(每季度至少一次)对其绝缘电阻进行测试;3;测试人为电工,监测人可以是施工员、安全员等施工管理人员。绝缘电阻测试记录表表(十)-3工程名程石狮服装城物流配送区用电设备编号YD-5#用电设备型号钢筋弯曲机GW-40测试仪器名称兆欧表测试仪器型号ZC25B-3型测试日期2009-9-22测试人陈喜凤监测人江荣耀测试回路规定阻值(Ω)实测阻值(Ω)测试结论备注三相用电设备L1与L220MΩ300合格L2与L320MΩ300合格L3与L120MΩ300合格L1与外壳0.5MΩ300合格L2与外壳0.5MΩ300合格L3与外壳0.5MΩ300合格单相用电设备导电体与外壳金属部分注:1、此表为一台用电设备使用一张,作为测试记录;2、接设备产品使用说明书和有关范的要求定期(每季度至少一次)对其绝缘电阻进行测试;3;测试人为电工,监测人可以是施工员、安全员等施工管理人员。绝缘电阻测试记录表表(十)-3工程名程石狮服装城物流配送区用电设备编号YD-6#用电设备型号钢筋调直切割机YGT4-12测试仪器名称兆欧表测试仪器型号ZC25B-3型测试日期2009-9-22测试人陈喜凤监测人江荣耀测试回路规定阻值(Ω)实测阻值(Ω)测试结论备注三相用电设备L1与L220MΩ400合格L2与L320MΩ400合格L3与L120MΩ300合格L1与外壳0.5MΩ300合格L2与外壳0.5MΩ400合格L3与外壳0.5MΩ300合格单相用电设备导电体与外壳金属部分注:1、此表为一台用电设备使用一张,作为测试记录;2、接设备产品使用说明书和有关范的要求定...

1、当您付费下载文档后,您只拥有了使用权限,并不意味着购买了版权,文档只能用于自身使用,不得用于其他商业用途(如 [转卖]进行直接盈利或[编辑后售卖]进行间接盈利)。
2、本站所有内容均由合作方或网友上传,本站不对文档的完整性、权威性及其观点立场正确性做任何保证或承诺!文档内容仅供研究参考,付费前请自行鉴别。
3、如文档内容存在违规,或者侵犯商业秘密、侵犯著作权等,请点击“违规举报”。

碎片内容

绝缘电阻测试记录表

;绿洲书城+ 关注
实名认证
内容提供者

从事历史教学,热爱教育,高度负责。

确认删除?
VIP
微信客服
  • 扫码咨询
会员Q群
  • 会员专属群点击这里加入QQ群
客服邮箱
回到顶部