电脑桌面
添加小米粒文库到电脑桌面
安装后可以在桌面快捷访问

客诉处理管理规范VIP免费

客诉处理管理规范_第1页
1/7
客诉处理管理规范_第2页
2/7
客诉处理管理规范_第3页
3/7
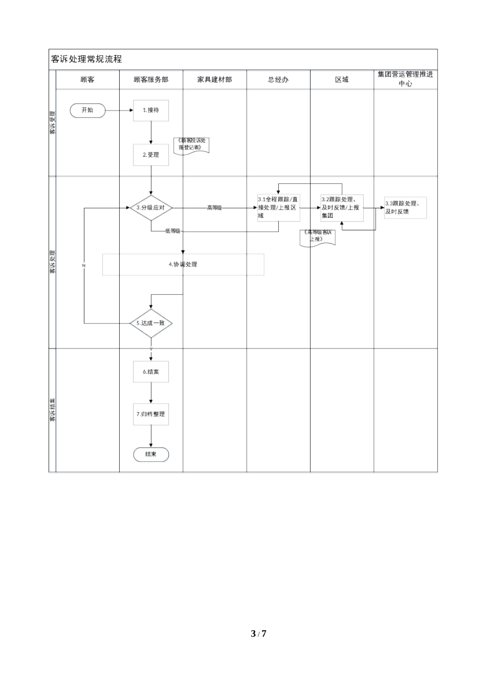
客诉处理管理规定文件分类:文件编号/版本号:编制目的为提高商场售后服务水平,规范顾客投诉处理流程,保护消费者合法权益,降低营运风险。管理要点1、坚持首问负责的原则2、客诉处理的基本程序3、客诉处理的基本标准4、高等级客诉处理的要求适用范围适用于全国所有商场主责部门顾客服务部、家具建材部岗位职责顾客服务部经理负责高等级客诉处理、商场内部人员客诉处理专业度训练;家具建材部经理负责高等级投诉商户事实查证、沟通,执行客服解决方案;楼层经理负责低等级客诉的处理、处理进展及时告知顾客服务部;执行客服解决方案;客服专员负责商场内低等级客诉的处理,客诉处理进展跟踪、回访等。术语/定义客诉处理商场顾客因对商场/商户所提供的服务或商品不满意,向投诉受理部门反映情况并要求得到处理、解决的行为。版本修订记录版本号生效日期修订内容编制人审核人批准人4201*.*1、“客诉高中低分类”修订为“高低等级”。2、增加高等级客诉处理流程:合议制。3、客诉结案状态增加了暂结。4、规范了客诉处理规范与话术1/71.管理内容为提高商场售后服务水平,规范商场处理顾客投诉处理的流程与标准,特制定此规定。本规定适用于全国***家居连锁商场客诉管理工作,主要包括客诉处理的基本程序、客诉处理的基本标准、以及高等级客诉处理的要求。客诉处理涉及岗位应掌握的知识技能与客诉处理设施配置要求如下:1.1应知应会管理制度:客诉处理流程、接待话术、公司服务承诺等。相关法规:家具建材专业知识、《中国消费者权益保护法》、《中华人民共和国合同法》、《中华人民共和国产品质量法》等。相关技能:沟通技巧、谈判技能、心理分析能力等。1.2服务规范接待规范按《客诉处理服务规范》、《客诉处理话术规范》等执行。1.3设施设备商场须设置“客服接待室”,设施设备按照《客服接待室设置规范》设置。1.4部门职责商场总经理:商场客诉管理第一责任人;顾客服务部负责商场客诉管理,负责受理、解决投诉;家具建材部负责低等级投诉处理、高等级投诉商户事实查证、沟通,执行客服解决方案;招商部负责协助客诉处理中品牌方/商户沟通;企划部负责客诉舆情风险管控,跟踪与反馈媒体信息;物业安全部负责现场秩序维护,人员及商场设施设备安全,商户展位库存管理;财务部负责顾客定单复核、费用拨付,商户资金管理。2.管理流程2.1客诉处理常规流程2/73/72.2关键节点描述序号节点描述责任部门责任岗位工作标准1客诉处理人员按标准接待顾客顾客服务部客诉专员/客诉主管客诉接待工作规范按标准执行(见《客诉处理服务规范与基本流程》)2核对购物信息,了解诉求并登记客诉顾客服务部客诉专员/客诉主管受理人员核对购物凭证和相关信息。了解顾客投诉信息、诉求,核实投诉情况填写《顾客投诉处理登记表》3客诉等级判定,分级处理顾客服务部/家具建材部客诉专员/客诉主管/资深客诉顾问/客服经理/楼层管理低等级客诉由客诉专员、客诉主管负责处理。高等级客诉由客服经理/资深客诉顾问及以上负责处理,按照《高等级客诉上报流程规范》上报集团。家具建材部负责商户事实查证、沟通,执行客服解决方案。6解决方案达成一致,客诉结案顾客服务部客诉专员/客诉主管/资深客诉顾问/客服经理结案:填写《投诉结案登记表》,顾客确认:现场结案,顾客签字确认;电话结案,使用400(或具备录音功能)话机与顾客电话确认;结案明确解决方案落实时间。暂结:须将处理进展、建议解决方案、暂结原因告知顾客并录入系统。7材料整理,客诉归档顾客服务部资深客诉顾问/客服经理客诉归档的材料包括《商场客诉登记表》,相关录音录像资料及其他定单等材料。表单见附件3。顾客服务部按照时间顺序整理客诉台帐材料,按照集团档案管理制度要求进行材料归档,保存不少于3年。4/73.客诉的分类分级3.1按照顾客投诉原因,对客诉分类如下:关键项目具体细则环保疑似环保问题环保指标不合格质量质量瑕疵质量指标不合格质量问题人身伤害服务安装纠纷送货延迟无法供货商户/商场服务态度差不履行约定承诺测量、设计问题纠纷价格纠纷促销纠纷事实/涉嫌欺诈(价格、材质欺诈、以次充好、虚假...

1、当您付费下载文档后,您只拥有了使用权限,并不意味着购买了版权,文档只能用于自身使用,不得用于其他商业用途(如 [转卖]进行直接盈利或[编辑后售卖]进行间接盈利)。
2、本站所有内容均由合作方或网友上传,本站不对文档的完整性、权威性及其观点立场正确性做任何保证或承诺!文档内容仅供研究参考,付费前请自行鉴别。
3、如文档内容存在违规,或者侵犯商业秘密、侵犯著作权等,请点击“违规举报”。

碎片内容

客诉处理管理规范

您可能关注的文档

确认删除?
VIP
微信客服
  • 扫码咨询
会员Q群
  • 会员专属群点击这里加入QQ群
客服邮箱
回到顶部