电脑桌面
添加小米粒文库到电脑桌面
安装后可以在桌面快捷访问

路面修复施工方案VIP免费

路面修复施工方案_第1页
1/6
路面修复施工方案_第2页
2/6
路面修复施工方案_第3页
3/6
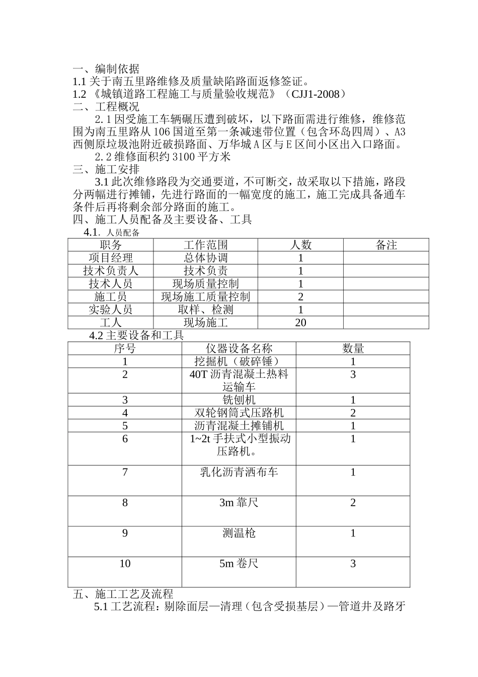
沥青路面维修专项方案编制:审核:审批:2017年5月5日一、编制依据1.1关于南五里路维修及质量缺陷路面返修签证。1.2《城镇道路工程施工与质量验收规范》(CJJ1-2008)二、工程概况2.1因受施工车辆碾压遭到破坏,以下路面需进行维修,维修范围为南五里路从106国道至第一条减速带位置(包含环岛四周)、A3西侧原垃圾池附近破损路面、万华城A区与E区间小区出入口路面。2.2维修面积约3100平方米三、施工安排3.1此次维修路段为交通要道,不可断交,故采取以下措施,路段分两幅进行摊铺,先进行路面的一幅宽度的施工,施工完成具备通车条件后再将剩余部分路面的施工。四、施工人员配备及主要设备、工具4.1.人员配备职务工作范围人数备注项目经理总体协调1技术负责人技术负责1技术人员现场质量控制1施工员现场施工质量控制2实验人员取样、检测1工人现场施工204.2主要设备和工具序号仪器设备名称数量1挖掘机(破碎锤)1240T沥青混凝土热料运输车33铣刨机14双轮钢筒式压路机25沥青混凝土摊铺机161~2t手扶式小型振动压路机。17乳化沥青洒布车183m靠尺29测温枪1105m卷尺3五、施工工艺及流程5.1工艺流程:剔除面层—清理(包含受损基层)—管道井及路牙石修整—铺设水泥稳定粒料—喷洒乳化沥青结合油—70mm厚中粒式改性沥青混凝土—快裂乳化沥青粘层—40mm厚细粒式改性沥青混凝土面层5.2首先采用铣刨机剔除路面面层的上面层(厚度40mm),铣刨后,底面凡已松动的原沥青粒块应予挖除,底面如为光滑的表面则应予凿毛,局部低洼出用沥青混合料填平,夯实。铣刨时,应边铣刨边清扫路渣,便于铣刨机行走、找平。铣刨后,横向边口往往不整齐,可用切割机沿边线切割后,人工凿齐。扫除松动集料、尘土和积水,晾干。剔除完成后路面将清理干净。5.3由监理、甲方代表、施工单位等各方确定路面修补位置,技术人员要把修补位置用粉笔画出来,然后用切割机将修补面积边线切出来,切缝深度一般要保证5cm左右。切边的主要目的是保证坑槽壁垂直、槽边整齐。然后用挖掘机(破碎锤)将旧沥青路面挖除(挖至素土层),然后人工配合将坑槽内残留杂物清扫干净,分层铺设水泥稳定粒料并压实。5.4管道井下沉处需将其四周的路面的面层及基层进行挖除后,如管道井有破损,需事先将管道井修复完成。同时将破损的路缘石(包括长度小于600mm)及井盖进行更换,曲线部位更换带弧度的路缘石。5.5由于基层或土基变形,应先清除基层或土基的变形部分,采用水泥稳定粒料填补并使用1~2t手扶式小型振动压路机压实。5.6喷洒乳化沥青用沥青撒布车将乳化沥青喷洒于整个摊铺面和槽壁接口上,沥青混凝土下面层必须在基层验收合格并清扫干净、喷洒乳化沥青。5.7破损处底层沥青混凝土采用70mm厚中粒式改性沥青混凝土(AC-20),由于修补用量较少,用量现场测量确定用量,以免造成浪费。5.8用沥青撒布车将乳化沥青喷洒于整个摊铺面和槽壁接口上,乳化沥青选用快裂乳化粘层沥青(0.5L/m2),破乳后即可进行摊铺作业。5.9铺筑沥青混凝土上面层5.9.1在铺筑混合料之前,必须对下层进行检查,特别应注意下层的污染情况,不符合要求的要进行处理,否则不得铺筑沥青砼。5.9.2本道路路面宽14米,分两幅进行摊铺40mmAC-13型细粒式改性沥青混凝土上面层,摊铺机两侧配置自动找平平衡梁。5.9.3正常施工,摊铺温度不低于130-140℃,不超过165℃;在10℃气温时施工不低于140℃,不超过175℃。摊铺前要对每车的沥青混合料进行检验,发现超温料、花白料、不合格材料要拒绝摊铺,退回废弃。5.9.4摊铺机一定要保持摊铺的连续性,有专人指挥,一车卸完下一车要立即跟上,应以均匀的速度行驶,以保证混合料均匀、不间断地摊铺,摊铺机前要经常保持3辆车以上,摊铺过程中不得随意变换速度,避免中途停顿,影响施工质量。5.9.5摊铺机的操作应不使混合料沿着受料斗的两侧堆积,任何原因使冷却到规定温度以下的混合料应予除去。5.9.6对外形不规则路面、厚度不同、空间受限制等摊铺机无法工作的地方,经工程师批准可以采用人工铺筑混合料。5.9.7在雨天或表面存有积水、施工气温低于10℃时,都不得摊铺混料。5.10混合料的压实5.10.1在混合料完成摊铺和刮平后立即对路面进行检查...

1、当您付费下载文档后,您只拥有了使用权限,并不意味着购买了版权,文档只能用于自身使用,不得用于其他商业用途(如 [转卖]进行直接盈利或[编辑后售卖]进行间接盈利)。
2、本站所有内容均由合作方或网友上传,本站不对文档的完整性、权威性及其观点立场正确性做任何保证或承诺!文档内容仅供研究参考,付费前请自行鉴别。
3、如文档内容存在违规,或者侵犯商业秘密、侵犯著作权等,请点击“违规举报”。

碎片内容

路面修复施工方案

您可能关注的文档

确认删除?
VIP
微信客服
  • 扫码咨询
会员Q群
  • 会员专属群点击这里加入QQ群
客服邮箱
回到顶部