电脑桌面
添加小米粒文库到电脑桌面
安装后可以在桌面快捷访问

楼层平面放线记录VIP免费

楼层平面放线记录_第1页
1/16
楼层平面放线记录_第2页
2/16
楼层平面放线记录_第3页
3/16
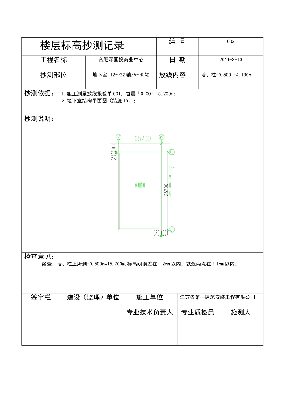
楼层平面放线记录编号001工程名称合肥深国投商业中心日期2008-8-22放线部位地下室底板2~6轴/J~Q轴(4区)放线内容墙、柱定位轴线、边线、1M控制线放线依据:1.工程基线复核表001、003,桩心坐标点和甲方提供3个控制点坐标。2.施工测量放线报验单标高。3.-0.05m以下柱定位图(结施07、结施15等)放线简图:检查意见:2~6边±1mm;J~Q边+2mm;角+3〃;签字栏建设(监理)单位施工单位江苏省第一建筑安装工程有限公司专业技术负责人专业质检员施测人楼层标高抄测记录编号001工程名称合肥深国投商业中心日期2008-8-20抄测部位地下室2~12轴/A~R轴放线内容墙、柱+0.500=-4.130m抄测依据:1.施工测量放线报验单001,首层±0.00m=15.200m;2.地下室结构平面图(结施15);抄测说明:检查意见:经查:墙、柱上所测+0.500m=15.700m,标高线误差在±2mm以内,就近两点在±1mm以内。签字栏建设(监理)单位施工单位江苏省第一建筑安装工程有限公司专业技术负责人专业质检员施测人楼层标高抄测记录编号002工程名称合肥深国投商业中心日期2011-3-10抄测部位地下室12~22轴/A~R轴放线内容墙、柱+0.500=-4.130m抄测依据:1.施工测量放线报验单001,首层±0.00m=15.200m;2.地下室结构平面图(结施15);抄测说明:检查意见:经查:墙、柱上所测+0.500m=15.700m,标高线误差在±2mm以内,就近两点在±1mm以内。签字栏建设(监理)单位施工单位江苏省第一建筑安装工程有限公司专业技术负责人专业质检员施测人楼层平面放线记录编号002工程名称合肥深国投商业中心日期2008-8-26放线部位地下室底板2~6轴/E~J轴(5区)放线内容墙、柱定位轴线、边线、1M控制线放线依据:1.工程基线复核表001、003,桩心坐标点和甲方提供3个控制点坐标。2.施工测量放线报验单标高。3.-0.05m以下柱定位图(结施07、结施15等)放线简图:检查意见:2~6边±1mm;E~J边+2mm;角+2〃;签字栏建设(监理)单位施工单位江苏省第一建筑安装工程有限公司专业技术负责人专业质检员施测人楼层平面放线记录编号003工程名称合肥深国投商业中心日期2008-9-3放线部位地下室底板2~6轴/A~E轴(6区)放线内容墙、柱定位轴线、边线、1M控制线放线依据:1.工程基线复核表001、003,桩心坐标点和甲方提供3个控制点坐标。2.施工测量放线报验单标高。3.-0.05m以下柱定位图(结施07、结施15等)放线简图:检查意见:2~6边±2mm;A~E边+1mm;角+2〃;签字栏建设(监理)单位施工单位江苏省第一建筑安装工程有限公司专业技术负责人专业质检员施测人楼层平面放线记录编号004工程名称合肥深国投商业中心日期2008-10-5放线部位地下室底板6~12轴/A~F轴(8区)放线内容墙、柱定位轴线、边线、1M控制线放线依据:1.工程基线复核表001、003,桩心坐标点和甲方提供3个控制点坐标。2.施工测量放线报验单标高。3.-0.05m以下柱定位图(结施07、结施15等)放线简图:检查意见:6~12边±1mm;A~F边+1mm;角+2〃;签字栏建设(监理)单位施工单位江苏省第一建筑安装工程有限公司专业技术负责人专业质检员施测人楼层平面放线记录编号005工程名称合肥深国投商业中心日期2008-9-25放线部位地下室底板6~12轴/F~J轴(7区)放线内容墙、柱定位轴线、边线、1M控制线放线依据:1.工程基线复核表001、003,桩心坐标点和甲方提供3个控制点坐标。2.施工测量放线报验单标高。3.-0.05m以下柱定位图(结施07、结施15等)放线简图:检查意见:6~12边±1mm;F~J边+3mm;角+2〃;签字栏建设(监理)单位施工单位江苏省第一建筑安装工程有限公司专业技术负责人专业质检员施测人楼层平面放线记录编号004工程名称合肥深国投商业中心日期2008-10-5放线部位地下室底板6~12轴/A~F轴(8区)放线内容墙、柱定位轴线、边线、1M控制线放线依据:1.工程基线复核表001、003,桩心坐标点和甲方提供3个控制点坐标。2.施工测量放线报验单标高。3.-0.05m以下柱定位图(结施07、结施15等)放线简图:检查意见:6~12边±1mm;A~F边+1mm;角+2〃;签字栏建设(监理)单位施工单位江苏省第一建筑安装工程有限公司专业技术负责人专业质检员施测人楼层平面放线记录编号007工程名称合肥深...

1、当您付费下载文档后,您只拥有了使用权限,并不意味着购买了版权,文档只能用于自身使用,不得用于其他商业用途(如 [转卖]进行直接盈利或[编辑后售卖]进行间接盈利)。
2、本站所有内容均由合作方或网友上传,本站不对文档的完整性、权威性及其观点立场正确性做任何保证或承诺!文档内容仅供研究参考,付费前请自行鉴别。
3、如文档内容存在违规,或者侵犯商业秘密、侵犯著作权等,请点击“违规举报”。

碎片内容

楼层平面放线记录

您可能关注的文档

;绿洲书城+ 关注
实名认证
内容提供者

从事历史教学,热爱教育,高度负责。

确认删除?
VIP
微信客服
  • 扫码咨询
会员Q群
  • 会员专属群点击这里加入QQ群
客服邮箱
回到顶部