电脑桌面
添加小米粒文库到电脑桌面
安装后可以在桌面快捷访问

桥梁日常巡查及巡查表VIP免费

桥梁日常巡查及巡查表_第1页
1/9
桥梁日常巡查及巡查表_第2页
2/9
桥梁日常巡查及巡查表_第3页
3/9
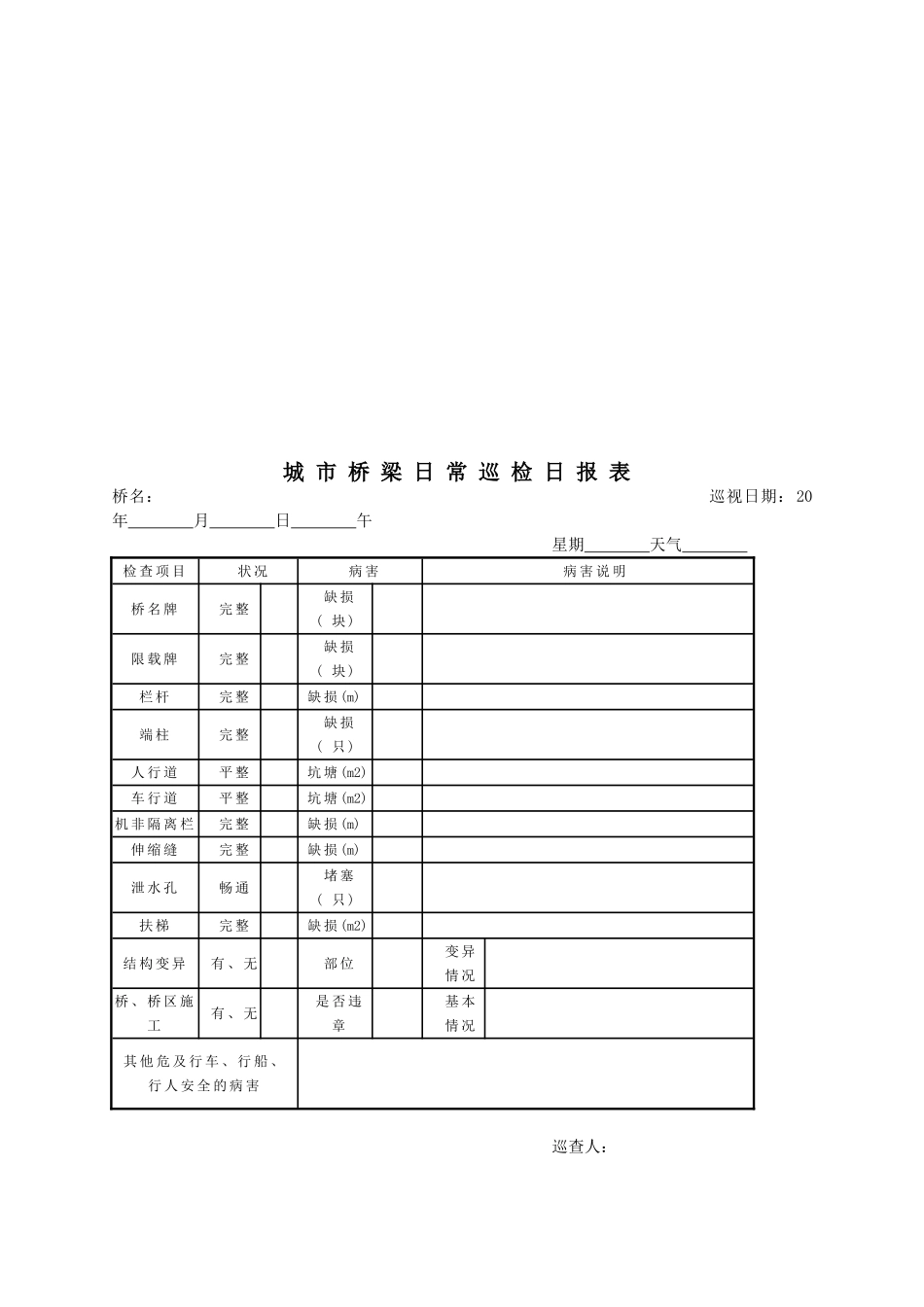
4.2经常性检查4.2.1经常性检查应对结构变异、桥及桥区施工作业情况的检查和桥面系、限载标志、交通标志及其他附属设施等状况进行日常巡检。4.2.2经常性检查应由经过培训的专职桥梁管理人员或有一定经验的工程技术人员负责。4.2.3经常性检查宜以目测为主,并应按附录A现场填写《城市桥梁日常巡检日报表》,登记所检查城市桥梁的缺损类型、维修工程量,提出相应的养护措施。4.2.4经常性检查应按桥梁的类别、级别、技术等级分别制定巡检周期。对重要桥梁,或遇恶劣天气、汛期、雨季、冰冻等特殊情况,周期宜短。特殊情况可设专人看护。4.2.5经常性检查记录应定期整理归档,并提出评价意见。巡检过程中发现设施明显损坏,影响车辆和行人安全,应及时采取相应维护措施,并应立即向主管部门报告。4.2.6经常性检查应包括下列内容:1桥面系及附属结构物的外观情况:1)平整性、裂缝、局部坑槽、拥包、车辙、桥头跳车;(48小时)2)桥面泄水孔的堵塞、缺损;(72小时)3)人行道铺装、栏杆扶手、端柱等部位的污秽、破损、缺失、露筋、锈蚀等;4)墩台、锥坡、翼墙的局部开裂、破损、塌陷等。2上下部结构异常变化、缺陷、变形、沉降、位移,伸缩装置的阻塞、破损、联结松动等情况。、3城市道路管理条例中规定的各类违章现象。4检查在桥区内的施工作业情况。5桥梁限载标志及交通标志设施等各类标志完好情况。6其他较明显的损坏及不正常现象。保证金10%3.3养护中修复的时效规定:①桥面坑洞、伸缩缝、护栏缺失、撞损修复应在48小时内完成,在修复前采取应急处置措施,防止出现次生灾害和病害扩大。②、引道挡墙砌体脱落、饰面砖脱落,落水管破损缺失应在72小时内完成,在修复前采取应急处置措施,防止出现次生灾害和病害扩大。城市桥梁日常巡检日报表桥名:巡视日期:20年月日午星期天气检查项目状况病害病害说明桥名牌完整缺损(块)限载牌完整缺损(块)栏杆完整缺损(m)端柱完整缺损(只)人行道平整坑塘(m2)车行道平整坑塘(m2)机非隔离栏完整缺损(m)伸缩缝完整缺损(m)泄水孔畅通堵塞(只)扶梯完整缺损(m2)结构变异有、无部位变异情况桥、桥区施工有、无是否违章基本情况其他危及行车、行船、行人安全的病害巡查人:桥梁养护日常考核申报表(附件1)养护单位标段名称考核时间标段养护情况概括(包括完成养护内容、日常检查情况,撞损设施应急处置及下一月工作计划等基本概括)附件:养护施工资料、图片、日常巡查表等日常考核意见:考核签名:备注:桥梁养护定期综合考核评定表(附件2)标段名称单位名称桥梁名称考评时间编号考核部分综合考核内容考评等级分类标准分扣分得分1桥面系桥面铺装桥面是否有坑洞、纵横贯通裂纹ⅠⅡⅢ类3桥头平顺桥头是否有跳车ⅠⅡⅢ类3伸缩缝检查伸缩装置、缝内泥砂(槽口内)伸缩缝周边砼、止水带等病害情况ⅠⅡⅢ类10排水系统检查泄水孔阻塞、落水管松动、缺损ⅠⅡⅢ类8栏杆检查栏杆破损、残缺、错位、栏杆锈蚀、撞损修复ⅠⅡⅢ类8人行道人行道塌陷、残缺、缘石损坏ⅠⅡⅢ类62桥台耳墙、桥头堡检查耳背墙开裂、缺损;桥头堡偏位、撞损整修ⅠⅡⅢ类63桥梁附属设施引道挡墙是否有缺损、裂缝、检查踏步、标志标牌缺损、整洁情况ⅠⅡⅢ类64桥梁上部结构上构有无病害、有无经常检查资料、图片及日常养护合格与不合格55墩身墩身有无病害、有无经常性检查资料和图片、日常保养情况合格与不合格56支座支座是否正常,有否防尘、注油养护(一年一次)合格与不合格57桥梁基础基础有否明显冲刷、有否检查资料、图片、日常保养合格与不合格58日常考核情况检查日常考核记录表、一个优加4分、1个良加2分、不合格扣6分全部合格计满分209媒体或其他部门投诉媒体公开曝光、数字化城管投诉及12345市长信箱等投诉修复不及时、养护不及时一次5分,其他部门人员投诉一次处理不及时一次扣5分ⅠⅡⅢ类10合计五投标要求及说明1、投标人可以同时参与本项目任意标段的投标,但只能承担其中1个标段。若同一投标人在多个标段同时排名第一,则由评标委员会按标段预算值大小优先确定中标人,其余的标段由该标段排名第二的中标候选人中标,以此类推。2、投标人如投多个标段的,投标文件必需分...

1、当您付费下载文档后,您只拥有了使用权限,并不意味着购买了版权,文档只能用于自身使用,不得用于其他商业用途(如 [转卖]进行直接盈利或[编辑后售卖]进行间接盈利)。
2、本站所有内容均由合作方或网友上传,本站不对文档的完整性、权威性及其观点立场正确性做任何保证或承诺!文档内容仅供研究参考,付费前请自行鉴别。
3、如文档内容存在违规,或者侵犯商业秘密、侵犯著作权等,请点击“违规举报”。

碎片内容

桥梁日常巡查及巡查表

确认删除?
VIP
微信客服
  • 扫码咨询
会员Q群
  • 会员专属群点击这里加入QQ群
客服邮箱
回到顶部