电脑桌面
添加小米粒文库到电脑桌面
安装后可以在桌面快捷访问

龙门吊购买合同VIP免费

龙门吊购买合同_第1页
1/4
龙门吊购买合同_第2页
2/4
龙门吊购买合同_第3页
3/4
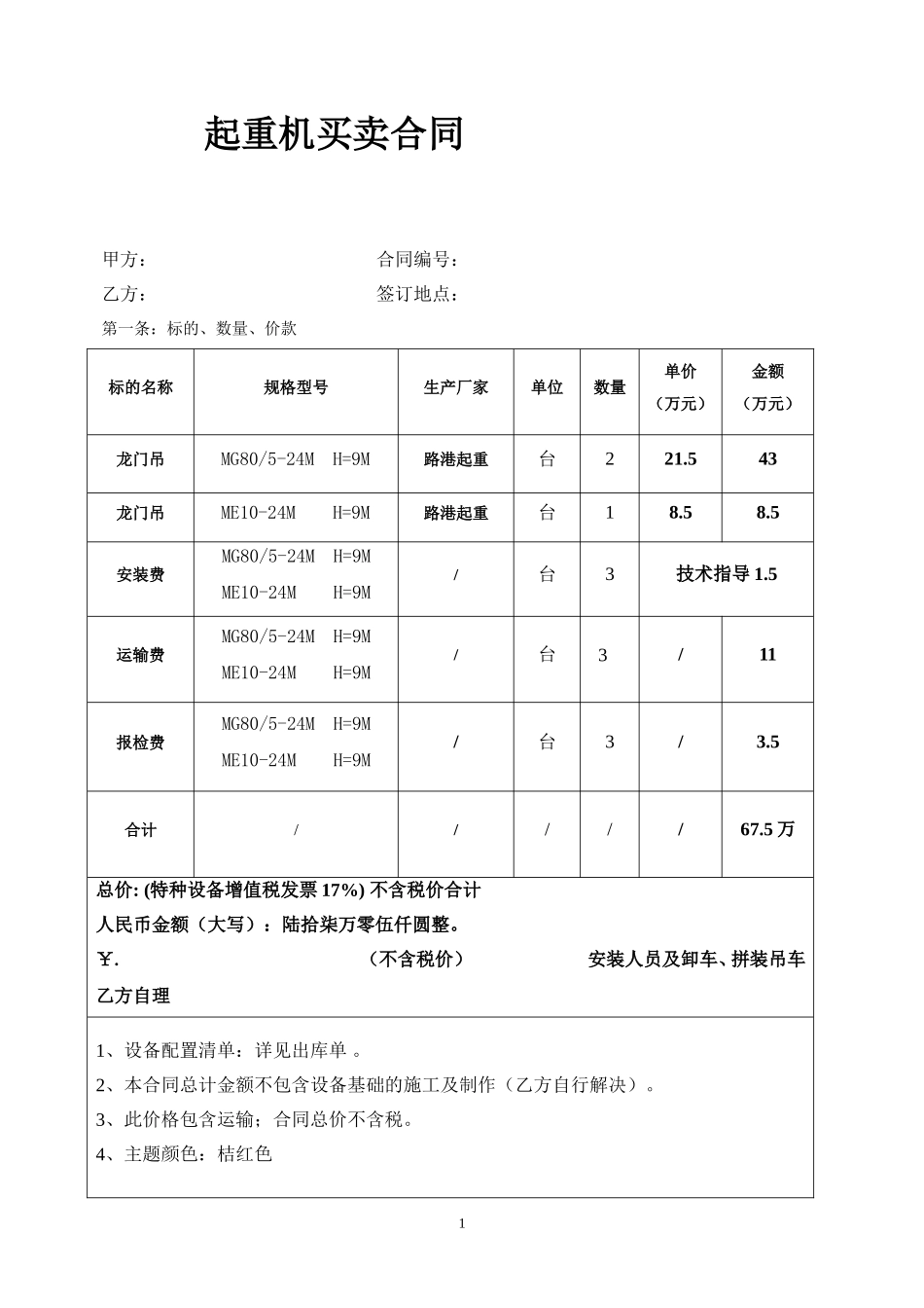
起重机买卖合同甲方:合同编号:乙方:签订地点:第一条:标的、数量、价款标的名称规格型号生产厂家单位数量单价(万元)金额(万元)龙门吊MG80/5-24MH=9M路港起重台221.543龙门吊ME10-24MH=9M路港起重台18.58.5安装费MG80/5-24MH=9MME10-24MH=9M/台3技术指导1.5运输费MG80/5-24MH=9MME10-24MH=9M/台3/11报检费MG80/5-24MH=9MME10-24MH=9M/台3/3.5合计/////67.5万总价:(特种设备增值税发票17%)不含税价合计人民币金额(大写):陆拾柒万零伍仟圆整。¥.(不含税价)安装人员及卸车、拼装吊车乙方自理1、设备配置清单:详见出库单。2、本合同总计金额不包含设备基础的施工及制作(乙方自行解决)。3、此价格包含运输;合同总价不含税。4、主题颜色:桔红色1第二条:质量标准1、甲方的设计应符合技术条款规定,符合门式起重机设计标准GB/T14406-2011。2、甲方应向乙方提供以下证明质量的资料:产品检验合格证及相关资料。第三条:供货时间货款到账80T、10T龙门吊20天提货。第四条:交货地点乙方施工所在地1、(项目部)汽运,费用由甲方负责。第六条:标的物所有权标的物所有权在乙方未完全履行支付货款义务时,标的物产权归甲方所有,自乙方付清货款时起,标的物所有权转移至乙方。第七条:付款条件:1、签订合同后乙方支付给甲方贰拾伍万圆整(25万元)定金。乙方提货出厂前支付给甲方肆拾万圆整(40万元)。安装调试一周内乙方支付给甲方贰万伍仟圆整(2.5万元)。第八条:安装调试与验收1、安装、验收所需机械机具及人员由乙方提供,甲方负责技术指导。甲方人员食宿由乙方负责。2、甲方负责办理质量检验、验收等相关手续,甲方提供整套验收资料。第九条:技术文件设备交货时,甲方应向乙方提供与设备配套的技术文件,如:1、产品样本;2、机械使用说明书;3、电气使用说明书。4、营业执照复印件5、生产许可证复印件6、组织机构代码证复印件27、安装改造维修许可证复印件8、设备出厂检验合格证。第十条:售后服务1、甲方保证提供优质的售后服务,设备保修期内,因甲方制造、装配等方面的原因所引发的故障,由甲方及时负责无偿保修;因乙方使用不当或不履行正常的预防保养所造成的损失甲方仍负责提供零配件及修理,乙方承担零配件费用;2、保修期为壹年,保修期满,甲方仍负责提供零配件及维修服务,所需费用由乙方负责承担;3、使用期间,乙方无偿优先享有甲方对设备的技术革新及升级。4、质保期满后,甲方应继续给予有偿维修服务,按优惠价提供零配件,保证乙方的使用要求。第十一条:双方责任甲方责任:1、甲方负责设备设计、制造、提供全套合格设备,配套件严格按《技术协议》要求配置。2、甲方负责运输、技术指导乙方人员安装、调试直到验收合格为止。3、甲方免费培训乙方设备操作人员,使其掌握设备的操作方法和维护技能。4、甲方协助乙方取得特种设备运行许可证,不符合要求的,乙方负责整改,直至符合要求为止。乙方责任:1、乙方或甲方未履行合同义务均属违约,均应向对方承担因违约而造成的损失;2、如乙方中途退货,甲方将保留定金或合同总金额的百分之二十作为违约补偿金;3、如乙方不能按本合同规定的日期履行付款义务,甲方将终止对标的物技术支持及售后服务,并通过相关法律部门依法追回货款,按相关国家规定支付此款项滞纳金。第十二条:合同终止1、双方已完全履行了合同的任何责任和义务;2、当乙方或甲方一方破产或因国家政策性变更而无法继续履行合同义务时,应及时以书面形式通知对方,提出终止合同。该终止合同应以不损害对方利益为条件。3第十三条:合同争议的解决方式本合同未尽事宜或发生争议时,双方协商解决,并签订补充协议。如协商不成,向甲方仲裁委员会申请仲裁。或向甲方人民法院提起诉讼。第十四条:合同生效及其它1、合同一式叁份。本合同自双方签字盖章预付款到帐之日起生效,至工程结束、保修期满、帐款结清后自动失效;2、本合同未尽事宜,双方协商解决签订补充文件,补充文件与本合同条款具有同等效力;甲方:委托人代表签字:法人签字:联系电话:账号:开户行:地址:乙方:委托人代表签字:法人签字:联系电话:电话:传真:地址:4

1、当您付费下载文档后,您只拥有了使用权限,并不意味着购买了版权,文档只能用于自身使用,不得用于其他商业用途(如 [转卖]进行直接盈利或[编辑后售卖]进行间接盈利)。
2、本站所有内容均由合作方或网友上传,本站不对文档的完整性、权威性及其观点立场正确性做任何保证或承诺!文档内容仅供研究参考,付费前请自行鉴别。
3、如文档内容存在违规,或者侵犯商业秘密、侵犯著作权等,请点击“违规举报”。

碎片内容

龙门吊购买合同

确认删除?
VIP
微信客服
  • 扫码咨询
会员Q群
  • 会员专属群点击这里加入QQ群
客服邮箱
回到顶部