电脑桌面
添加小米粒文库到电脑桌面
安装后可以在桌面快捷访问

理论力学答案(谢传峰版)VIP免费

理论力学答案(谢传峰版)_第1页
1/71
理论力学答案(谢传峰版)_第2页
2/71
理论力学答案(谢传峰版)_第3页
3/71
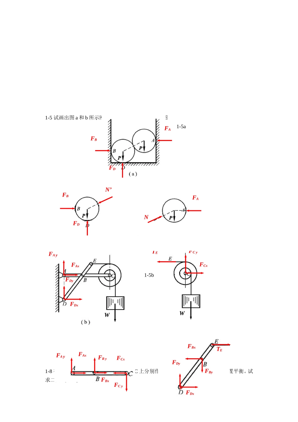
静力学1-3试画出图示各结构中构件AB的受力图1-4试画出两结构中构件ABCD的受力图FAxFAyFB(a)(a)FAFBFBFDFDFBxFByFBxFCFBFCFByFAxFAyFDFByFAFBxFBFA1-5试画出图a和b所示刚体系整体合格构件的受力图1-5a1-5b1-8在四连杆机构的ABCD的铰链B和C上分别作用有力F1和F2,机构在图示位置平衡。试求二力F1和F2之间的关系。FAxFAyFDxFDyWTEFCxFCyWFAxFAyFBxFByFCxFCyFDxFDyFBxFByTEN’FBFDFANFAFBFD解:杆AB,BC,CD为二力杆,受力方向分别沿着各杆端点连线的方向。解法1(解析法)假设各杆受压,分别选取销钉B和C为研究对象,受力如图所示:由共点力系平衡方程,对B点有:0xF045cos02BCFF对C点有:0xF030cos01FFBC解以上二个方程可得:22163.1362FFF解法2(几何法)分别选取销钉B和C为研究对象,根据汇交力系平衡条件,作用在B和C点上的力构成封闭的力多边形,如图所示。对B点由几何关系可知:0245cosBCFF对C点由几何关系可知:0130cosFFBC解以上两式可得:2163.1FF2-3在图示结构中,二曲杆重不计,曲杆AB上作用有主动力偶M。试求A和C点处的约束力。解:BC为二力杆(受力如图所示),故曲杆AB在B点处受到约束力的方向沿BC两点连线的方向。曲杆AB受到主动力偶M的作用,A点和B点处的约束力必须构成一个力偶才能使曲杆AB保持平衡。AB受力如图所示,由力偶系作用下刚体的平衡方程有(设力偶逆时针为正):FABFBCFCD60oF130oF2FBC45oF2FBCFABB45oyxFCDC60oF130oFBCxyFBFAθθFBFC0M0)45sin(100MaFAaMFA354.0其中:31tan。对BC杆有:aMFFFABC354.0。A,C两点约束力的方向如图所示。2-4四连杆机构在图示位置平衡,已知OA=60cm,BC=40cm,作用在BC上力偶的力偶矩M2=1N·m。试求作用在OA上力偶的力偶矩大小M1和AB所受的力ABF。各杆重量不计。解:机构中AB杆为二力杆,点A,B出的约束力方向即可确定。由力偶系作用下刚体的平衡条件,点O,C处的约束力方向也可确定,各杆的受力如图所示。对BC杆有:0M030sin20MCBFB对AB杆有:ABFF对OA杆有:0M01AOFMA求解以上三式可得:mNM31,NFFFCOAB5,方向如图所示。2-6等边三角形板ABC,边长为a,今沿其边作用大小均为F的力321,,FFF,方向如图a,b所示。试分别求其最简简化结果。解:2-6a坐标如图所示,各力可表示为:jFiFF23211,iFF2,jFiFF23213先将力系向A点简化得(红色的):FAFOOFAFBFBFCCxyFRMAFRdxFRMAFRdyjFiFFR3,kFaMA23方向如左图所示。由于ARMF,可进一步简化为一个不过A点的力(绿色的),主矢不变,其作用线距A点的距离ad43,位置如左图所示。2-6b同理如右图所示,可将该力系简化为一个不过A点的力(绿色的),主矢为:iFFR2其作用线距A点的距离ad43,位置如右图所示。简化中心的选取不同,是否影响最后的简化结果?2-13图示梁AB一端砌入墙内,在自由端装有滑轮,用以匀速吊起重物D。设重物重为P,AB长为l,斜绳与铅垂方向成角。试求固定端的约束力。法1解:整个结构处于平衡状态。选择滑轮为研究对象,受力如图,列平衡方程(坐标一般以水平向右为x轴正向,竖直向上为y轴正向,力偶以逆时针为正):0xF0sinBxFP0yF0cosPPFBy选梁AB为研究对象,受力如图,列平衡方程:0xF0BxAxFF0yF0ByAyFF0AM0lFMByA求解以上五个方程,可得五个未知量AByBxAyAxMFFFF,,,,分别为:sinPFFBxAx(与图示方向相反))cos1(PFFByAy(与图示方向相同)lPMA)cos1((逆时针方向)法2解:设滑轮半径为R。选择梁和滑轮为研究对象,受力如图,列平衡方程:0xF0sinPFAx0yF0cosPPFAyPBFBxFByPMAFBxFByFAxFAyMAPFAxFAyP0AM02tansin)(cos)(RPRlPRlPMA求解以上三个方程,可得AAyAxMFF,,分别为:sinPFAx(与图示方向相反))cos1(PFAy(与图示方向相同)lPMA)cos1((逆时针方向)2-18均质杆AB重G,长l,放在宽度为a的光滑槽内,杆的B端作用着铅垂向下的力F,如图所示。试求杆平衡时对水平面的倾角...

1、当您付费下载文档后,您只拥有了使用权限,并不意味着购买了版权,文档只能用于自身使用,不得用于其他商业用途(如 [转卖]进行直接盈利或[编辑后售卖]进行间接盈利)。
2、本站所有内容均由合作方或网友上传,本站不对文档的完整性、权威性及其观点立场正确性做任何保证或承诺!文档内容仅供研究参考,付费前请自行鉴别。
3、如文档内容存在违规,或者侵犯商业秘密、侵犯著作权等,请点击“违规举报”。

碎片内容

理论力学答案(谢传峰版)

您可能关注的文档

确认删除?
VIP
微信客服
  • 扫码咨询
会员Q群
  • 会员专属群点击这里加入QQ群
客服邮箱
回到顶部