电脑桌面
添加小米粒文库到电脑桌面
安装后可以在桌面快捷访问

绝缘子安装检验批质量验收记录表VIP免费

绝缘子安装检验批质量验收记录表_第1页
1/3
绝缘子安装检验批质量验收记录表_第2页
2/3
绝缘子安装检验批质量验收记录表_第3页
3/3
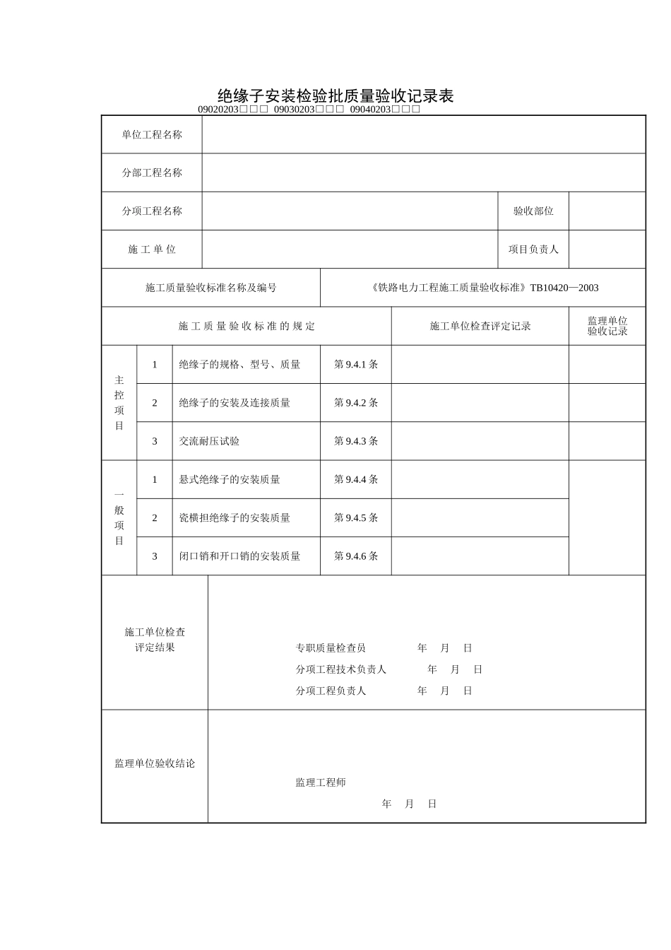
说明主控项目1.横担、叉梁及配件等金具应按进场批次进行检查,金具组装配合应良好,表面光洁,无裂纹、毛刺、砂眼、气泡等缺陷;镀锌良好,无锈蚀现象。横担、叉梁的规格、型号、质量应符合设计要求和相关产品标准的规定。检验数量:施工、监理单位均全部检查。检验方法:检查质量证明文件及观察检查。2.10kV以下架空线路同杆架设时,横担间的最小垂直距离应符合下表的规定:横担间最小垂直距离(m)导线名称与电压等级直线杆分支或转角杆检查方法10(6)kV与10kV0.80.45/0.6尺量与0.38kV1.21.00.38kV与0.38kV0.60.3自动闭塞高压线与信号线2.02.0低压线与信号线0.60.6信号线与信号线0.60.3检验数量:施工、监理单位均全部检查。3.电杆上横担、叉梁及铁塔的接地方式应符合设计要求,接地良好。检验数量:施工、监理单位均全部检查。检验方法:施工单位观察及测试检查。监理单位观察及见证测试一般项目1.横担安装质量应符合下列规定:(1)单横担的安装,直线杆应装于受电侧;分歧杆、90°转角杆(上、下)及终端杆应装于拉线侧。(2)横担安装偏差应符合下表的规定:横担安装允许偏差安装项目允许偏差检查方法横担端部上下歪斜20mm尺量左右扭斜双杆横担横担与电杆连接处高差5‰L连左右扭斜1‰L横注:表中L连系横担与电杆连接距离,L横系横担总长度。检验数量:施工单位抽检20%。检验方法:观察、尺量检查。2.叉梁安装质量应符合下列规定:(1)以抱箍连接的叉梁,其上端抱箍组装尺寸的允许偏差为±50mm。(2)分段组合叉梁组合后应正直,不应有明显的鼓肚,弯曲。(3)横隔梁安装后,应保持水平;组装尺寸允许偏差±50mm。检验数量:施工单位全部检查。检验方法:观察、测量检查。3.螺栓连接质量应符合下列规定:(1)螺杆应与构件面垂直,螺杆头平面与构件间不应有间隙。(2)螺栓紧固后,螺杆丝扣露出的长度单螺母不应少于两个螺距;双螺母可与螺母相平。(3)当必需加垫圈时,每端垫圈不应超过2个。检验数量:施工单位抽检10%。检验方法:观察检查。4.螺栓的穿入方向应符合下列规定:(1)对立体结构:水平方向由内向外;垂直方向由下向上。(2)对平面结构:顺线路方向,双面构件由内向外,单面构件由送电侧穿入或按统一方向;横线路方向,两侧由内向外,中间由左向右(面向受电侧)或按统一方向;垂直方向,由下向上。检验数量:施工单位抽检10%。检验方法:观察检查。绝缘子安装检验批质量验收记录表09020203□□□09030203□□□09040203□□□单位工程名称分部工程名称分项工程名称验收部位施工单位项目负责人施工质量验收标准名称及编号《铁路电力工程施工质量验收标准》TB10420—2003施工质量验收标准的规定施工单位检查评定记录监理单位验收记录主控项目1绝缘子的规格、型号、质量第9.4.1条2绝缘子的安装及连接质量第9.4.2条3交流耐压试验第9.4.3条一般项目1悬式绝缘子的安装质量第9.4.4条2瓷横担绝缘子的安装质量第9.4.5条3闭口销和开口销的安装质量第9.4.6条施工单位检查评定结果专职质量检查员年月日分项工程技术负责人年月日分项工程负责人年月日监理单位验收结论监理工程师年月日

1、当您付费下载文档后,您只拥有了使用权限,并不意味着购买了版权,文档只能用于自身使用,不得用于其他商业用途(如 [转卖]进行直接盈利或[编辑后售卖]进行间接盈利)。
2、本站所有内容均由合作方或网友上传,本站不对文档的完整性、权威性及其观点立场正确性做任何保证或承诺!文档内容仅供研究参考,付费前请自行鉴别。
3、如文档内容存在违规,或者侵犯商业秘密、侵犯著作权等,请点击“违规举报”。

碎片内容

绝缘子安装检验批质量验收记录表

;绿洲书城+ 关注
实名认证
内容提供者

从事历史教学,热爱教育,高度负责。

确认删除?
VIP
微信客服
  • 扫码咨询
会员Q群
  • 会员专属群点击这里加入QQ群
客服邮箱
回到顶部