电脑桌面
添加小米粒文库到电脑桌面
安装后可以在桌面快捷访问

燃气公司主业务流程2VIP免费

燃气公司主业务流程2_第1页
1/13
燃气公司主业务流程2_第2页
2/13
燃气公司主业务流程2_第3页
3/13
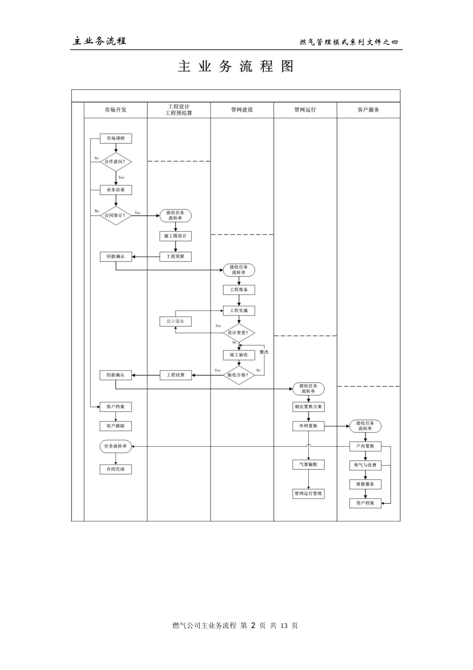
主业务流程燃气管理模式系列文件之四燃气公司主业务流程第1页共13页主业务流程目录1.主业务流程图………………………………………….22.主业务流程…………………………………………….3主业务流程燃气管理模式系列文件之四燃气公司主业务流程第2页共13页主业务流程燃气管理模式系列文件之四燃气公司主业务流程第3页共13页主业务流程燃气公司的使命是进行城市燃气管网的建设和运营,为燃气用户提供服务。其主要任务是:1.进行城市燃气管网规划、设计和建设;2.发展燃气用户;3.安装燃气器具;4.为燃气用户提供供气、维修等服务;5.管理城市燃气管网,确保稳定供气、安全运行。根据燃气公司的基本任务和业务特点,确定其主业务流程。燃气公司的主要业务流程按工作顺序分为五个阶段、32个环节,这五个阶段为:市场开发阶段、工程设计阶段(含工程预算)、管网建设阶段(含工程结算)、客户服务阶段(含户内置换)和管网运行阶段(含外网置换)。一、市场开发阶段主要任务是发展燃气用户、收取用户建设费、协调工程进度与客户关系。主要包括市场调研、编制市场发展计划、业务洽谈、工程概算、合同签订、首付款确认和合同履行7个环节。1.市场调研市场开发部门通过各种渠道、利用各种方式获得市场信息,与各种客户进行联系,了解客户需求、进行市场细分,把确实有条件、有可能用气的客户作为发展目标。市场开发部门根据调查情况,进行市场分析和预测,编写市场调研报告并建立客户档案。2.市场策划市场策划主要包括市场细分与市场定位,营销策略制订与实施。燃气营销活动主要包括价格促销活动、广告宣传和社会公关三个方面。市场开发部门根据市场细分和市场定位的分析结果,或市场开发计划,针对某类客户的消费可能性,制订营销策略,策划有针对性的主业务流程燃气管理模式系列文件之四燃气公司主业务流程第4页共13页营销活动。3.制定客户发展计划确定一个时期内所在城市的客户的总体发展计划、发展步骤、发展次序,所需的开发手段、市场策划方式方法等。包括年度、月度计划等。4.业务洽谈和工程概算市场开发人员与客户进行业务洽谈。了解用气方向、用气规模或开发面积、开发户数,为其提供燃气器具选型、价格、用户建设费、气费等方面的书面材料和咨询服务。需进行中压管网铺设时,要对投资进行经济性评价,确定工程支出与收益是否匹配,要确保本项工程有明显收益或短期内具有明显的发展潜力,能够收回投资。对工福户,若客户有合作意向,市场开发部门须进行工程概算,可组织设计人员、预算人员到现场进行勘察、草图设计和工程概算。概算结果报市场开发部门存留,并报预算部门备案。地产开发商和集体报装户视需要可进行工程概算。5.合同签订⑴合同评审市场开发人员与用户洽谈后,如达成共识,市场开发部门拟定合同草案,召集工程设计部门、管网建设部门、财务部门等部门进行合同审查会签。根据合同评审结果,合同如有实质性变更,需再次与客户进行沟通与洽谈。在客户需求与相关部门意见存在较大差异时,由燃气公司总经理最终裁定。⑵合同签订根据管理权限,由总经理或主管领导与客户签订合同。合同上应分别标明用户建设费与工程费金额(工福户),进行合同编号。合同正本分别交计划部门和财务部门,市场开发部门留存复印件备查。6.合同履行⑴下达合同任务流转单计划管理部门按照合同条款规定填制合同任务流转单,用于协调主业务流程燃气管理模式系列文件之四燃气公司主业务流程第5页共13页设计、预算、施工和置换进度,以保证合同的及时履行。⑵市场开发部门要根据合同条款及工程进度表,协调和督促检查工程进度,保证合同按时履行;⑶市场开发部门要根据工程施工中出现的问题,与用户及时沟通,协调解决有关问题。⑷市场开发部门要根据合同条款、回款条件和施工进度,按时催交回款。二、工程设计阶段主要任务是按规范进行中压管网规划设计、完成小区管网的施工图设计。主要包括接收任务流转单、施工图设计、工程预算3个环节:7.接收合同任务流转单工程设计部门接到合同任务流转单后,首先确定是否具备设计能力,如不具备设计能力可委托技术公司或外委进行设计。外委设计需...

1、当您付费下载文档后,您只拥有了使用权限,并不意味着购买了版权,文档只能用于自身使用,不得用于其他商业用途(如 [转卖]进行直接盈利或[编辑后售卖]进行间接盈利)。
2、本站所有内容均由合作方或网友上传,本站不对文档的完整性、权威性及其观点立场正确性做任何保证或承诺!文档内容仅供研究参考,付费前请自行鉴别。
3、如文档内容存在违规,或者侵犯商业秘密、侵犯著作权等,请点击“违规举报”。

碎片内容

燃气公司主业务流程2

确认删除?
VIP
微信客服
  • 扫码咨询
会员Q群
  • 会员专属群点击这里加入QQ群
客服邮箱
回到顶部