电脑桌面
添加小米粒文库到电脑桌面
安装后可以在桌面快捷访问

路基工程施工组织设计(完整版)VIP免费

路基工程施工组织设计(完整版)_第1页
1/43
路基工程施工组织设计(完整版)_第2页
2/43
路基工程施工组织设计(完整版)_第3页
3/43
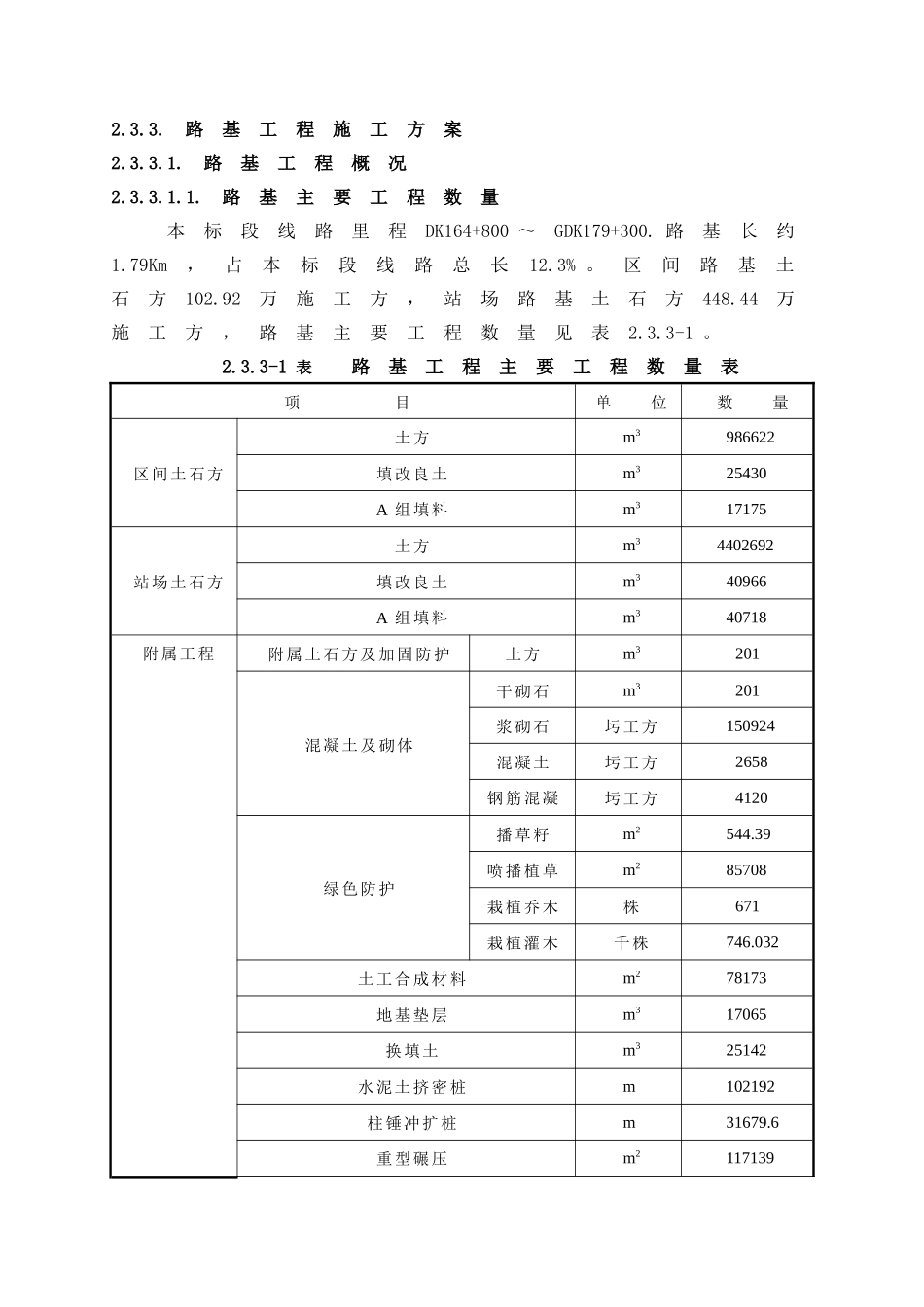
2.3.3.路基工程施工方案2.3.3.1.路基工程概况2.3.3.1.1.路基主要工程数量本标段线路里程DK164+800~GDK179+300.路基长约1.79Km,占本标段线路总长12.3%。区间路基土石方102.92万施工方,站场路基土石方448.44万施工方,路基主要工程数量见表2.3.3-1。2.3.3-1表路基工程主要工程数量表项目单位数量区间土石方土方m3986622填改良土m325430A组填料m317175站场土石方土方m34402692填改良土m340966A组填料m340718附属工程附属土石方及加固防护土方m3201混凝土及砌体干砌石m3201浆砌石圬工方150924混凝土圬工方2658钢筋混凝土圬工方4120绿色防护播草籽m2544.39喷播植草m285708栽植乔木株671栽植灌木千株746.032土工合成材料m278173地基垫层m317065换填土m325142水泥土挤密桩m102192柱锤冲扩桩m31679.6重型碾压m2117139项目单位数量路基声屏障m21731.6桥上声屏障m2518.4线路防护栅栏单侧公里15.878路基地段电缆槽公里1.2挡土墙片石混凝土圬工方347342.3.3.1.2.路基工点类型本标段路基工点类型主要有:风沙路基、边坡防护路基、黄土路基、黄土路堑。2.3.3.2.路基面形状和宽度、路基基床、过渡段2.3.3.2.1.路基形状路基面形状为三角形路拱,由路基中心线向两侧人字排坡。曲线加宽时,路基面仍保持三角形。由中心向两侧设4%的排水坡。路基排水设施的纵坡,不应小于2‰,地面平坦地带或反坡排水地带,仅在困难下,方可减少1‰,单面排水坡段长度不宜大于400m,必要时增设横向排水设施引入附近的沟渠或涵洞。排水设施如侧沟、天沟、排水沟或截水沟应按1/50频率设计,沟顶应高出设计水位0.2m。2.3.3.2.2.路基宽度区间直线地段路基面宽度:路堤宽度:单线7.8m;路堑宽度:单线7.7m。曲线地段路基面加宽按照规范要求加宽。2.3.3.2.3.路基基床⑴路堤基床表层填筑A组填料,厚0.6m;基床底层填筑1.9m掺5%水泥改良土。路基本体填筑C组填料。路堤边坡坡率1:1.5~1:1.75;⑵路堑基床表层换填0.6m厚的A组填料和0.1m厚的中粗砂内夹铺一层两布一膜;基床底层1m厚换填掺5%水泥改良土。路堑边坡坡率1:1.25。2.3.3.2.4.过渡段GDK174+282GDK165+150GDK174+407.00设置路隧过渡段,GDK164+900、GDK168+905.00、GDK174+300设置路涵过渡段,GDK169+328.29设置路桥过渡段。2.3.3.2.5.路基工程施工要点2.3.3.2.5.1.路基工程管控⑴建立路基工程结构物的理念,从结构物的技术高度看待路基工程,用系统工程的观点看待路基和附属工程的相互关系。⑵建立先进、可靠、精确、完整、有效的质量控制与检测体系,保证所采用的各种技术参数正确;保证施工全过程受控;保证路基均匀或不均匀沉降及其沉降值得到持续正确的监测。⑶根据本标段工程数量、工程特点、工程地质条件等,有针对性编制各段路基工程实施性施工组织设计,正确选用施工方法,合理组织施工,确保路基工程质量。2.3.3.2.5.2.路基工程人员配备⑴人员配备原则:根据我单位实际情况,择优选调有类似路基工程施工经验、符合招标人要求的管理和技术人员负责路基工程施工技术管理,路基施工队和涵洞防护施工队择优选调有类似路基工程施工经验的队伍。⑵人员配备:根据工程需要,管理人员按照精干高效、便于管理的原则组建队伍。人员根据进场计划安排分批有序进场作业,根据工程进度有计划的进行增减,做好队伍人员教育培训工作,结合所承担的岗位进行岗前教育,熟练掌握操作工艺、技术要求、质量标准、安全要求,规范操作,安全作业。2.3.3.2.5.3.路基工程现场管理建立路基工程施工地质核查、试验检测、路基沉降监测、路堑边坡变形监测的信息系统,实施“监测—分析—调整”的信息化和动态化管理。2.3.3.2.5.4.路基工程过程控制⑴施工安排优先化开工后,优先安排涵洞基础、路堑的施工,为路基本体填筑创造条件和争取时间,确保施工工期需求。⑵施工作业机械化采用功能齐全、性能先进的地基处理、路基施工设备,实现机械化施工。⑶各工序试验检测每道工序施工完后必须进行试验检测,合格后方可进行下道工序施工。2.3.3.3.路基施工组织方案路基土石方工程按站场及区间同时展开施工,在施工区段内组织土石方调配施工。首先进行地基处理及与路基相交的构筑物施工,为路基工...

1、当您付费下载文档后,您只拥有了使用权限,并不意味着购买了版权,文档只能用于自身使用,不得用于其他商业用途(如 [转卖]进行直接盈利或[编辑后售卖]进行间接盈利)。
2、本站所有内容均由合作方或网友上传,本站不对文档的完整性、权威性及其观点立场正确性做任何保证或承诺!文档内容仅供研究参考,付费前请自行鉴别。
3、如文档内容存在违规,或者侵犯商业秘密、侵犯著作权等,请点击“违规举报”。

碎片内容

路基工程施工组织设计(完整版)

确认删除?
VIP
微信客服
  • 扫码咨询
会员Q群
  • 会员专属群点击这里加入QQ群
客服邮箱
回到顶部