电脑桌面
添加小米粒文库到电脑桌面
安装后可以在桌面快捷访问

立体车库消防施工组织设计VIP免费

立体车库消防施工组织设计_第1页
1/22
立体车库消防施工组织设计_第2页
2/22
立体车库消防施工组织设计_第3页
3/22
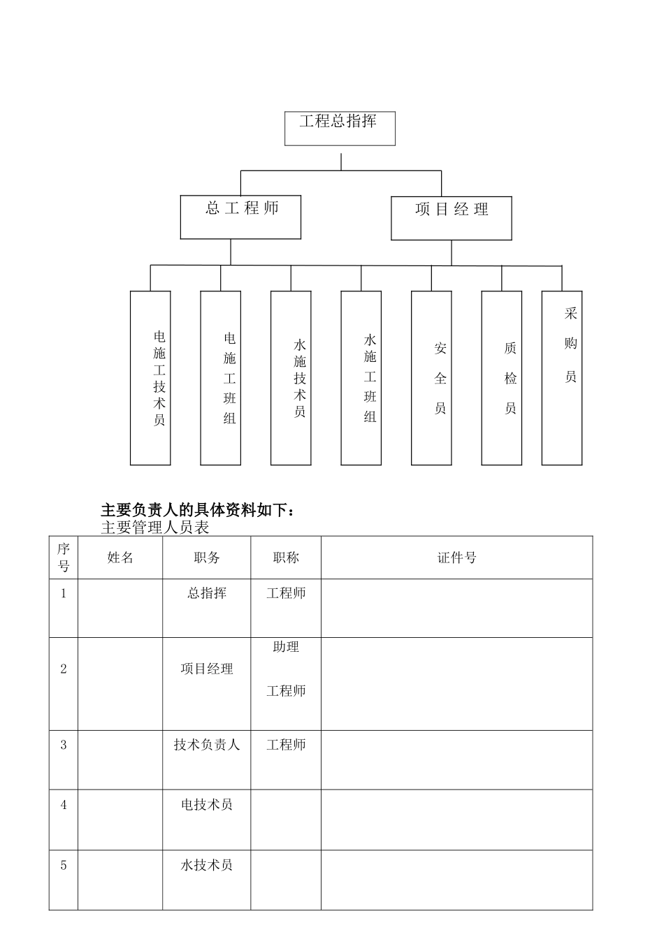
河南威明达节能科技生产基地立体停车库(5#)消防工程施工组织设计编制人:审核人:批准人:年月日一、工程简介(1)工程名称:河南威明达节能科技生产基地立体停车库(5#)(2)建设单位:河南威明达节能科技有限公司(3)总承包方:林州八建集团工程有限公司(4)专业分包方:(5)工程地点:郑州市金岱工业园(6)工程规模:8936.6㎡二、工程内容楼内消防水喷淋系统、消火栓系统、消防报警联动系统、消防广播系统设备、防排烟系统。三、编制依据1、《火灾自动报警系统施工及验收规范》(GB50166-92)2、《火灾自动报警系统设计规范》(GBJ116-98)3、《施工现场临时用电安全技术规范》(GJ303-88)4、《建筑电气安装工程质量检验评定标准》(GBK303-88)5、《自动喷水灭火系统设计规范》(GBT84-85)6、《建筑设计防火规范》(GB50016-2006)6、《汽车库、修车库、停车场设计防火规范》(GB50067-97)7、《通风与空调工程施工验收规范》(GBJ243-82)8、《设备安装工程施工及验收规范》(TBJ23-96)9、《低压配电设计规范》(GB50054-2011)四、施工工期本工程施工工期安排服从建设方工期承诺,在总包的施工进度和总工期的要求下,由监理单位协调安排,我公司决不影响进度工期,确保业主方的工期要求。五、施工组织为保证本消防工程施工的顺利进行,本工程建立项目经理部,强化统一指挥,统一调度,明确职责,加强现场施工管理,确保进度、质量和文明施工。1、组织机构该工程由项目技术负责人、工程部、技术部、后勤部、质安部及施工作业组组成,负责该工程的施工全过程的管理,其组织的形式如下:工程总指挥主要负责人的具体资料如下:主要管理人员表序号姓名职务职称证件号1总指挥工程师2项目经理助理工程师3技术负责人工程师4电技术员5水技术员项目经理电施工技术员电施工班组水施技术员水施工班组安全员质检员总工程师采购员8材料供应负责人2、主要负责人岗位职责⑴总指挥:总体工程质量、技术审核及指导。⑵项目经理职责:负责该工程进度、物资设备的组织协调工作,参加业主召开的工作会议,接受项目总指挥的领导,向项目总指挥负责。⑶施工员职责:制定施工进度计划,协调劳动力、机具、材料等各生产要素的管理,制定施工组织设计方案,督促现场文明施工,参加有关工程例会,负责移交工程资料和实物交接。⑷质检员职责:督促检查施工工段,严格按规范标准施工,检查工程质量及记录。⑸技术员:解决施工中存在的技术问题。⑹采购员:负责施工设备、材料的供应及报验工作,处理解决施工中存在的设备、材料问题。⑺安全员:抓好安全生产工作,落实安全措施。检查施工中安全事故隐患,严格按安全条例施工。3、劳动力需用计划:序号工程类别计划用人进场时间备注1焊工5根据实际情况进场2安装电工6根据实际情况进场3水管工16根据实际情况进场4辅助工4根据实际情况进场5机修工3根据实际情况进场6调试人员3根据实际情况进场3、施工机械需用量计划:序号设备名称数量型号、规格进场时间1套丝机(电动)2台ZT-R4根据实际情况进场2电动割机2台移动式根据实际情况进场3电焊机3台轻便型DX-135根据实际情况进场4气割工具3套氧气乙炔根据实际情况进场5电锤4把便携式根据实际情况进场6空压机1台根据实际情况进场7对讲机2套根据实际情况进场8电动试压机1台长沙产根据实际情况进场9台钻1台固定式根据实际情况进场10砂轮机2台固定式根据实际情况进场11消防检测箱1套根据实际情况进场12兆欧表1台1台根据实际情况进场13万用表2台2台根据实际情况进场六、施工方法(一)消防报警及联动系统工程:1、系统管线的施工要求:A.所有的火灾报警联动系统设备的DC24V电源统一由由控制器的电源装置配出。垂直或水平敷设的干线分区或分回路采用ZRRVS-2X2.5(信号线)、ZRRV-2X4(2拼正极)+2X4(2拼负极)(电源线);B.火灾自动报警系统的传输入线路敷设于暗敷钢管内或防火金属线槽内;C.消防控制、通信和警报线路采用金属管或金属线槽保护,并应在金属管或金属线槽上采取防火保护措施。D.不同系统、不同电压等级、不同电流类别的线路,不应穿在同一管内或线槽的同一槽孔中。E.火灾自动报警系统导线敷...

1、当您付费下载文档后,您只拥有了使用权限,并不意味着购买了版权,文档只能用于自身使用,不得用于其他商业用途(如 [转卖]进行直接盈利或[编辑后售卖]进行间接盈利)。
2、本站所有内容均由合作方或网友上传,本站不对文档的完整性、权威性及其观点立场正确性做任何保证或承诺!文档内容仅供研究参考,付费前请自行鉴别。
3、如文档内容存在违规,或者侵犯商业秘密、侵犯著作权等,请点击“违规举报”。

碎片内容

立体车库消防施工组织设计

确认删除?
VIP
微信客服
  • 扫码咨询
会员Q群
  • 会员专属群点击这里加入QQ群
客服邮箱
回到顶部