电脑桌面
添加小米粒文库到电脑桌面
安装后可以在桌面快捷访问

免费-全套最新GB50300-2013配套表格全套(检验批质量验收记录)VIP免费

免费-全套最新GB50300-2013配套表格全套(检验批质量验收记录)_第1页
1/84
免费-全套最新GB50300-2013配套表格全套(检验批质量验收记录)_第2页
2/84
免费-全套最新GB50300-2013配套表格全套(检验批质量验收记录)_第3页
3/84
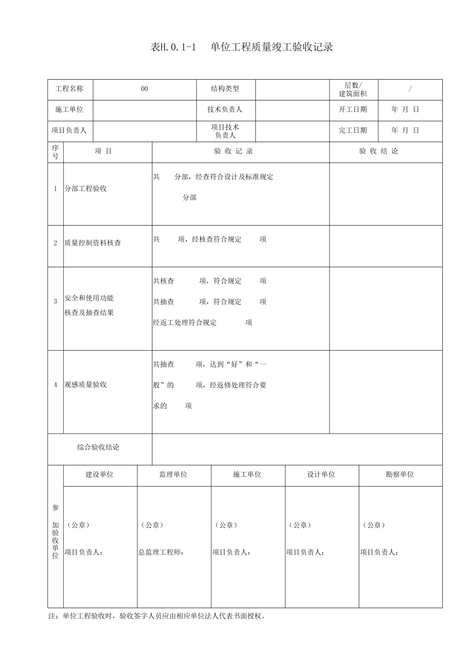
1.2.单位工程质量竣工验收记录3.单位工程观感质量检查记录4.素土、灰土地基检验批质量验收记录5.砂和砂石地基检验批质量验收记录6.土工合成材料地基检验批质量验收记录7.粉煤灰地基检验批质量验收记录8.强夯地基检验批质量验收记录9.土和灰土挤密桩复合地基检验批质量验收记录10.水泥粉煤灰碎石桩复合地基检验批质量验收记录11.混凝土小型空心砌块砌体检验批质量验收记录12.石砌体检验批质量验收记录13.配筋砌体检验批质量验收记录14.模板安装检验批质量验收记录15.模板拆除检验批质量验收记录16.钢筋原材料检验批质量验收记录17.钢筋加工检验批质量验收记录18.钢筋连接检验批质量验收记录19.钢筋安装检验批质量验收记录20.混凝土设备基础外观及尺寸偏差检验批质量验收记录21.模板安装检验批质量验收记录22.模板拆除检验批质量验收记录23.钢筋原材料检验批质量验收记录24.钢筋加工检验批质量验收记录25.钢筋连接检验批质量验收记录26.钢筋安装检验批质量验收记录27.混凝土设备基础外观及尺寸偏差检验批质量验收记录28.钢结构焊接检验批质量验收记录29.焊钉(栓钉)焊接工程检验批质量验收记录30.紧固件连接检验批质量验收记录31.高强度螺栓连接检验批质量验收记录32.钢零部件加工检验批质量验收记录33.钢构件组装检验批质量验收记录34.钢管构件进场验收检验批质量验收记录35.钢管混凝土构件现场拼装检验批质量验收记录36.钢管混凝土构件现场拼装检验批质量验收记录37.钢管混凝土柱柱脚锚固检验批质量验收记录38.混凝土灌注桩(钢筋笼)检验批质量验收记录39.混凝土灌注桩检验批质量验收记录40.土方开挖工程检验批质量验收记录41.土方回填工程检验批质量验收记录42.场地平整检验批质量验收记录43.喷锚支护检验批质量验收记录44.挡土墙检验批质量验收记录45.边坡开挖检验批质量验收记录46.模板安装检验批质量验收记录47.模板拆除检验批质量验收记录48.钢筋原材料检验批质量验收记录49.钢筋加工检验批质量验收记录50.钢筋连接检验批质量验收记录51.钢筋安装检验批质量验收记录52.混凝土原材料检验批质量验收记录53.钢结构焊接检验批质量验收记录54.焊钉(栓钉)焊接工程检验批质量验收记录55.型钢混凝土结构焊接检验批质量验收记录56.型钢混凝土结构紧固件连接检验批质量验收记录57.一般抹灰检验批质量验收记录58.保温层薄抹灰检验批质量验收记录59.给水管道及配件安装检验批质量验收记录60.给水设备安装检验批质量验收记录61.室内消火栓系统安装检验批质量验收记录62.给水管道及配件安装检验批质量验收记录63.给水管道及配件安装检验批质量验收记录64.排水管道及配件安装检验批质量验收记录65.雨水管道及配件安装检验批质量验收记录66.变压器、箱式变电所安装检验批质量验收记录67.成套配电柜、控制柜(屏、台)和动力、照明配电箱(盘)及控制柜安装检验批质量验收记录68.导管敷设检验批质量验收记录69.电缆敷设检验批质量验收记录70.变压器、箱式变电所安装检验批质量验收记录71.普通灯具安装检验批质量验收记录72.电气照明专用灯具安装检验批质量验收记录73.设备安装检验批质量验收记录74.智能化集成系统接口及系统调试检验批质量验收记录75.安装场地检查检验批质量验收记录76.梯架、托盘、槽盒和导管安装检验批质量验收记录77.机柜、机架、配线架安装检验批质量验收记录78.墙体节能检验批质量验收记录79.门窗节能检验批质量验收记录80.分项工程检测记录81.智能化集成系统子分部工程检测记录82.防雷与接地子分部工程检测记录83.分部(子分部)工程质量验收记录84.工程验收资料审查记录工程名称00结构类型层数/建筑面积/施工单位技术负责人开工日期年月日项目负责人项目技术负责人完工日期年月日序号项目验收记录验收结论1分部工程验收共分部,经查符合设计及标准规定分部2质量控制资料核查共项,经核查符合规定项3安全和使用功能核查及抽查结果共核查项,符合规定项共抽查项,符合规定项经返工处理符合规定项4观感质量验收共抽查项,达到“好”和“一般”的项,经返修处理符合要求的项综合验收结论参加验收单位建设单位监理单位施工单位设计单位勘察单位(公章)项目负责人:(公章)...

1、当您付费下载文档后,您只拥有了使用权限,并不意味着购买了版权,文档只能用于自身使用,不得用于其他商业用途(如 [转卖]进行直接盈利或[编辑后售卖]进行间接盈利)。
2、本站所有内容均由合作方或网友上传,本站不对文档的完整性、权威性及其观点立场正确性做任何保证或承诺!文档内容仅供研究参考,付费前请自行鉴别。
3、如文档内容存在违规,或者侵犯商业秘密、侵犯著作权等,请点击“违规举报”。

碎片内容

免费-全套最新GB50300-2013配套表格全套(检验批质量验收记录)

您可能关注的文档

星河书苑+ 关注
实名认证
内容提供者

从事历史教学,热爱教育,高度负责。

相关文档

确认删除?
VIP
微信客服
  • 扫码咨询
会员Q群
  • 会员专属群点击这里加入QQ群
客服邮箱
回到顶部