电脑桌面
添加小米粒文库到电脑桌面
安装后可以在桌面快捷访问

两相短路电流计算与查表VIP免费

两相短路电流计算与查表_第1页
1/7
两相短路电流计算与查表_第2页
2/7
两相短路电流计算与查表_第3页
3/7
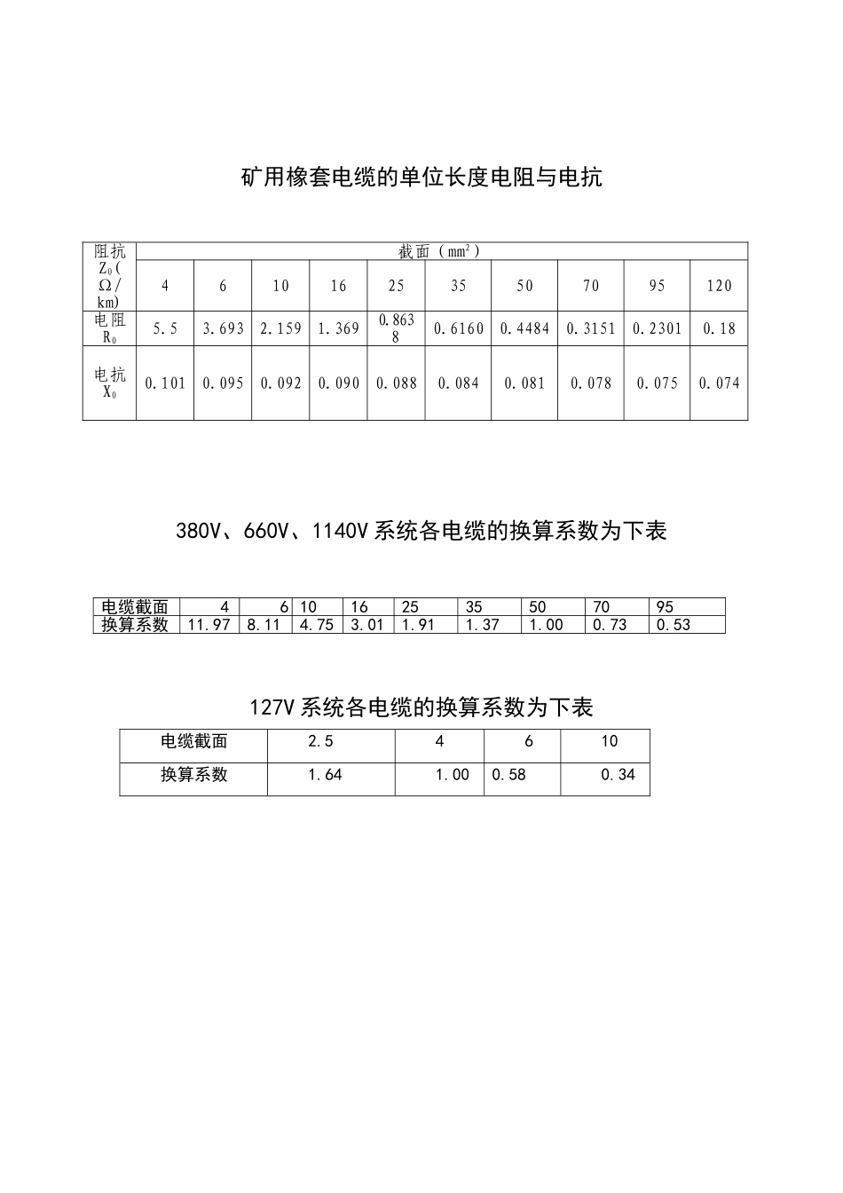
解析法计算低压电网短路电流计算两相短路电流的计算公式为:I==R1/Kb2+Rb+R2=Xx+X1/Kb2+Xb+X2式中:I—两相短路电流,A;、—短路回路内一相电阻、电抗值的总和,Ω;Xx—根据三相短路容量计算的系统电抗值,Ω;R1、X1—高压电缆的电阻、电抗值,Ω;Kb—矿用变压器的变压比,若一次电压为6000V,二次电压为400、690、1200V时,变比依次为15、8.7、5;当一次电压为10000V,二次电压为400、690、1200V时,变比依次为25、14.5、8.3;Rb、Xb—矿用变压器的电阻、电抗值,Ω;R2、X2—低压电缆的电阻、电抗值,Ω;Ue—变压器二次侧的额定电压,V。若计算三相短路电流值I=1.15I矿用橡套电缆的单位长度电阻与电抗380V、660V、1140V系统各电缆的换算系数为下表127V系统各电缆的换算系数为下表电缆截面2.54610换算系数1.641.000.580.34阻抗Z0(Ω/km)截面(mm2)4610162535507095120电阻R05.53.6932.1591.3690.86380.61600.44840.31510.23010.18电抗X00.1010.0950.0920.0900.0880.0840.0810.0780.0750.074电缆截面4610162535507095换算系数11.978.114.753.011.911.371.000.730.53KBSG型变压器二次侧电压690V两相短路电流计算表(2)电缆换算长度(m)变压器容量(kVA)50100200315400500630800100009051812362556997244906591291057612085208951774348453686712822583259494106874088417363333499961177296740282649107608741696317746265534643065287146772580863165630214271500156815766621166151008531616287039434531505251245451574112084215752725364641234528458948345049140832153525883380377140914142433144941608211496245931433466372437673915404318081014572339293332253412344935683670200800141922272745297231453177327533572207891382212325772770291629433024309224077913472027242625922716274028072865260769131219372291243525402562261926682807581278185421692294238624042454249630071812461777205821692248226523082344320738121417051958205521252140217822103407281184163818661953201520282051208936071911551576178218601915192719571981380709112615181705177518251836186218844007001099146416351698174217521776179642069010731413156916271667167616971715440681104813651509156115971606162516414606721024132114531500153315411559157448066310001278140014441474148214981511500654978123913521392142014271441145452064695612011306134313691375138914005406379361166126412981322132813401351560629915113312241256127712831295130458062189611011186121612361241125212616006138781071115111781197120212121221620605860104311171143116111661175118364059784210161086111011271131114011476605908269901056107910941098110611136805828109661028104910641068107510827005757949421001102110351038104610527205687799209759941007101110181023740561764899951969981985991997760554750879928945957960966971780547737859906922933936942947800540724841885901911914919924820534711823865880890892897902840528699806846860869872877881860521687789828841850852857861880515675773810823831834838842900509664758793805813816820824920503653743777789796799803806940498643729762773780782786789960492633716747757764766770773980486623703732742749751755758100048161369071972873573774074310504685906616866957017037067081100455569633657665670671674677115044354960863063764264364664812004325315856056116166176196211250421514563581588592593595597130041049754356056656957157257413504014825255405455495505525531400391467507522526530531532534145038245449150450951251351451615003734414764884924954964974991550365429461473477479480482483160035741744845946246546546746816503494064354454494514524534541700342396423433436438439440441175033438641142142442642642742818003283774014094124144154164161850321368390398...

1、当您付费下载文档后,您只拥有了使用权限,并不意味着购买了版权,文档只能用于自身使用,不得用于其他商业用途(如 [转卖]进行直接盈利或[编辑后售卖]进行间接盈利)。
2、本站所有内容均由合作方或网友上传,本站不对文档的完整性、权威性及其观点立场正确性做任何保证或承诺!文档内容仅供研究参考,付费前请自行鉴别。
3、如文档内容存在违规,或者侵犯商业秘密、侵犯著作权等,请点击“违规举报”。

碎片内容

两相短路电流计算与查表

您可能关注的文档

星河书苑+ 关注
实名认证
内容提供者

从事历史教学,热爱教育,高度负责。

相关文档

确认删除?
VIP
微信客服
  • 扫码咨询
会员Q群
  • 会员专属群点击这里加入QQ群
客服邮箱
回到顶部